2025 Vol. 51, No. 10

Display Method:
Volume 10 Issue E-journal
Volume 51 Issue102025
iconDownload (38866) 756 iconPreview
Cooperative planning for safe transportation routes and flight paths of UAV with multiple dispatching centers and soft time windows
WEI Ming, SUN Yaru, SUN Bo, WANG Shengjie
2025, 51(10): 3233-3242. doi: 10.13700/j.bh.1001-5965.2023.0509
Abstract:

A two-layer collaborative planning model is established for the problem of unmanned aerial vehicle (UAV) transportation routes and flight paths planning for logistics distribution. In the upper-level model, considering constraint factors such as customer time windows, UAV load, energy consumption, and path risk, the UAV’s departure dispatching center, access sequence, and customer arrival times were calculated to minimize UAV dispatching costs. In the lower-level model, considering multiple safety factors such as obstacles, radio interference, and UAV crash costs, the shortest feasible flight path between any dispatching center and customers was calculated. A two-stage deep reinforcement learning (DRL) algorithm, incorporating the A* algorithm and a greedy strategy, was designed to solve the problem based on its characteristics. Finally, a case studywas presented where the optimal UAV transportation route and flight path planning scheme were calculated, and the impact of changes in key parameters on the scheduling results was analyzed. The validity and accuracy of this paper were verified by comparison with genetic algorithm (GA), differential evolution (DE) and particle swarm optimization (PSO) algorithms.

Dynamically changeable human-robot collaborative assembly based on limb motion prediction
WU Haibin, SONG Chenyang, ZHOU Shixuan
2025, 51(10): 3243-3252. doi: 10.13700/j.bh.1001-5965.2023.0543
Abstract:

Human-robot collaborative assembly is necessary to ensure that the assembly process goes successfully in some complex assembly areas where it is challenging to rely entirely on robots to complete the assembly. However, in the process of human-robot collaboration, the robot cannot respond to different human operations. We propose a dynamic variable human-robot collaborative assembly scheme to address the challenges in complex assembly domains. The scheme achieves dynamic variability in the assembly process by recognizing and predicting the operator’s limb movements, and the robot responds accordingly. We use an inertial measurement unit (IMU) to collect motion information and propose a particle swarm optimization (PSO) support vector machine (SVM) algorithm for accurate limb motion detection. In addition, we introduce a parameter-variable hidden Markov model (HMM) to predict action sequences in real-time. This allows the robot to infer the operator’s future intentions. The decelerator human-robot collaborative assembly experiment showed that the suggested approach obtained an average limb motion recognition rate of 96.7%. It was also able to effectively predict operator actions, enabling dynamic human-robot collaborative assembly with adjustable assembly sequences. This significantly enhanced the adaptability of the assembly system and reduced the complexity of human-robot collaborative assembly.

Multi-aircraft low-carbon trajectories cooperative planning for point merge operation
WANG Chao, LI Wenqing, SUN Shilei, XU Chenyang
2025, 51(10): 3253-3261. doi: 10.13700/j.bh.1001-5965.2023.0575
Abstract:

In order to solve the technical problem of continuous descent operation (CDO) in the high traffic density terminal control area, a multi-aircraft low-carbon trajectory collaborative planning method for a point merge system (PMS) is proposed. Firstly, the mechanism of additional carbon emission based on the artificial decision-making of the air traffic controller was analyzed. Secondly, a multi-stage optimal control model of CDO was developed, taking into account the level flight arc segment of the PMS, using the low-carbon 4D trajectory of a single aircraft as the research object. Then, with the objective of minimum overall operation time, the 4D trajectory collaborative optimization model of multiple aircraft CDO was established with considering the arrival traffic flows’ flight conflict constraint. Finally, the validation experiment was carried out with the real PMS and its air traffic track data. In addition to providing the aircraft landing sequence that supports efficient operation, the experimental findings demonstrate that this method reduces the overall flight duration by 12.2% and CO2 emissions by 15.7%. It also provides plausible low-carbon 4D paths to accomplish this landing sequencing.

Spaceborne GNSS-R sea surface height inversion model using FY-3E
ZHANG Yun, LU Qi, ZHANG Yuewei, QIN Ganyao, HU Xiuqing, YANG Guanglin
2025, 51(10): 3262-3272. doi: 10.13700/j.bh.1001-5965.2023.0540
Abstract:

Sea surface height (SSH) is of great significance in fields such as oceanography and meteorology. Given the current absence of research utilizing the unevenly distributed delay-Doppler map (DDM) data from China’s independently developed FengYun-3E (FY-3E) global navigation satellite system occultation sounderⅡ (GNOS-Ⅱ), this paper employs DDM-based SSH retrieval technology and validates the retrieval accuracy using the Danish DTU18 global mean SSH model and tidal model. The SSH retrieval performance of reflected signals from the global positioning system (GPS) and the spaceborne Beidou navigation satellite system (BDS) is evaluated individually in this research using both conventional physical models and machine learning techniques. The results demonstrate that due to the higher chip resolution of BDS B1Ⅰ signals compared to GPS, the maximum mean absolute error (MAE) of the global SSH inversion using the physical model of BDS is about 3.0 m, which is significantly better than that of the GPS (maximum MAE is about 5.0 m). Both GPS and BDS may produce good inversion results using the random forest (RF) and convolutional neural network (CNN) models; their best MAE is approximately 0.4 m. Compared with the inversion results of the UK TDS-1 data, the GPS inversion accuracy is improved by about 15% in the physical model, which verifies the validity of the global navigation satellite system-reflectometry (GNSS-R) remote sensing data of the FY-3E GNOS-Ⅱ. The research findings in this paper are of great significance for promoting the application of domestic FY-3E GNSS-R SSH measurements.

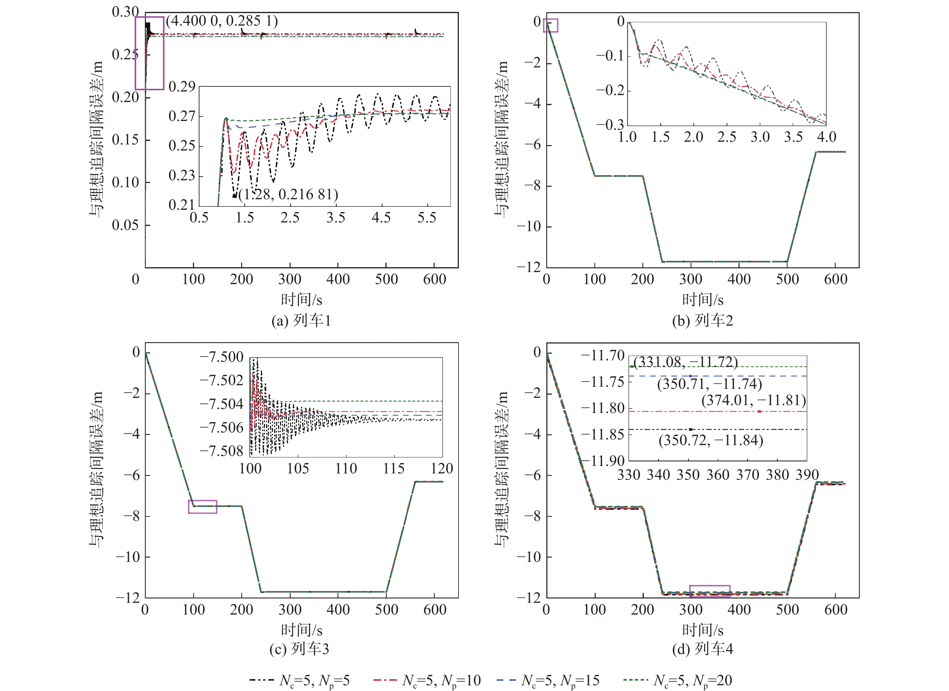
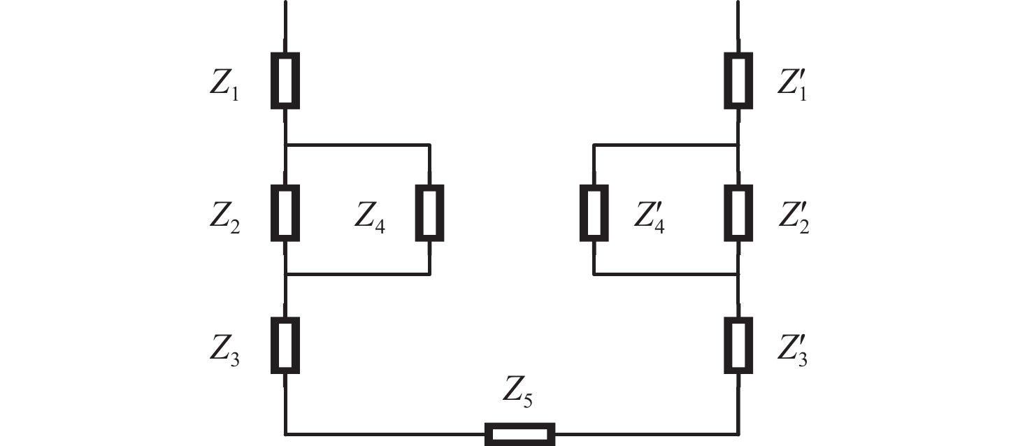
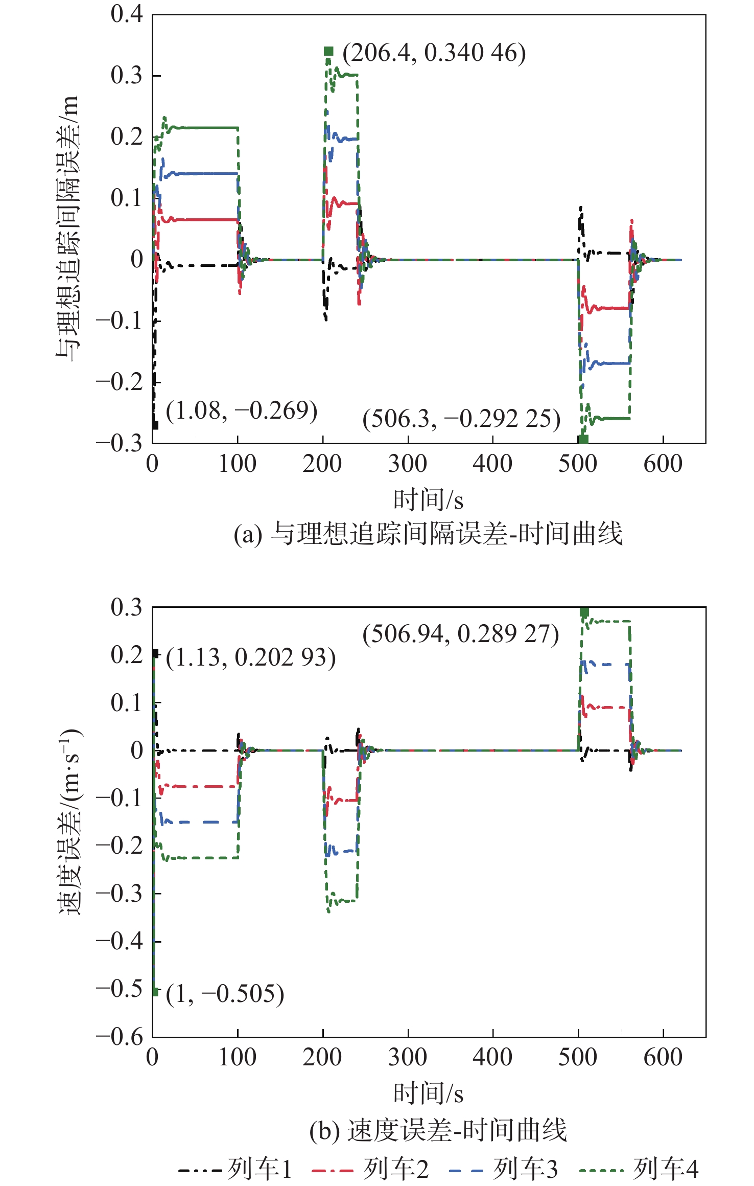
Adaptive model predictive control of virtual coupled based on artificial potential field
LIN Junting, NI Mingjun
2025, 51(10): 3273-3285. doi: 10.13700/j.bh.1001-5965.2023.0544
Abstract:

The safety of operating formation trains is now subject to stricter standards due to the high speed and high density tracking control of trains. To meet the need for precision and adaptability during train operation, an adaptive model predictive control (MPC) technique based on an artificial potential field is created for virtual coupled (VC) systems. First, a VC train is used as the research object, and the MPC method is used to create a dynamic model based on the equilibrium state of the train, with control accuracy and smoothness as the optimization objectives. Next, a collision avoidance function based on an artificial potential field setting is added to the objective function, allowing for the realization of the formation’s collision avoidance control. In order to improve the real-time performance of the system and ensure accurate control of the train formation, it is also necessary to analyze the impact of various time domain parameters on the control accuracy and computational efficiency of the system, design the corresponding adaptation function, and base this on a genetic algorithm (GA) that can find the best combinations of time domain parameters under various working conditions. On the MATLAB platform, a 4-train tracking operation scenario is developed as a last step to test the effectiveness of the suggested approach. The study’s findings demonstrate that the artificial potential field-based model predictive controller has interval control accuracy that is 94.8% greater than that of the conventional model predictive controller, successfully preventing train collisions and ensuring the safety of train operation. Furthermore, the adaptive control law controller may adjust the system in real-time based on the train’s operational status, resulting in a 10% increase in computing efficiency and excellent control accuracy. The study’s findings support the viability of the suggested control approach, enhance the controller’s overall control performance, and serve as a guide for future improvements in formation control and ensuring safe train operation.

Sub-model based failure analysis of composite primary load-bearing hybrid joint structure
LI Xing, LI Zengshan, DENG Fanchen, NIE Lei, ZHANG Tian
2025, 51(10): 3286-3298. doi: 10.13700/j.bh.1001-5965.2023.0555
Abstract:

Taking the lower panel stringer joint structure in the composite wing root of civil aircraft as the research object, a three-dimensional sub-model of a single-bolt joint considering material damage was established, and the joint failure mechanism and the nonlinear load-deformation relationship were analyzed using the sub-model. After calculating the nonlinear fastener load distribution, the global finite element model was used to estimate the failure load while taking the nonlinear joint stiffness into account. By using the above method, the problems such as low computational efficiency and poor convergence caused by direct establishment of a full-size 3D model and considering damage are solved. The test confirms the efficacy of the suggested approach since the results indicate that the predicted failure mode is the simultaneous shear fracture of single-side multi-row fasteners, which is consistent with the test failure mode, and the predicted failure load is 93.6% of the test failure load. In contrast, the failure load predicted by the model with linear joint stiffness is 81.9% of the test failure load, and the predicted failure mode is the failure of the first row fasteners, which is obviously different from the test results.

Heat dissipation characteristics and lightweight evaluation of lattice structure
HU Jianjun, DOU Ruochen, ZHANG Xin, YAO Jing, KONG Xiangdong
2025, 51(10): 3299-3306. doi: 10.13700/j.bh.1001-5965.2023.0572
Abstract:

As the core component of aviation rudder control, the pursuit of a high power-to-weight ratio for an electro-hydrostatic actuator (EHA) requires efficient heat dissipation and a lightweight integrated design for its components. Reliable data for assessing lattice structure heat dissipation and lightweight performance is provided by this paper’s experimental study of the heat dissipation properties of four common lightweight lattice structures and the temperature distribution properties of various lattice heat dissipation modules. Based on the heat dissipation characteristics of lattice structures, an evaluation index of the heat dissipation lightweight coefficient of lattice structures is proposed to quantitatively evaluate the lightweight characteristics of different heat dissipation lattice structures. The four types of lattice structures are assessed using the evaluation index developed in this research, and the findings indicate that the OT lattice structure has the best combined lightweight and heat dissipation performance. Compared with the fin structure, the heat dissipation coefficient of the OT lattice structure is 1.2 times that of the fin, but its heat dissipation lightweight coefficient is only about 1/3 of that of the fin. This study provides a theoretical basis for the screening of the lattice structure considering both heat dissipation and lightweight.

Comparison and evaluation of data correction methods for directional polarimetric cameras
WANG Yi, MENG Binghuan, YE Chen, LUO Donggen, YAO Pingping, HONG Jin
2025, 51(10): 3307-3312. doi: 10.13700/j.bh.1001-5965.2023.0527
Abstract:

The data correction process of a directional polarimetric camera (DPC) primarily includes two components: background correction and frame transfer effect correction. The image acquisition process of the photodetector is a random sampling procedure, and mathematical processing methods are applied to the sampling results during data correction, which introduces noise. This paper mainly discussed the influence of dark background correction and frame transfer effect correction on the signal-to-noise ratio (SNR) during DPC data processing. Modeling and simulation of the SNR for two frame transfer effect correction methods were conducted. Validation was performed using actual data from the DPC onboard an atmospheric monitoring satellite. The results demonstrate that both background correction and frame transfer effect correction increase noise, thus reducing the SNR. Background correction should involve more than five background data sets. Compared to the two frame transfer effect correction methods, the sum of column ratio method outperforms the dark row method, achieving a maximum increase in SNR of 15.8.

Electrical properties analysis of composite materials skin bonding structures
YANG Zhangang, WEI Yuhao, SHI Xudong
2025, 51(10): 3313-3323. doi: 10.13700/j.bh.1001-5965.2023.0507
Abstract:

The use of composite materials in modern commercial aircraft is gradually increasing. However, their low electrical conductivity limits their application in skin structures. To enhance the conductivity of current within the skin, additional conductive structures are often bonded. This study modeled the bonding structures of composite aircraft skins and analyzed the electrical properties and influencing factors by establishing equivalent circuits. Using a typical bonding structure model for composite aircraft skin, the effects of structural types and bonding modes on the electrical properties were calculated, and the impact of lightning indirect effects on different bonding modes was analyzed. The results of calculations and simulations show that the material, shape, and size of structural components affect the electrical properties of the skin. Adopting appropriate bonding modes can effectively reduce structural impedance and enhance the shielding performance against lightning indirect effects.

Data processing methodology of icing meteorological detection in FAR 25 Appendix C
ZHANG Wenqiang, CHEN Yiyi, LEI Guoqiang, WANG Guangyu, ZHI Yafei, MAO Xuerui
2025, 51(10): 3324-3336. doi: 10.13700/j.bh.1001-5965.2023.0569
Abstract:

Icing can change the shape of the airplane, decrease the lift, and increase the drag. The maneuverability and stability of the airplane are crippled, which severely threatens the flight safety. The application of Appendix C is restricted by regional and seasonal limitations. In addition, a more complex icing condition has been discovered recently and thus Appendix C needs to be consistently revised. This report can provide instructions for the compilation and improvements of China's icing airworthiness regulations. This study introduces the methods for data postprocessing, the mechanism of the conventional icing meteorological detection sensors, and the creation of the FAR 25 Appendix C. Appendix C provides a detailed explanation of how the plots were derived from the meteorological detection data. Finally, the current challenges and future development trends are presented from three aspects: the establishment of icing databases, improving the measurement accuracy of instruments, and anti-icing of unmanned aerial vehicles, thus providing scientific guidance for the development and future direction of meteorological detection technology.

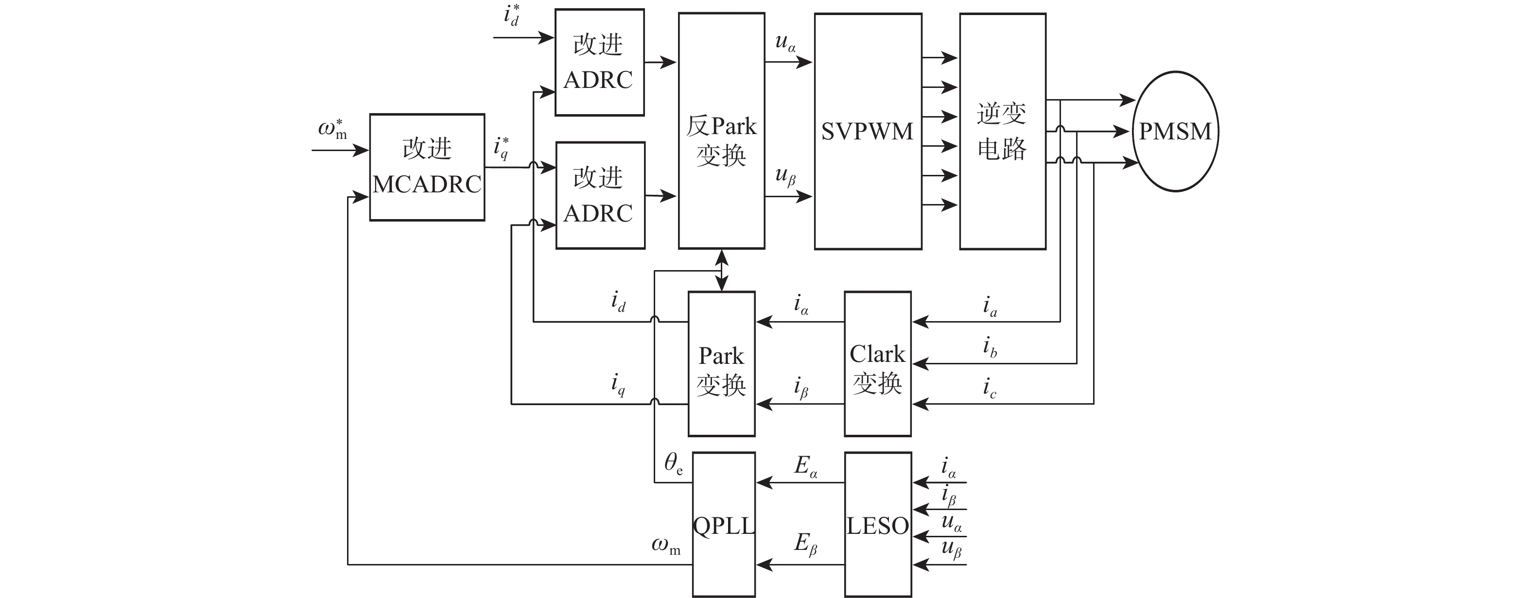
Modified sensorless control of PMSM based on super-twisting sliding mode auto disturbance rejection
CHEN Dehai, LIU Xiang, WANG Haifeng
2025, 51(10): 3337-3344. doi: 10.13700/j.bh.1001-5965.2023.0578
Abstract:

The dynamic performance of the sensorless control strategy in the vector control system of a permanent magnet synchronous motor is insufficient. Firstly, the super twisting sliding mode algorithm (STA) is studied, and super twisting sliding mode auto disturbance rejection control (STA-ADRC) algorithm is proposed, which introduces an improved Sigmoid function and linear term on the basis of the original super spiral sliding mode algorithm. Compared with the traditional super spiral sliding mode algorithm, the proposed algorithm has better rapidity and robustness. Secondly, a sensorless control strategy based on enhanced super twisting sliding mode auto disturbance rejection control is suggested to enhance the disturbance rejection performance of the sensorless control. According to the simulation results, the proposed algorithm has the following benefits over the conventional PI, liner auto disturbance rejection control (LADRC), and sliding mode auto disturbance rejection control: quick response time, minimal buffeting, robust disturbance immunity, and good steady-state performance.

Optimization of multi-type airport ferry vehicles schedules with double service time windows characteristic
ZHANG Wenyi, TANG Yulaer, WANG Xulan, ZHOU Jing, BIAN Ke, LIU Zhishuo
2025, 51(10): 3345-3353. doi: 10.13700/j.bh.1001-5965.2023.0579
Abstract:

A mixed-integer linear programming model is developed for the airport ferry vehicle scheduling problem from the perspective of task units, taking into account both the double time windows characteristics of the airdrome ferry vehicle transport service and multi-type vehicles in order to increase the flexibility of airport ferry vehicle operation and the efficiency and practicality of the vehicle scheduling schemes. The resultant model can be viewed as a split-delivery vehicle routing problem with multi-type vehicles and double service time windows, which is a complex NP-hard problem. To solve such a challenging problem, a tailored adaptive large neighborhood search (ALNS) algorithm is proposed. Computational experiments are conducted on the eastern airfield of the Beijing Capital International Airport. The experimental results demonstrate that the proposed algorithm shows excellent stability and effectiveness. The ratio of the standard deviation to the average value of the calculation results for 10 iterations under 200 iterations is only 5.6%, and the optimal objective function value decreases by 54% before and after optimization. In addition, the multi-type vehicle schedule performs much better than both the man-made and the single-type schedules, which produces 98.3%, 31.3% and 22.2% of vehicle capacity efficiency increase and creates 48.3%, 23.4% and 23.5% of total operation cost saving in comparison to the man-made, single-big-type, and single-small-type schedules, respectively.

ICPS multi-modal integrated security control based on data-model linkage under dual-end asynchronous DoS attacks
LI Yajie, LI Gang, LI Wei, LU Chenjing
2025, 51(10): 3354-3367. doi: 10.13700/j.bh.1001-5965.2024.0818
Abstract:

Data-driven technology and model mechanism analysis techniques are combined to study the problem of multi-modal integrated safety control and communication collaborative design, with an eye toward a type of industrial cyber-physical system (ICPS) that is susceptible to dual-end asynchronous denial of service (DoS) attacks and actuator failures. Firstly, an adaptive discrete event triggered communication scheme (ADETCS) with a trigger threshold that can dynamically change with the system behavior is designed, and an ICPS multi-modal integrated safety control architecture that can simultaneously resist asynchronous dual-end DoS attacks and actuator failures is constructed. Secondly, an active-passive collaborative hybrid intrusion tolerance strategy based on data-model linkage is proposed. Then, combined with the idea of “divide and conquer”, a tolerance method for dual-end asynchronous DoS attacks is proposed with the help of a long short-term memory (LSTM) networks and elastic control. Thirdly, the observer and controller are deduced based on Lyapunov stability theory, and then the K-Means++ clustering algorithm and fuzzy fusion method are used to perform weighted fusion of controllers under different modes online, thus realizing soft switching between different control modes. Finally, the effectiveness of the proposed method is verified through a four-tank example. According to the experimental results, the data-model linkage method improves ICPS's resistance to dual-end asynchronous DoS attacks, and the multi-modal integrated safety controller's design enables two-way adaptive cooperative control between the ADETCS and control mode.

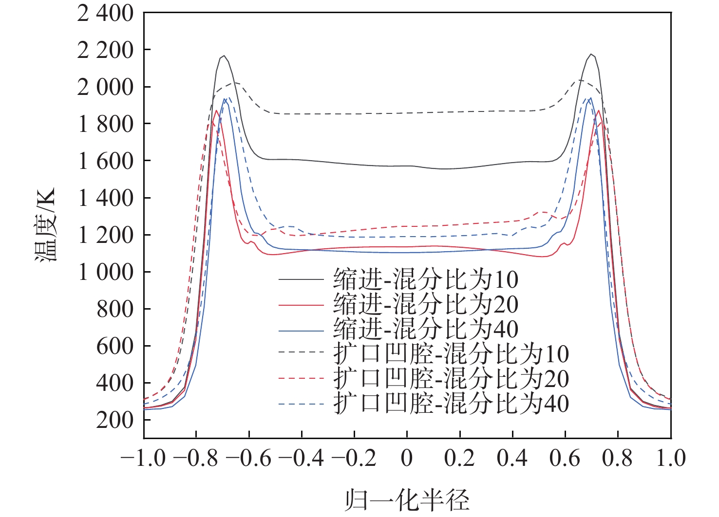
Study on flame stability of oxygen-rich torch igniter
YANG Jinhui, WANG Xijie, XU Shiyang, WANG Xiaoli
2025, 51(10): 3368-3373. doi: 10.13700/j.bh.1001-5965.2023.0528
Abstract:

Flame instability appeared under wide extreme sub-atmospheric conditions with varied inlet propellant temperatures, manifested as inadequate ignition energy, uneven gas temperatures, and excessive gas velocity. This paper investigated three flame stability methods: recess, flared outlet and flared cavity, through experiments and simulations. The flared cavity directs the central gas to mix and react with the cooling hydrogen, which also slows down the mixture and enhances reburning in the recirculation zone. Compared to the recess igniter under extreme conditions, the center gas temperature of the flared cavity increases from 1000 K to 1200 K. The temperature difference from the design point decreases from 100 K to 50 K, and the outlet Mach number decelerates from 1.4 to sonic. The flared cavity significantly improves the flame stability of the oxygen-rich torch igniter.

Adaptive NC process planning approach for pocket features driven by CAD/CAM models
XU Changhong, HUANG Rui, ZHANG Shusheng, LIANG Jiachen, BIAN Rong
2025, 51(10): 3374-3384. doi: 10.13700/j.bh.1001-5965.2023.0564
Abstract:

To realize the effective reuse of existing numerical control (NC) process, an adaptive NC processes planning approach for pocket features driven by computer aided design/computer aided manufacturing (CAD/CAM) models was presented. Firstly, using the medial axis transform (MAT), the deeper NC process information concealed in 3D CAD models was recovered to explain the tool cutting process. Finally, based on the returned similar feature case through retrieval, the corresponding process parameters of the associated CAM model were reused adaptively to generate the NC process for the query feature. According to experimental results, the proposed method could automatically and effectively get the NC process for features and boost the NC process planning's efficiency by over 85%, satisfying the requirements of intelligent NC process planning for entertainment.

Reconstruction measurement method for ramjet nozzle thrust based on PIV
LIU Shun, KONG Xiangrui, XU Jinglei, GAO Bo, LIU Hailong
2025, 51(10): 3385-3391. doi: 10.13700/j.bh.1001-5965.2023.0535
Abstract:

Accurate measurement of the thrust coefficient of ramjet nozzles is crucial. Traditional force balances are highly susceptible to external factors such as ambient noise and signal interference. Therefore, the paper proposed directly obtaining the thrust coefficient based on the definition by measuring the velocity, pressure, and density distributions at the nozzle outlet. A non-intrusive reconstruction measurement scheme based on particle image velocimetry (PIV) was proposed for multiple physical fields and the thrust coefficient of a typical single expansion ramp nozzle under over-expansion conditions. The theoretical accuracy of the reconstruction scheme was comprehensively evaluated using synthetic PIV experiments. The results indicate that the thrust coefficient of the nozzle, measured using the reconstructed multi-physical fields from PIV, is about 0.779, with a relative error of only 1.04% compared to the reference value of 0.771. This confirms the feasibility and accuracy of the proposed method.

Evolutionary game of subsidy strategy on multi-airport route network under homogeneous competition
WU Wei, LIN Zhiyi, WANG Xinglong
2025, 51(10): 3392-3404. doi: 10.13700/j.bh.1001-5965.2024.0477
Abstract:

To enhance the high-quality collaborative development of multiple airports in the region based on differentiated positioning, the impact of airport subsidy strategies on the evolution of the multi-airport route network was studied, and the optimal subsidy strategy was determined. A double-layer evolutionary game model was constructed based on the competitive game relationships among passengers, airlines, and airports. In the upper-level model, the influence of passengers’ self-learning ability on fares was considered, and a passenger Logit choice model incorporating a self-learning mechanism was constructed. The Hotelling model was then used to analyze the impact of fare competition among airlines on the same route on passenger choice behavior, thereby determining the optimal pricing strategy for airlines under competitive conditions. In the lower-level model, the evolutionary game process of competitive choices between airport subsidies and airlines was analyzed based on the replicator dynamic equation. The synergistic effect of the inter-airport collaborative subsidy strategy and the route network was determined.The results show that for airlines transferring routes, the advantageous discount range for attracting leakage passengers is between 0.6 and 0.75. The fare discounts for airlines competing on the same route should be concentrated between 0.6 and 0.85 to avoid the loss of revenue caused by low price competition. Additionally, the optimization of the route network through airport subsidies reveals that each airport has an optimal subsidy range based on its functional positioning.

Performance analysis of two-stage light gas gun based on higher-order code
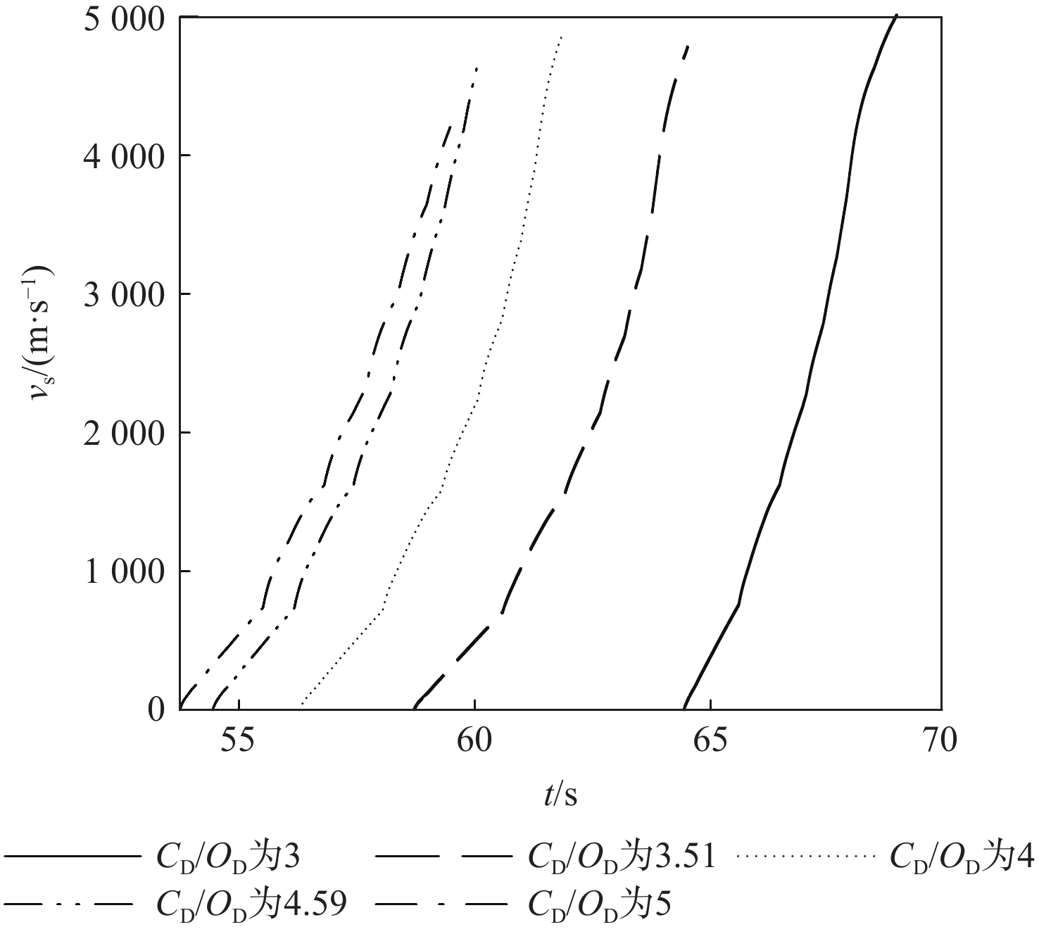
XIANG Gaoxiang, WU Jiahao, WU Mengjia
2025, 51(10): 3405-3414. doi: 10.13700/j.bh.1001-5965.2023.0580
Abstract:

Focusing on the optimization of projectile velocity and energy conversion efficiency in hypervelocity launch technology, this paper uses the classical interior ballistic model to investigate the combustion in the chamber and the piston motion. The two components create a mathematical model for the interior ballistic launching process of a two-stage light gas cannon by describing the flow characteristics in the light gas chamber and the projectile velocity using a dimensional unstable compressible fluid model. The basic equations in the powder chamber are solved numerically with the fourth-order Runge-Kutta method, and the equations in the light gas chamber are solved with the Euler method and the WENO scheme is used to capture the shock wave. The effects of the initial gas injection conditions, light gas chamber size, launch tube size and gunpowder quality on the performance of two-stage light gas guns are studied. It is found that the performance of a light gas gun can be improved obviously by using light gas in the pump tube. The size, diameter and length of the gas chamber have significant influence on the pressure and velocity at the bottom of the piston, while their influence on the velocity of the projectile is small. Increasing the mass of propellant, the size and diameter of the launch tube can significantly increase the velocity of the projectile. This work offers crucial data and theoretical support for the light gas gun's engineering application and experimental investigation.

Non-cooperative automatic docking strategy of propellant umbilical connector for launch vehicle under fluctuating wind load
LI Yongyi, WANG Nan, WU Xinyue, WU Penghui, YAO Bodan
2025, 51(10): 3415-3423. doi: 10.13700/j.bh.1001-5965.2023.0506
Abstract:

To address the challenge of dynamic non-cooperative automatic docking between the umbilical connector and the onboard interface of a launch vehicle under fluctuating wind load disturbances, and to enhance the robustness and response speed of the docking system, this paper first analyzed the workflow of the automatic docking task and proposes a technical scheme composed of a detection module, a control module, and a pose adjustment module. Second, the wind-induced response characteristics of the umbilical arm were analyzed, and its swing behavior under average wind speeds of 10, 15, and 20 m/s was obtained. Finally, a comparative simulation analysis was conducted using conventional PID, PID with disturbance observer, and piecewise PID with disturbance observer control strategies with a co-simulation model. An integrated experimental system for automatic docking was developed to verify the effectiveness of the control strategies. Full-process docking experiments were completed. The results show that the piecewise PID combined with a disturbance observer effectively reduces the impact of umbilical arm swing under fluctuating wind loads, significantly improves tracking performance and docking reliability, maintains tracking errors within ±38 mm, and achieves docking within 3 min under various operation conditions.

Ship track prediction method based on LSTM and nautical chart constraints
ZHAO Rujian, YANG Wei, WU Zhenyu, ZENG Hongcheng, CHEN Jie, MA Lei
2025, 51(10): 3424-3432. doi: 10.13700/j.bh.1001-5965.2023.0516
Abstract:

To address the issues of insufficient trajectory feature extraction, low prediction accuracy, and stability in existing methods for ship trajectory prediction, especially for military ships with sparse points and flexible maneuvering characteristics, this paper proposed an improved long short-term memory (LSTM) artificial neural network ship position prediction method. This approach was based on automatic identification system (AIS) data, considering the multi-dimensional features of the trajectory, inter-trajectory correlation features, and nautical chart constraints (NCC) for ships sailing at sea. For military ship trajectories, historical trajectories were interpolated by cubic spline interpolation to generate equidistant point data for prediction. The navigation area map was rasterized, with navigable grids defined to establish map constraints and improve prediction accuracy. Finally, when designing the LSTM-based network, chart constraints were integrated into the model training and prediction process by using a custom loss function, grid matching for predicted points, and other methods. Simulation results based on AIS data from the South China Sea show that the proposed network can effectively predict ship trajectories, especially for military ships with high maneuverability. The proposed method outperforms traditional prediction methods in both prediction accuracy and stability.

Contamination lock characteristics analysis of fuel metering unit based on OMEGA theory
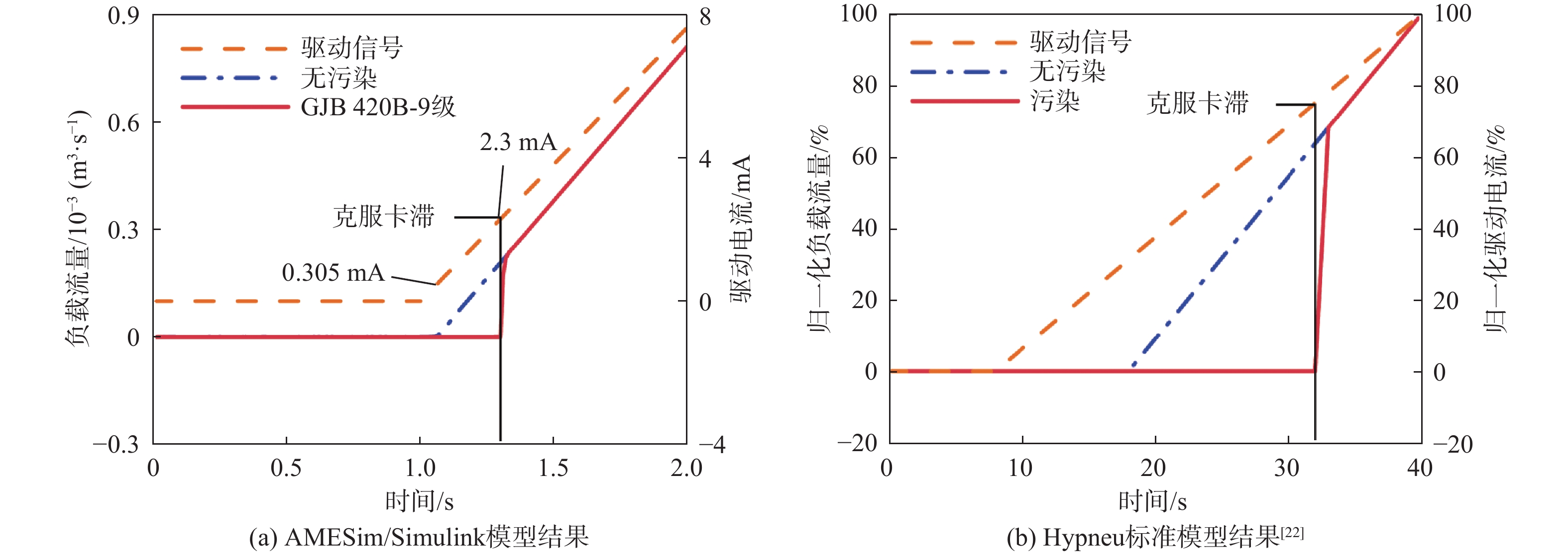
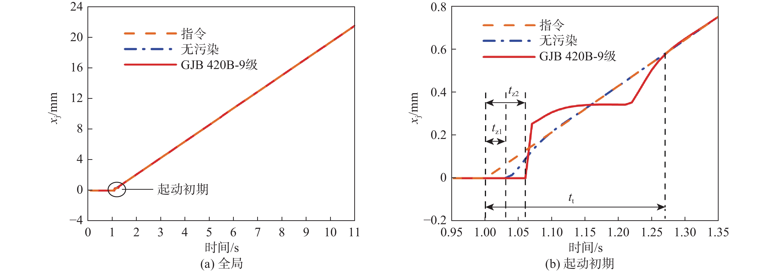
LI Wenqiang, WANG Bin, YANG Junjie, LI Keke, YE Zhifeng
2025, 51(10): 3433-3442. doi: 10.13700/j.bh.1001-5965.2023.0510
Abstract:

To quantify the impact of contamination particles on the operational characteristics of a fuel metering unit (FMU) and to explore an analytical method for the contamination lock characteristics of non-standard fuel components, OMEGA theory was applied to translate the effect of these particles into lock forces on fuel components. A dynamic model for the components and units under fuel contamination conditions was developed. The operational characteristics of an FMU using class GJB 420B-7/8/9 fuel were simulated, and the effects of each fuel class on key components were analyzed. The results show that the load flow response from the servo-valve contamination lock model aligns closely with the standard servo-valve lock model. The maximum lock force of the metering valve reaches 140 N for class GJB 420B-9 fuel. The response time is more than twice as long as that under non-contaminated conditions, and the maximum relative error in the metered fuel increases by a factor of more than four. The method proposed in this paper provides a valuable reference for modeling contamination lock effects in non-standard fuel components and systems.

Bi-modal imaging method for detection of residual core in hollow turbine blades
YU Yangyi, YANG Yigang
2025, 51(10): 3443-3450. doi: 10.13700/j.bh.1001-5965.2023.0526
Abstract:

Residual core inspection is crucial in the production of hollow turbine blades. The e-LINAC-based bi-modal imaging method combines neutron and X-ray imaging along the same optical path, enabling fusion analysis to differentiate between base and core materials based on their properties. This study addresses the beam hardening issue in bi-modal imaging by developing an automatic segmental threshold setting method, which enables a novel automated non-destructive testing approach that does not require prior knowledge of blade geometry or manual intervention, and directly identifies the residual core regions within the blade. When the neutron count per pixel is no less than 104, the error in residual core identification using the bi-modal imaging method does not exceed 1%.

UAV hybrid path planning based on hierarchical deep reinforcement learning
LYU Chao, LI Muchen, OU Jiajun
2025, 51(10): 3451-3459. doi: 10.13700/j.bh.1001-5965.2023.0550
Abstract:

In the application of UAV, it is necessary to realize autonomous and safe flight in a non-clearance environment. For both known and unknown obstacles, it is necessary to carry out autonomous obstacle avoidance for unknown obstacles while making global path planning based on known obstacles. To achieve safe flight in the semi-known obstacle environment, a hybrid path planning method based on hierarchical deep reinforcement learning is proposed, which naturally combines autonomous perception, obstacle avoidance, and global path planning, two sub-tasks that UAV must perform in autonomous flight, to achieve an efficient combination of functions. In the hierarchical deep reinforcement learning model, the obstacle avoidance and navigation sub-task models can be trained separately, and the system state can be abstracted through the two trained models. On this basis, the top-level model can be trained to achieve effective scheduling of the two sub-task outputs. The obstacle avoidance and navigation sub-task models can be trained independently in the hierarchical deep reinforcement learning model, and the system state can be abstracted through the two trained models. It can reduce the difficulty of model training while maintaining the ability to execute the model task.

Trajectory planning and resource allocation optimization in UAV data collection missions
LEI Yaolin, DING Wenrui, LUO Yizhe, WANG Yufeng, LIU Siqi, ZHANG Zhilan
2025, 51(10): 3460-3470. doi: 10.13700/j.bh.1001-5965.2023.0531
Abstract:

A joint optimization method for unmanned aerial vehicle (UAV) trajectory planning and resource allocation based on deep reinforcement learning was proposed to address the challenges of limited battery capacity, limited cache space, and dynamic changes in ground target priorities during data collection tasks in emergency scenarios. First, a mathematical model was developed by considering the communication, computation, flight, and data caching processes in UAV missions. Then, a Markov process model was established for UAV trajectory planning and resource allocation, with corresponding state and action descriptions. A weighted reward function was designed to balance UAV energy consumption and data collection volume. Finally, simulations were conducted to compare the proposed method with greedy algorithms and genetic algorithms. The results show that the proposed method can significantly improve the amount of data collected from ground users within a shorter task time, at a similar or lower energy cost for UAVs.

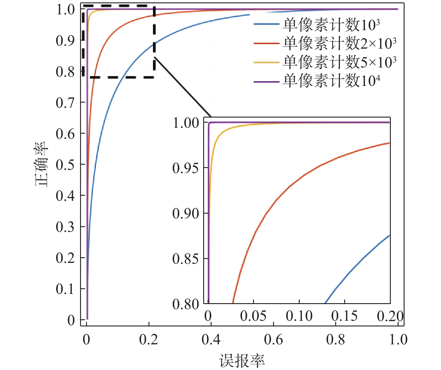
Key points detection method for civil aircraft pilot in complex lighting environments
LIU Hao, SUN Youchao, WU Honglan, ZHANG Haiyan
2025, 51(10): 3471-3481. doi: 10.13700/j.bh.1001-5965.2023.0566
Abstract:

The recognition and monitoring of pilot maneuvering behaviors in civil aircraft based on computer vision is of great practical significance to ensure the safety of civil aviation operations. In this paper, a pilot key point detection model in complex lighting environments is proposed. Firstly, considering the complex lighting environment in the cockpit of civil aircraft, an image brightness adjustment module is proposed. This module increases the retention of image detail features while simultaneously increasing operation speed by hierarchically determining the average value of image brightness and achieving the fusion of image features of varying brightness. Second, given that a higher number of key point localizations are fundamental to accurate behavior recognition, a lightweight pilot limb key point, and hand key point detection network is proposed. The network employs a sequential exchange of attention modules in the high-resolution branch to alleviate the problem of quadratic growth of the computational cost of raw vision attention with increasing input resolution. In addition, the pilot limb and hand key points detection networks are jointly deployed and typical flight maneuvers are selected for experimental validation. In order to establish an interpretable relationship between the methodology and the prediction results, comprehensive ablation experiments are finally carried out to investigate both quantitatively and qualitatively the effects of various components (image brightness adjustment module, order exchange attention module) on the model performance. The proposed model achieves an AP of 81.9% on the pilot limb key point dataset and 72.8% on the MS COCO val 2017 dataset, balancing accuracy and real-time performance.

Performance of low-pressure dual-fluid water mist to reduce thermal runaway risk of ternary lithium-ion battery
ZENG Xiangshu, LIANG Jiaxin, SUN Qiang, HE Yuanhua
2025, 51(10): 3482-3491. doi: 10.13700/j.bh.1001-5965.2023.0520
Abstract:

To address the shortcomings of gas, high-pressure water mist, and other fire extinguishing agents in suppressing lithium battery fires, this paper investigated the low-pressure dual-fluid water mist for ternary lithium-ion battery fire suppression. The effects of low-pressure dual-fluid water mist on the appearance, heat generation inhibition, and electrical performance protection of lithium batteries at different temperatures (90 °C, 145 °C, and 200 °C) before thermal runaway were examined. The results show that under the application of low-pressure dual-fluid water mist, the thickness of the bulge near the pole lugs decreased by 0 cm, 0.01 cm, and 0.15 cm, and the extent of damage to the battery surface was reduced. The temperature of the non-heated surface of the battery decreases the most, by 38 °C, 43 °C, and 31 °C. The battery’s charging capacity increases by 487.54 mAh、4116.69 mAh and 6230.06 mAh, and the discharge capacity increases by 565.07 mAh、4325.11 mAh and 6297.45 mAh. These findings demonstrate that low-pressure dual-fluid water mist not only effectively protects the appearance, morphology, heat suppression, and electrical properties of lithium batteries, but also proves its reliability in inhibiting the thermal runaway process during the early stages.

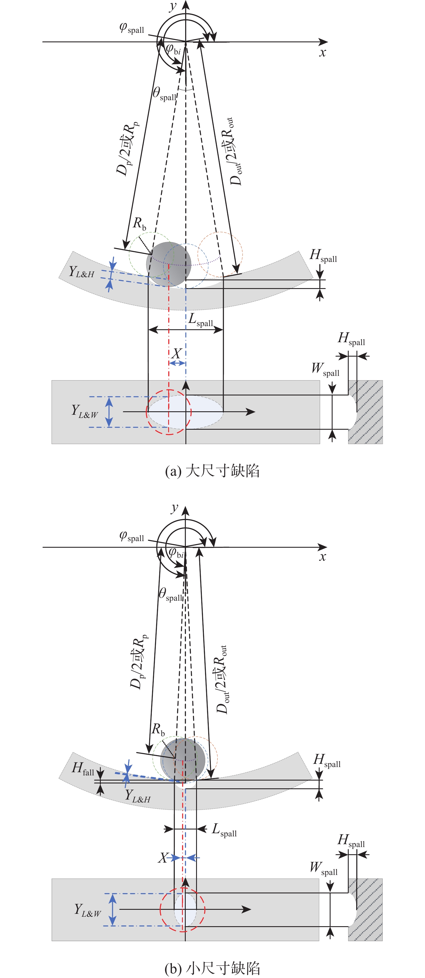
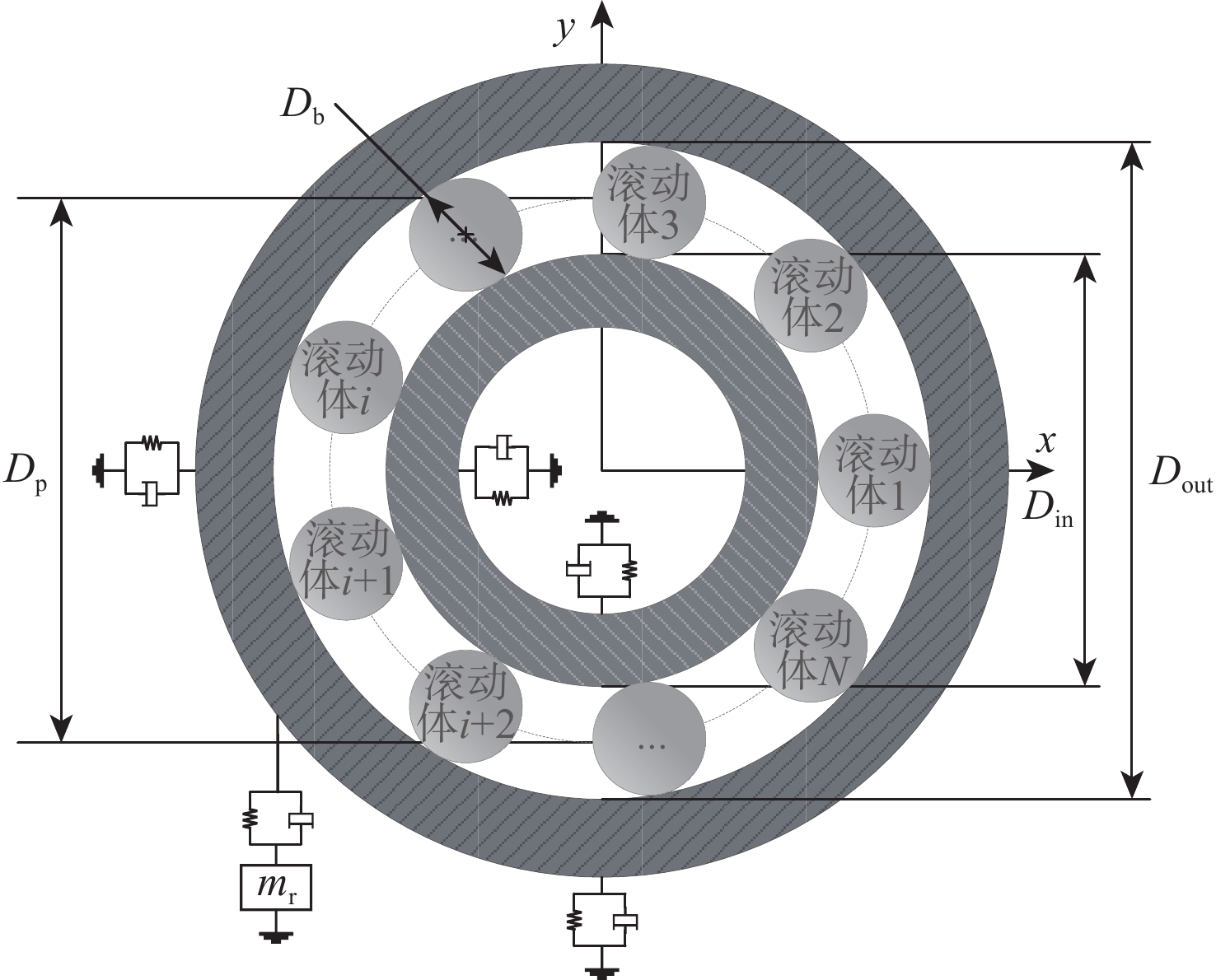
Dynamic modeling and analysis of rolling bearing with raceway spalling defect
WANG Xiao, MA Jun, XIONG Xin, CHEN Jingyu
2025, 51(10): 3492-3503. doi: 10.13700/j.bh.1001-5965.2023.0565
Abstract:

In order to deeply analyze the mechanism of impact vibration response triggered by bearing raceway spalling defects, the construction of dynamic models becomes a necessary and effective means. The dynamic model of a bearing with a raceway spalling defect is constructed by taking into account the three-dimensional size of the defect. This is done in order to address the issue that the defect excitation function in the current bearing dynamic model finds it challenging to accurately describe the actual spalling defect. Firstly, the three-dimensional morphology of the defect is simulated in an elliptical shape. On this basis, the defect excitation function is constructed and integrated into the dynamic model. Secondly, the variation of the additional contact displacement generated during the passage of the rolling element through the defects of different sizes is analyzed. Then, the correctness of the model is verified by simulation and actual experiments, and the relationship between defect size and vibration response is investigated in depth. Finally, the validity and applicability of the proposed model are demonstrated by comparing it with the rectangular excitation function model. The experimental results show that the error between the model, the theory and the measured signal is within ±5%. The change in defect size will cause the change of additional contact displacement, which will lead to a different vibration response of the bearing. The suggested model is capable of accurately simulating the vibration response of rolling bearings with varying sizes of spalling flaws as compared to the rectangular excitation function model. The relevant research results can provide theoretical support for bearing fault diagnosis and performance evaluation.

Active deformation decision-making for four-wing variable sweep aircraft based on LSTM-DDPG algorithm
PENG Yuxiao, HE Zhen, QIU Jingwen
2025, 51(10): 3504-3514. doi: 10.13700/j.bh.1001-5965.2023.0513
Abstract:

This paper presented an intelligent deformation control method based on the long short-term memory (LSTM) deep deterministic policy gradient (DDPG) algorithm, addressing the active deformation control challenges in variable configuration aircraft. A four-wing variable sweep aircraft with a tandem-wing configuration was studied, and its geometric model and aerodynamic parameters were calculated through OPENVSP, which was then used to establish the aircraft’s dynamics model. The LSTM-DDPG algorithm learning framework was designed for the accelerated climb process of the four-wing variable sweep aircraft. Under symmetrical deformation conditions, active deformation decision training was performed for longitudinal trajectory tracking. Simulation results show that the LSTM-DDPG algorithm applied to the active deformation control process converges quickly and achieves higher average rewards. Moreover, the trained active deformation controller exhibits good control performance in the trajectory tracking tasks of the four-wing variable sweep aircraft.

Multi-stage trajectory planning method for hazard zone avoidance under uncertainty based on neural networks
XIE Fanwei, WANG Xugang, GU Zhenzhen
2025, 51(10): 3515-3523. doi: 10.13700/j.bh.1001-5965.2023.0521
Abstract:

The trajectory planning method based on optimal control can maximize the flight capability of ultra-long-range glide-guided projectiles. However, when faced with uncertain battlefield conditions, this numerical method, which is time-consuming and prone to poor convergence, makes online applications difficult. To address this issue, a deep neural network-based trajectory planning method was proposed. This method utilized the non-linear mapping ability of deep neural networks to approximate the pseudospectral method computation model, reducing the computational load on the onboard computer of the projectile. The implementation of the method was primarily divided into two steps. The first step connected pre-contact points in three-dimensional space based on continuity conditions, considering various random states of the projectile and environment, using the multi-stage Gaussian pseudospectral method (MGPM), forming a range-optimal trajectory sample database that satisfies path constraints. The second step involved mapping out the optimal trajectory planning model by having the deep neural network learn the optimal actions of the projectile under different states offline, based on the optimal trajectory data sample library. Simulation results show that the proposed method can quickly generate near-optimal trajectories under random, demonstrating good real-time performance and robustness, making it suitable for solving online trajectory planning problems.

Analytical solutions for ascent trajectory under high angle-of-attack conditions
ZHANG Keyang, WANG Peng, YU Qi, YU Wenbin, CHEN Wanchun
2025, 51(10): 3524-3534. doi: 10.13700/j.bh.1001-5965.2023.0529
Abstract:

To rapidly predict the ascent trajectory of launch vehicles, high-accuracy analytical solutions for ascent trajectory were proposed under high angle-of-attack (AOA) conditions. First, a simplified longitudinal-plane dynamics model with mass as the independent variable was developed. The sine of AOA was innovatively expressed as a polynomial of mass. Due to the high AOA, the simplified dynamics model remains highly nonlinear, which prevents it from being analytically solved directly. Approximate polynomials are introduced to replace the strongly nonlinear but relatively small terms in the original equations through force analysis. Furthermore, the difference between the true values and the approximations was treated as a minor perturbation. The dynamics model was divided into analytically solvable subsystems according to the perturbation theory. Analytical solutions for velocity, flight-path angle, downrange, and altitude were derived by solving the subsystems. Simulation results confirm that the proposed solutions are at least 85% more accurate than existing solutions under high AOA conditions.

Decomposition of logarithm mean square error of weighted geometric mean combined forecasting method
ZHU Shuanglei, CHEN Huayou, ZHANG Qi, WANG Yifan
2025, 51(10): 3535-3546. doi: 10.13700/j.bh.1001-5965.2023.0553
Abstract:

In addition to proposing the ideas of logarithm mean deviation, logarithm explanatory power coefficient, logarithm deviation error variance, and diversity measure of prediction methods, the nonlinear weighted geometric mean combination prediction model was introduced to the logarithm mean square error. On this basis, the logarithm mean square error of the combined prediction is decomposed into three components: the logarithm mean error, the logarithm variance due to the insufficient explanatory power of the model and the logarithm deviation variance based on the logarithm explanatory power coefficient. The source of the logarithm mean square error is discussed theoretically. Simultaneously, the logarithm mean square error of combination forecasting is broken down into the weighted average of the logarithm mean square error of single forecasting methods and the weighted average of diversity measure of forecasting methods. This yields the helpful conclusion that increasing the accuracy of single forecasting methods and the diversity measure level of forecasting methods helps to lower the logarithm mean square error of weighted geometric mean combined forecasting methods. A case study analyzed the influence of the diversity measure of each component and single forecasting method on the logarithm mean square error of combined forecasting.

Research on oxygen consumption based inerting monolithic catalyst reactor performance
GUO Chenyang, LIU Yi, LIU Haozheng, WANG Junjie, GAO jingcheng, FENG Shiyu
2025, 51(10): 3547-3554. doi: 10.13700/j.bh.1001-5965.2023.0562
Abstract:

An experiment of Pd/γ-Al2O3 performance is carried out to get its reaction dynamics function. A two-dimensional monolithic catalyst transient model is established and solved with Modelica. Catalyst transition performance has been studied by simulation. The influence of high temperature and catalyst deactivation on a monolithic catalyst is researched. It was investigated how the reactor was affected by the oxygen content while in flight. The result shows that wall cooling can reduce high temperatures and reactor efficiency at the same time. The catalyst deactivation due to high temperature occurs on the surface near the outlet of the reactor, where the sharpest reaction takes place. Deactivation in Less than half of the catalyst surface area cuts down the efficiency by 80%. The conversion rate of fuel steam can be effectively increased by the increase in oxygen concentration brought on by the loss of pressure during aircraft ascent; however, precautions should be taken to prevent the acceleration of catalyst deactivation caused by high oxygen concentration.

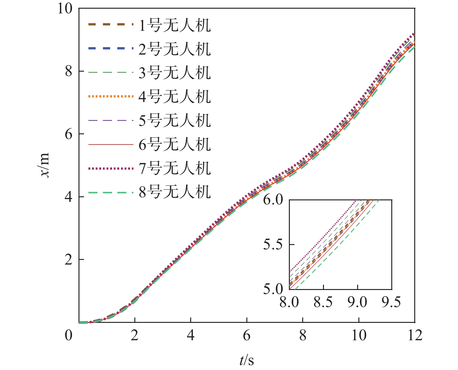
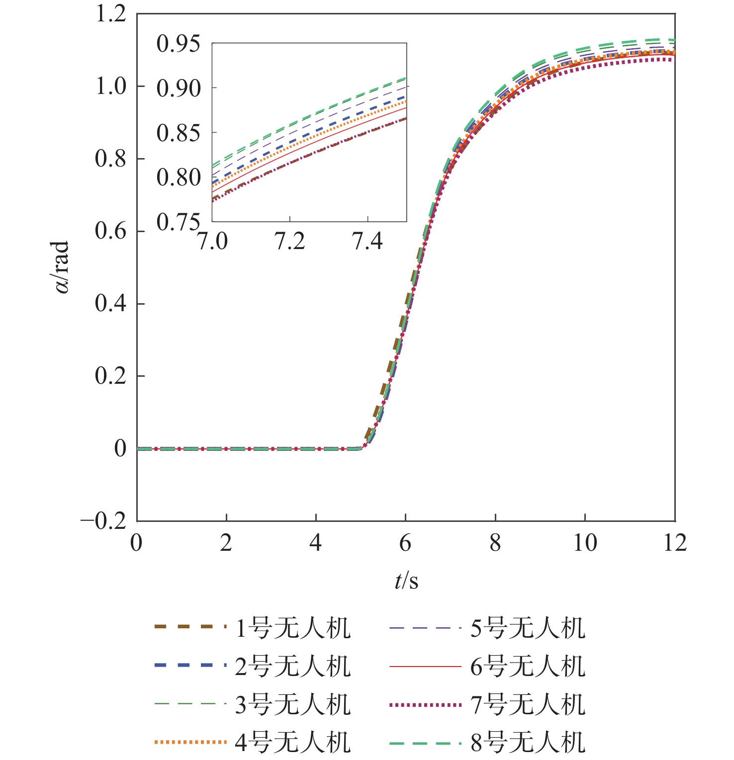
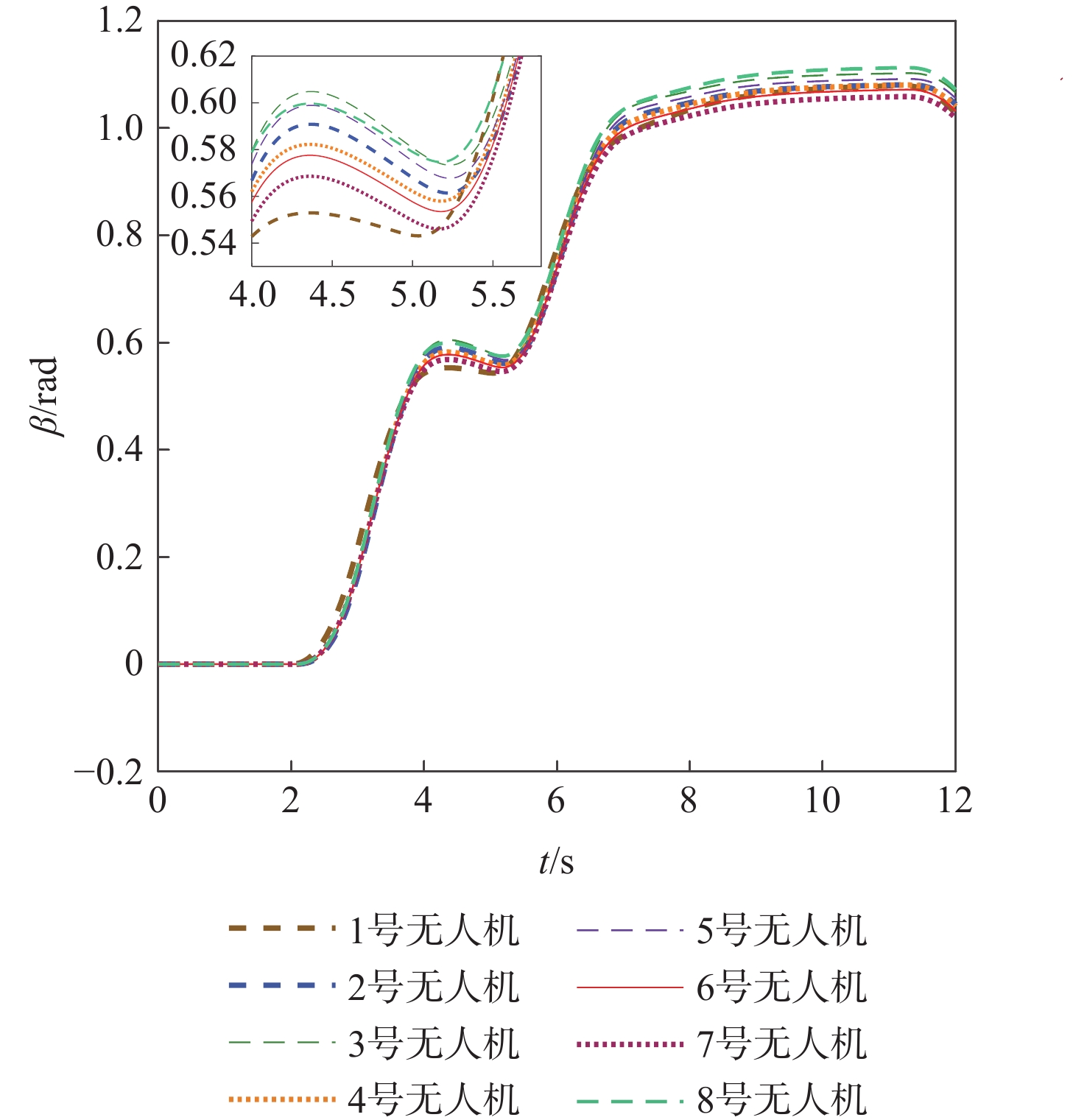
Design of UAV formation-keeping controller based on improved consistency algorithm
WAN Ru, MA Ziyuan, GONG Huajun, WANG Xinhua, ZHANG Shuai
2025, 51(10): 3555-3566. doi: 10.13700/j.bh.1001-5965.2023.0505
Abstract:

This paper conducted in-depth research on the problems of large-gain convergence oscillation and the simultaneous application of translational and rotational motions in traditional consistency algorithms. First, based on the traditional consistent formation algorithm, a virtual leader was introduced, and a new norm was defined to extend the original algorithm, aiming to solve the issue of convergence oscillation caused by large gains in linear consistency algorithms. Second, to address the issue of formation loss during translational and rotational movements, the maximum inter-agent distance was introduced as feedback to the reference controller. This allowed for modification of the reference input trajectory and ensured stable formation tracking during motion. Finally, a joint semi-physical simulation was conducted using the open-source flight control system Ardupilot and the simulation platform AirSim to verify the feasibility of the improved algorithm. The results indicate that the proposed algorithm significantly improves the limitations of traditional consistency protocols and demonstrates good feasibility in practical applications.

Ensemble-based prediction using multi-level degradation parameters for micro direct methanol fuel cells
DONG Jie, SU Yulin, ZHANG Dacheng
2025, 51(10): 3567-3577. doi: 10.13700/j.bh.1001-5965.2023.0517
Abstract:

The deterioration of the membrane electrode assembly in micro direct methanol fuel cells (µDMFC) limits cell efficiency and lifespan. Accurate prediction of the state of health (SOH) and remaining useful life (RUL) is essential for ensuring the safe and reliable operation of µDMFCs in industrial applications. The degradation trend of the output voltage fluctuates depending on the operating conditions. Traditional trend regression methods, however, are inadequate for capturing such stochastic fluctuations. Therefore, an RUL ensemble-based prediction method based on the output voltage and equivalent circuit model (ECM) was proposed under a combination of data-driven and mechanistic models. The degradation covariate of load current was introduced to account for dynamic operating conditions. The load changes in the future were reconstructed using a random process, and combined with the degradation trend of ECM parameters, the accurate estimation of the output voltage and RUL prediction were achieved. The proposed approach was validated using accelerated aging tests under the China light vehicle test cycle (CLTC). Experimental results show that the ensemble-based method can adapt to varying operating conditions. RUL prediction accuracy and precision are 88.18% and 85.71%, respectively, outperforming the best individual model by 3.27% and 14.28%.

A propeller design method considering slipstream effect and its application
CHEN Shengjiu, YANG Youxu, ZHANG Xingcui, WU Yifei
2025, 51(10): 3578-3588. doi: 10.13700/j.bh.1001-5965.2023.0533
Abstract:

Propellers are widely used in distributed electric propulsion aircraft, where a significant propeller-wing aerodynamic coupling effect exists. By changing the axial induced velocity distribution to control the propeller slipstream, the propeller chord length and torsion angle distributions were obtained. An efficient propeller design method considering the slipstream effect was proposed, and the feasibility of the method was verified. The cruise and hover aerodynamic characteristics of the designed propellers in isolated and distributed configurations were calculated and compared with the minimum induced loss method. The results show that, for the same cruising lift coefficient, the efficiency of the designed propeller is 3.4%–6.6% higher than that of the minimum induced loss method. The hovering efficiency of a single propeller is 10.4%–13.5% higher than that of the minimum induced loss method at different rotational speeds. In the distributed configuration, the designed propeller’s hover efficiency is 13% higher than that of the minimum induced loss method. The designed propeller meets its design requirements in both cruise and hover states, maintaining high-efficiency operation.

Tool wear prediction based on attention mechanism and PSO-BiLSTM
YANG Peidong, HUANG Hua, YU Weiwei, GUO Baodao
2025, 51(10): 3589-3598. doi: 10.13700/j.bh.1001-5965.2023.0545
Abstract:

A bi-directional long short-term memory (BiLSTM) neural network optimization end-to-end tool wear prediction method based on attention mechanism (AM) and particle swarm optimization (PSO) algorithm is proposed to address the issues of single monitoring data and poor feature signal processing in tool wear fault diagnosis. Firstly, based on the sensor data, to construct high-quality signal input samples, extract the multi-domain feature. With multi-sensor data to obtain the fused data samples with higher robustness, the Kalman filter is used to fuse the input samples. On this basis, the hyperparameters of the BiLSTM are optimized by PSO, and the neural network model is built according to the optimized hyperparameters. Finally, based on the attention mechanism to give weights to the input influences, the PSO-BiLSTM is improved to obtain a better tool wear prediction. The suggested model's validity and feasibility in tool wear prediction are confirmed by comparative experimental findings, and its accuracy is significantly higher than that of classical deep learning. This approach offers a fresh viewpoint on tool wear prediction.