Current Issue

2026, Volume 52,  Issue 4

Display Method:
Volume 4 Issue E-journal
Volume 52 Issue42026
iconDownload (14100) 353 iconPreview
Research on integrated scheduling of shipboard helicopters sortie operation on amphibious assault ship
HAN Wei, HAN Xiaohua, SU Xichao, WANG Liusong, WU Haonan
2026, 52(4): 973-985. doi: 10.13700/j.bh.1001-5965.2024.0085
Abstract:

Deck operation scheduling is the key technology to improve the sortie rate of carrier-based aircraft. In view of the multi-stage and high coupling characteristics of amphibious assault ship carrier-borne helicopters operation, an integrated scheduling model and optimization algorithm were proposed, which included warehousing and deck transportation, maintenance service support, and sortie departure. First, an integrated scheduling model of carrier helicopter sortie operation was developed based on the resource and logical restrictions of each stage in order to reduce the duration of the sortie. Then, the problem is abstracted as a resource-constrained project scheduling problem with transition times, and a two-segment genetic-neighborhood search algorithm is designed to solve the problem based on a serial schedule generation scheme. Through simulation experiments conducted on the concentrated sortie cases of 12 shipboard helicopters, the effectiveness of the scheduling model and algorithm in optimizing the sortie process was verified. This significantly reduced the sortie preparation time for the helicopter group. Additionally, it was shown that the entire scheduling is more significantly impacted by decisions made during the maintenance service support phase.

Controller fatigue discrimination algorithm based on facial features
WANG Lili, YIN Shuofeng, PAN Yue
2026, 52(4): 986-994. doi: 10.13700/j.bh.1001-5965.2024.0057
Abstract:

A real-time fatigue discrimination algorithm that takes into account the work characteristics of controllers is proposed in order to address the shortcomings of the current fatigue detection through facial information of controllers, such as the algorithm’s low robustness and infrequent integration of the actual scene of control. Firstly, the Attention Mesh algorithm is used to obtain the 3D coordinate information of 468 points on the face, and the thresholds of eye and mouth aspect ratios are calibrated sample by sample using the feature matching method. Secondly, three indicators are introduced, namely, the controller’s on-duty time, the real-time land and air call load, and the number of fatigue events, and these three indicators are dynamically mapped to the fatigue detection window through the exponential decay function and the fatigue frequency ratio of blinks within the dynamic decay time window is calculated through the calculation of the fatigue frequency ratio of blinks within the dynamic decay time window. The fatigue trend indicator is derived by calculating the percentage of blinking frequency within the dynamic decay time window. Finally, the EEG and facial video data of the post-shift control test of 30 mature release order controllers in the control room of a control unit are processed, and the fatigue indicator Fδ, obtained from the facial data, is correlated with the EEG fatigue indicator Fε in the time dimension. The findings demonstrated that the validity and reliability of the suggested algorithms were confirmed, and the overall Pearson correlation coefficients in the bivariate cross-correlation analysis results of the 30 subject samples ranged from 0.462 to 0.785. The Sig. two-tailed significance tests were found at the 0.01 level, indicating a significant correlation.

Short-term load forecasting based on transfer learning and TCN-BiGRU
LIU Jie, ZHOU Bowen, TIAN Ming, HAN Ke
2026, 52(4): 995-1004. doi: 10.13700/j.bh.1001-5965.2024.0056
Abstract:

Electricity load forecasting is of great significance to the stable operation of power systems. For load forecasting, traditional short-term forecasting techniques frequently employ linear regression models, which have low forecasting accuracy due to the models’ inability to incorporate complicated load changes. A temporal convolutional network-bidirectional gated recurrent unit (TCN-BiGRU) model based on transfer learning (TL) is proposed. Highly relevant information is moved into the experimental model using a transfer learning strategy; the data is clustered and analyzed using a K-medoids clustering algorithm; features at various TCN scales are extracted using a parallel convolution strategy; pertinent information is captured using temporal attention (TA); and the TCN training is further extracted using a BiGRU. The non-linear features of the output are further extracted using the dynamic multigroup particle swarm optimization (DMS-PSO) algorithm to optimize and tune the hyperparameters of the network training in order to find the best combination of hyperparameters. The experimental results show that the proposed TL-TCN-BiGRU algorithm reduces mean absolute error (MAE) by 38.6%, root mean square error (RMSE) by 40.7%, mean absolute percentage error (MAPE) by 30.4%, and R2 by 5.3% relative to the gated recurrent unit (GRU).

Large-scale trajectory optimization based on air traffic complexity
WANG Hongyong, HUANG Jiawen, JIANG Gaoyang, ZHONG Fengwei
2026, 52(4): 1005-1014. doi: 10.13700/j.bh.1001-5965.2024.0069
Abstract:

This work provides a large-scale trajectory optimization approach based on air traffic complexity to balance the overall airspace situation under the trajectory-based operation mode. It uses real operation data simulation to verify its effectiveness and optimization effect. Firstly, an air traffic complexity calculation model is constructed based on the potential interaction relationship between flights. Secondly, a multi-objective large-scale trajectory optimization model that meets the operational requirements of air traffic control is constructed based on the air traffic complexity calculation model, and a high-quality genetic solution algorithm is proposed. Finally, using the national flight operation data from June 2019, a simulation simulation of air traffic complexity-based trajectory optimization is performed, and a comparison between conflict-free trajectory optimization and air traffic complexity-based trajectory optimization is conducted. Conflict trajectory optimization is compared and analyzed. The simulation results show that the proposed method can resolve 93.74% of potential conflicts. Compared with conflict-free trajectory optimization, its optimization scheme exhibits less air traffic complexity fluctuations when facing environmental perturbations such as waypoint waiting and area bans. By adjusting 21.11% of the flights, it can reduce the average complexity of each time period by 24.98% on average, and the overall average complexity of the whole day is reduced from 120.52 to 72.82.

Small target detection algorithm for traffic scenes based on improved YOLOv5-s
WANG Kun, FENG Kangwei
2026, 52(4): 1015-1027. doi: 10.13700/j.bh.1001-5965.2024.0003
Abstract:

A traffic scene tiny target detection method based on enhanced YOLOv5-s was presented to address the issue that the properties of small targets in traffic scenes, such as traffic signs and traffic lights, are not readily apparent. Firstly, a feature supplement module (FSM) was designed to supplement the features of the adjacent deep detection layers by further obtaining the shallow details, which effectively improved the detection effect of small targets, and avoided feature redundancy by matrix operation between adjacent layers. Second, in order to reduce feature conflict and improve the effectiveness of the pyramid feature fusion, an effective fusion module (EFM) was created to handle the horizontal shallow feature and the upsampled feature, respectively. Then, the super enhanced intersection over union (SEIOU) loss calculation method was proposed to improve the regression effect and detection accuracy by adding the distance measurement between the main diagonal of the ground truth box and the prediction box. Finally, experiments were carried out on CCTSDB, S2TLD, the Traffic lights dataset and the PASCAL VOC dataset. According to the results, the proposed algorithm’s accuracy has increased by 2.54%, 3.62%, 4.33%, and 2.01%, respectively, and its detection speed has reached 113 frames per second, making it appropriate for detecting jobs in real-world traffic situations.

Model design and aerodynamic characteristics simulation analysis of fold-wing aircraft
HU Wenhua, LIU Wenju, WU Ruiqin, CHEN Sanya, FENG Jingjing, WU Xia
2026, 52(4): 1028-1037. doi: 10.13700/j.bh.1001-5965.2024.0064
Abstract:

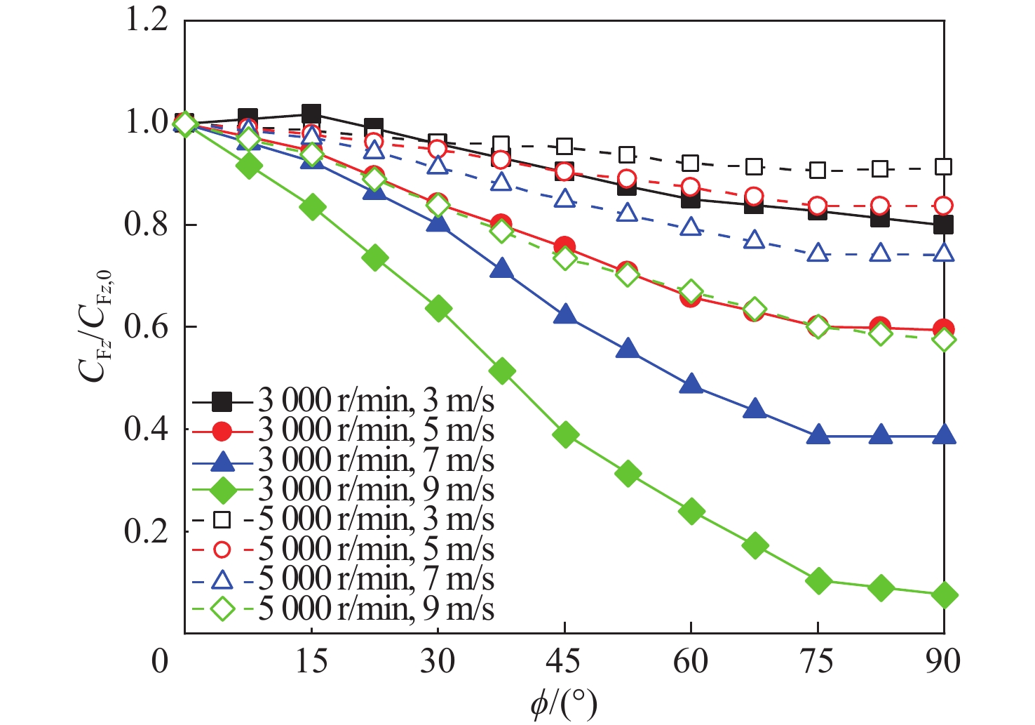
The coupling of configuration change, elastic deformation, and the flow field significantly affects the aerodynamic characteristics of morphing aircraft during flight. Aeroelastic simulations were carried out to take into account the alteration in aerodynamics and elastic deformation of a wing brought about by the folding motion of a fold-wing morphing aircraft. A delta-wing scheme with a blend-wing-body configuration was used to establish a three-dimensional model. A physical model of the fold-wing aircraft was made and the wing's morphing function was verified. Subsequently, a simplified and meshed model was set up for aerodynamic simulations. Using unidirectional fluid-solid coupling simulations, the coupling effects of airflow angle of attack and airflow velocity on the aerodynamic properties and elastic deformation of folding wings were examined. Moreover, a bidirectional fluid-solid coupling simulation was carried out to analyze the influence of folding motion on aerodynamic characteristics of aircraft based on the pressure of the section lines of wings, and to study the coupling effects of changes in wing configuration, flexible deformation and flow field. The research revealed that the aerodynamic characteristics and elastic deformation of a fold-wing morphing aircraft are related to its flow angle of attack, flow velocity, folding angle and folding speed. Additionally, the folding velocity played a crucial role in shaping the aerodynamic characteristics and flexible deformation of the folding wings, with rapid folding leading to more distinct changes than slow folding. These results are of great significance for analyzing aerodynamic characteristics, suppressing flexible deformation, and designing flight controllers for fold-wing morphing aircraft.

Influence of transport aircraft wake vortex on parachute and calculation method of formation airdrop spacing
WEI Zhiqiang, XU Ben, ZHOU Dingfu
2026, 52(4): 1038-1047. doi: 10.13700/j.bh.1001-5965.2024.0067
Abstract:

The pursuit of high efficiency should take into account the risk that the transport aircraft wake vortex poses to the parachute, even though the transport aircraft formation airdrop can carry more equipment and commodities to the designated location in the shortest amount of time. In order to solve this problem, the research on the influence of transport aircraft wake vortex on parachute and the calculation method of formation airdrop spacing is proposed. Firstly, the risk assessment model of the wake vortex encountered during the airdrop parachute landing process was established. Secondly, the danger of the transport aircraft formation airdrop was calculated and analyzed. Thirdly, the safety transport aircraft formation airdrop spacing was calculated and analyzed. The results show that the time of the single file formation airdrop in the wake vortex danger area is 2.0 times that of the herringbone formation airdrop. With the increase of the airdrop altitude, the influence of the four factors of the transport aircraft's flight speed, the radius of the parachute canopy, the time to open the parachute, and the temperature deviation on the time of the airdrop parachute during landing in the wake vortex danger area increases first and then decreases. Three C-17 transport aircraft were airdropped in a herringbone formation when the airdrop altitude changed from 100 meters to 1000 meters. If the left and right spacing is 100 meters, the safe front and back spacing gradually increases with the increase of the airdrop altitude, starting from 500 meters, the airdrop altitude increases by 20 meters for every 100 meters. When the airdrop altitude shifts from 100 to 200 meters, the safe left and right spacing is 100 meters; when the airdrop altitude shifts from 300 to 1 000 meters, the safe left and right spacing is 110 meters if the front and rear spacing is 3 500 meters.

Geomagnetic perception navigation orientation method based on adaptive circular path search
LI Hong, LIU Hengyu, XU Chenyan
2026, 52(4): 1048-1054. doi: 10.13700/j.bh.1001-5965.2024.0011
Abstract:

In both military defense and ocean exploration, autonomous underwater vehicle (AUV) are crucial. To address the navigation issue of underwater autonomous unmanned submersibles in the absence of prior information, a geo-sensory navigation orientation method based on circular arc path search is proposed. By initially creating a geo-sensory navigation model for the car, this technique turns navigation into a multi-objective optimization problem. Secondly, the vehicle follows a circular arc path and perceives the variation trend of the objective function in the path space to determine the target direction. Furthermore, the method achieves the navigation orientation job of autonomous unmanned submersibles by adaptively choosing alternative search intervals to accommodate varied search stages. It is shown through simulated studies that this approach can make it possible for underwater autonomous unmanned submersibles to arrive at the predefined destination area without the need for previous magnetic field maps. By comparing with other search algorithms, the validity and efficiency of the proposed algorithm are validated.

Damage detection method for aero-engine based on FDG-YOLO lightweight model
CAI Shuyu, HE Chong
2026, 52(4): 1055-1063. doi: 10.13700/j.bh.1001-5965.2024.0024
Abstract:

In response to the issues of poor real-time performance and low detection accuracy when deploying deep learning models for aero-engine damage detection on embedded devices, this paper introduces the FDG-YOLO lightweight model for aviation engine damage detection. Firstly, FasterNet was introduced to restructure the backbone network of YOLOv5, addressing the issue of large parameter count in the backbone network. Second, depth-wise separable convolutions were used to eliminate superfluous parameters in the neck network of YOLOv5 by improving ordinary convolutions. In order to improve the model's expressive power and receptive field, the original C3 structure was replaced with the GS C3 structure, which was built concurrently based on GSConv. Finally, experiments were conducted and validated on an aviation engine damage dataset. In the end, experiments were conducted and validated on an aero-engine damage dataset. The findings show that the FDG-YOLO model reduces the number of parameters by 52.5% and the giga floating-point operations per second by 66% when compared to the original model. On embedded devices, the mean average precision (mAP) reaches 89.6%, surpassing other lightweight models. The frames per second achieves 61, making the detection speed suitable for the engine damage image acquisition rate. It more effectively satisfies aero-engine damage detection's intelligent application criteria.

Design and experimental study of an unclosed-loop E×B Hall thruster
ZHANG Guangchuan, WANG Weizong, REN Junxue, WANG Yibai, TANG Haibin, YANG Lijun
2026, 52(4): 1064-1075. doi: 10.13700/j.bh.1001-5965.2024.0041
Abstract:

A common form of sophisticated electric propulsion technology in spacecraft is the Hall thruster. The traditional annular closed-loop Hall thrusters are unable to carry out the 2D distribution diagnosis of plasma inside the discharge channel due to structural limitations. In order to address this issue, an unclosed-loop linear channel E×B Hall thruster with optical diagnostic windows was constructed, the magnetic and flow fields inside the thruster were simulated and evaluated, and magnetic field design principles were suggested. Further, this paper verified the effective plasma confinement and electromagnetic field acceleration by the linear discharge channel configuration through steady-state discharge parameter monitoring, transient discharge oscillation analysis, plasma parameter diagnosis in the beam region, and plasma distribution structure imaging in the ionized region inside the discharge channel. The discharge mode regulation based on the discharge voltage was realized, and the evolutionary tendency of the discharge mode with the propellant flow rate was identified. Finally, this paper successfully obtained the 2D distribution fine structure of plasma inside the discharge channel on the magnetic field configuration profile. In summary, this paper realized the stable discharge and mode regulation of the plasma in the E×B field of a Hall-like thruster under a simple device, combined with the optical diagnosis of the distribution structure of the plasma in the two-dimensional plane, and put forward a new idea for the further microscopic manifestation of the typical discharge oscillation process of a Hall thruster.

Security handover authentication scheme for high-speed railway symbiotic network based on NTRU lattice
CHEN Yong, ZHANG Bingwang, XIN Zhaofeng
2026, 52(4): 1076-1087. doi: 10.13700/j.bh.1001-5965.2024.0010
Abstract:

A high-speed railway symbiotic network security handover authentication scheme based on NTRU lattice is proposed to address the issues of identity leakage, lack of forward and backward security, and high authentication overhead during the evolution of the high-speed railway GSM-R wireless communication system to the next generation 5G-R network during vertical handover. Firstly, a bidirectional authentication mechanism based on NTRU lattice was designed to overcome the vulnerability of identity information SUPI plaintext transmission to leakage. Second, a shared key-based hash chain encryption technique is suggested. To accomplish pre-creation of handover authentication keys, shared key generation and symbiotic network switching token strategies are created, guaranteeing dynamic updates of shared keys and forward and backward security. Then, using the Chinese remainder theorem and timestamp mechanism, the confidentiality of the session key was achieved, and the handover authentication of the symbiotic network was completed. Finally, the security of the proposed method was analyzed using BAN logic theory and TAMARIN protocol simulation verification tools. The findings demonstrate that, in comparison to comparable techniques, the suggested approach guarantees identity anonymity and forward and backward key security, can successfully fend off DoS and man-in-the-middle attacks, has lower switching costs, and can satisfy the demands of seamless handover authentication for high-speed rail symbiotic network security.

Sound event localization and detection network with enhanced feature expression
ZHANG Dongping, FU Zhentao, WANG Zhutao, LIN Lili, WEI Ming
2026, 52(4): 1088-1095. doi: 10.13700/j.bh.1001-5965.2024.0019
Abstract:

To address the problem that traditional deep learning models are difficult to capture the long-context feature correlations in input feature maps as well as the key feature information in channel and spatial dimensions, resulting in high error rates and unsatisfactory performance in sound event localization and detection (SELD). Based on the baseline model SELDnet in the acoustic scene classification and sound event detection challenge, this paper proposes a feature enhanced sound event localization and detection network (FE-SELDnet). In order to address the issue of function failure to backpropagate, which leads to neuron death, it suggests using group normalization and the SiLU activation function; introducing the convolutional block attention module (CBAM) to capture significant features in both channel and spatial dimensions of acoustic features, suppressing superfluous features, improving network sensitivity and accuracy to feature information, and improving information flow; introducing the Transformer module to capture longer speech context feature association and combine local features to improve the accuracy and robustness of the model in sound event detection and localization tasks. The proposed FE-SELDnet significantly outperforms the original baseline network, according to experimental results on the TUT Sound Events dataset. The error rate decreased from 0.45 to 0.326, the SED and DOA scores decreased from 0.45 and 0.32 to 0.26 and 0.25, respectively, and the F1 score increased to 79.4%. The algorithm proposed in this paper has higher superiority.

Visual tracking algorithm based on template updating and dual feature enhancement
DING Qishuai, LEI Bangjun, MOU Qianxi, WU Zhengping
2026, 52(4): 1096-1106. doi: 10.13700/j.bh.1001-5965.2024.0020
Abstract:

Aiming at the problem of tracking failure due to target deformation, flipping and occlusion in visual tracking, a template updating algorithm based on image structural similarity is proposed by dynamically updating the template to adapt to the changes of the target during tracking. The tracking feature enhancement module and segmentation feature enhancement module are also designed based on the SiamMask network. The tracking feature enhancement module consists of non-local operations and convolutional downsampling, which is used to establish contextual correlation, enhance the target features, suppress the background interference, improve the tracking robustness, and solve the feature attenuation problem due to the occlusion of the target. The segmentation feature enhancement module introduces the convolutional block attention module and deformable convolution to improve the network’s ability to capture channel and spatial features, adaptively learn the shape and contour information of the target, and enhance the network’s segmentation accuracy of the tracked target, which in turn improves the tracking accuracy. In comparison to the baseline SiamMask, experiments demonstrate that the proposed algorithm performs well and steadily in solving the aforementioned problems, improving the expected average overlap rate by 0.052, 0.053, and 0.025 and the robustness by 0.06, 0.079, and 0.156 on the VOT2016, VOT2018, and VOT2019 datasets, respectively. It also achieves a real-time speed of 91 frames per second on average.

Dual discriminator fusion of infrared and visible light images for visual saliency enhancement
CHEN Yong, ZHOU Fangchun, DONG Ke
2026, 52(4): 1107-1115. doi: 10.13700/j.bh.1001-5965.2024.0072
Abstract:

In order to solve the problem of unclear edges and missing details in infrared and visible light image fusion, a saliency enhanced dual discriminator generation adversarial infrared and visible light image fusion method is proposed. First, infrared and visible light images are broken down using anisotropic diffusion, while visible light images are improved using local adaptation. Then, visual saliency detection is used to visually enhance the decomposed detail layer image and the base layer image. Next, a dense connected DenseNet generator model is designed to perform feature learning on visually enhanced images. Finally, the fusion result is obtained by competing with the dual discriminator game. Experimental results demonstrate that the suggested approach has more precise information and performs better than the comparison algorithm in both subjective and objective assessments when compared to ten fusion techniques in a public dataset. Compared with the FusionGAN algorithm, the proposed method has improved objective evaluation indicators such as information entropy, spatial frequency, structural similarity, and standard deviation by 7.4%, 58.8%, 25.5%, and 35.7%, respectively.

Intelligent representation method of shale pore structure based on semantic segmentation
LIU Xi, REN Yili, WANG Wenjie, HUANG Ruiqi, SU Qianxiao
2026, 52(4): 1116-1128. doi: 10.13700/j.bh.1001-5965.2024.0018
Abstract:

The enrichment and migration of reservoir fluids are affected by the types and structural parameters of shale pores, which are significant components of shale reservoir evaluation. Due to issues with current assessment methods, including high subjectivity, low efficiency, and low degree of quantification, it is challenging to address the urgent needs of quick and accurate examination of shale samples. Based on this, an intelligent characterization method for shale pore structure based on semantic segmentation is proposed. Firstly, the two-dimensional gray images of shale are obtained by scanning electron microscopy (SEM) and multi-scale acquisition and processing software (MAPS). Secondly, these images are annotated by the rock mineral identification experts, and divided into organic pores, inorganic pores, fractures and organic matter. Then, a combination network Shale Seger and its training paradigm for shale pore structure analysis tasks is innovatively proposed, an intelligent recognition model of shale pores based on deep learning is constructed, as well as, a pore recognition scheme of super large image based on multi-view mosaicisis established to extract pore from MAPS images. Lastly, intelligent characterisation of pore structural features is achieved by applying image processing techniques. As of right now, this study has produced a quantitative analysis of the Gulong shale's pore structure that can statistically compute pore structure parameters like pore diameter, apparent pore ratio surface, shape factor, and so forth, as well as automatically determine the area proportion of each type of pore based on pore edge extraction and type recognition. In addition, the technique described in this article can also be extended to the evaluation of CO2 composite fracturing, through which the change of microstructure characteristics before and after CO2 composite fracturing can be quantitatively compared.

SAR remote sensing image change detection method based on local space deep feature
ZHANG Yitian, ZHAO Jing, CHEN Jiangyang, LUO Xiling
2026, 52(4): 1129-1138. doi: 10.13700/j.bh.1001-5965.2024.0152
Abstract:

This research offers an image change detection strategy based on convolutional-wavelet neural networks based on Laplace support vector machine (LapSVM) (CWNLSN) to enhance the generalization and robustness of convolutional neural network (CNN) in change detection applications. Firstly, by using the sample labeling method, high confidence "pseudo labels" are obtained, and the network training set, classification training set, and test set are divided. Secondly, discrete wavelet pooling is used to retrieve local space deep characteristics in CNN. Then, design a local space deep feature classification (LSDC) module based on LapSVM to classify the deep features and distinguish the changed information in the test set. Finally, comparative experiments and ablation experiments were conducted on multiple sets of real remote sensing datasets for testing. The results indicate that the proposed method achieved a more significant change detection effect.

Light-weight BiLSTM-based data association algorithm between echoes and tracks for multi-radar multi-target tracking
DAI Rui, LI Jie, HE Lihuo, GAO Xinbo
2026, 52(4): 1139-1147. doi: 10.13700/j.bh.1001-5965.2024.0013
Abstract:

This paper proposes a data-driven algorithm, i.e., a light-weight bi-directional long short-term memory (BiLSTM) network-based intelligent data association between echoes and tracks for multi-radar multi-target tracking, in light of the issue that data association is prone to error and that exact modeling-based algorithms have enormous computational costs for multi-radar multi-target tracking in dense clutter environments. The first step is to build the multi-radar association matrix, whose constituent is the association result between target tracks and radar echoes. Based on multi-radar echoes and predicted measurements, the distance tensor is designed based on max-min normalization. The light-weight BiLSTM networks-based multi-radar multi-target data association network is put forward, by taking the above normalized distance tensor and multi-radar association matrix as the input and output. And the measurement corresponding to the maximum probability is treated as the associated one to update every track through implementing a Kalman filter for each radar. The simulation results of multi-radar tracking multi-target in dense clutter environment show that the association accuracy and tracking precision of the proposed algorithm are similar with those of the centralized joint probability data association filter, which are much better than those of probability data association filter, nearest neighbor data association filter, fully connected layer-based data association filter and long short-term memory (LSTM) networks-based data association filter. Furthermore, compared to the centralized joint probability data association filter, which is nearly equal to the nearest neighbor data association filter, the proposed algrithm’s average running time is significantly shorter.

Quasi-periodic orbits near 2∶1 resonant DRO in the four-body problem
WANG Ming, YANG Chihang, ZHANG Hao
2026, 52(4): 1148-1159. doi: 10.13700/j.bh.1001-5965.2024.0061
Abstract:

The 2∶1 resonant distant retrograde orbit (DRO), owing to its long-term stability and extensive global accessibility in the Earth-Moon space, holds strategic significance in contemporary space exploration missions. Investigations of quasi-periodic orbits near two distinct configurations of the 2∶1 DRO were carried out in the bicircular restricted four-body problem (BCR4BP) in order to better understand the phase space structure near the 2∶1 DRO and offer more parking orbit alternatives. Firstly, addressing the complexity in the numerical continuation of quasi-periodic orbits, an adaptive continuation scheme was proposed. This approach ensures the overstep of the resonance region while maintaining torus accuracy by automatically adjusting the continuation step size and the number of discrete nodes representing the torus. Based on this scheme, we computed quasi-periodic families near the 2∶1 DRO for both configurations in the BCR4BP and conducted a comprehensive analysis of their stability characteristics. The simulation results demonstrate the efficacy of the proposed method in differentiating and handling issues related to insufficient sampling orders and resonance singularities, yielding a more complete set of orbit families.

Design of tracking telemetry and command signal based on prolate spheroidal wave functions waveform forming
XU Zhichao, LU Faping, KANG Jiafang, AN Qi, ZHANG Zhilin, YANG Dongkai
2026, 52(4): 1160-1169. doi: 10.13700/j.bh.1001-5965.2024.0068
Abstract:

Enhancing the signal waveform's power efficiency and information transmission efficiency is one of the issues in tracking, telemetry, and command (TT&C) system waveform design. It is found that the basic characteristics such as biorthogonal, optimal time-frequency energy aggregate, and spectral controllable of prolate spheroidal wave functions (PSWFs) make it be a reliable candidate for TT&C signal waveform design. In this paper, PSWF are introduced into TT&C signal waveform design, and a four-dimensional unified spread spectrum TT&C signal waveform design method based on PSWF waveform shaping is proposed. This new idea, by using high-energy aggregation PSWF as waveform shaping functions, can obtain higher power efficiency and information transmission rate, better anti-interference and anti-interception capabilities. It provides a better waveform scheme for the design of TT&C signal waveforms. For instance, the suggested approach can boost the spread spectrum gain by 3.44 dB and the information transmission rate by one when compared to conventional TT&C signals based on rectangular pulse functions under the same system error performance.

Mechanism of anomalies in operational amplifier induced by proton deep charge-discharge effects
YUAN Runjie, CHEN Rui, HAN Jianwei, XIA Qing, WANG Xuan, CHEN Qian
2026, 52(4): 1170-1179. doi: 10.13700/j.bh.1001-5965.2024.0060
Abstract:

When solar protons and galactic cosmic rays, the primary radiation environments in deep space, accumulate in the dielectric material, they can cause spacecraft electrostatic discharge induced by charging (SESD), which can cause abnormalities in electronic devices. The LM124 integrated operational amplifier are used to study the characteristics of anomalies. The H-simulation program with integrated circuit enphasis (HSPICE) simulation is used to study the SESD sensitive region and mechanism of anomalies. The findings suggest that the output pin may experience transients due to the SESD transient. The amplitude of the output transient is positively associated with the amplitude of the SESD transient, and the duration of the output transient is associated with the circuit operating state. The negative power pin is the SESD sensitive region. The current transient in the input-control transistors and gain transistors caused by SESD induces output voltage anomalies.

Few-shot entity linking prediction based on Graph-Transformer network
YANG Rongtai, SHAO Yubin, DU Qingzhi, LONG Hua, QI Yuting, ZHANG Feng
2026, 52(4): 1180-1188. doi: 10.13700/j.bh.1001-5965.2024.0023
Abstract:

In the context of small sample scenarios, entity linking prediction aims to infer missing entities in query triples using a few reference triples. Nevertheless, the graph structure information of nodes in the entity encoding step is disregarded by popular entity linking prediction techniques. To address this issue, a Graph-Transformer network (GTNet) is proposed. In order to improve entity representation, we first create a structure-aware graph pooling layer that learns and fuses node graph structure information. The entity pair embeddings are then created by concatenating the head and tail entities, and their prototype embeddings are obtained by projecting reference entity pairs into a semantic prototype space. Finally, we calculate the similarity between the entity pair embeddings of the query and the reference entity pair prototype embeddings, and use this similarity as the link prediction score. Experiments on the NELL-One and Wiki-One datasets show that our proposed model outperforms the best baseline models by 0.012, 0.015, 0.028, 0.023 and 0.012, 0.05, 0.033, 0.031 in terms of mean reciprocal ranking (MRR), Hits@10, Hits@5, and Hits@1 metrics, respectively. This shows that by mining the graph structure information of nodes, our model may improve the entity representation ability, effectively predicting missing entities in triples and demonstrating improved generalization.

Visual-inertial navigation method based on semantic segmentation and geometric constraints in dynamic environment
ZHANG Wenke, HAN Peng, FENG Yu, GAO Dong
2026, 52(4): 1189-1198. doi: 10.13700/j.bh.1001-5965.2024.0016
Abstract:

In the actual simultaneous localization and mapping (SLAM) application scenario, in order to solve the problem that a large number of imaging feature points of moving objects participate in feature tracking, which reduces the accuracy and robustness of the algorithm, as well as the problem that the traditional dynamic SLAM scheme with the strategy of eliminating dynamic features has insufficient residual static features and affects the SLAM effect, a dynamic vision-inertial integrated navigation method based on semantic segmentation and geometric constraints is proposed. A priori dynamic masks are created using the semantic segmentation network and the dynamic trust degree of various object types. Feature points are then extracted using an improved method of suppressing prior dynamic features. The real dynamic of feature points is then assessed using inertial measurement unit (IMU) pre-integration in conjunction with geometric constraint technology, and a feature point elimination strategy is developed for elimination. Finally, the remaining static feature points are used for tracking and positioning. Compared with the ORB-SLAM3, the positioning accuracy of the algorithm is improved by 73.05% on average in the indoor dynamic scene dataset TUM, and 19.85% in the outdoor dynamic scene dataset KITTI. Additionally, the accuracy is higher than that of the conventional dynamic SLAM approach.

A low-dose CT deep unfolding network based on a sparse transform priors constrain
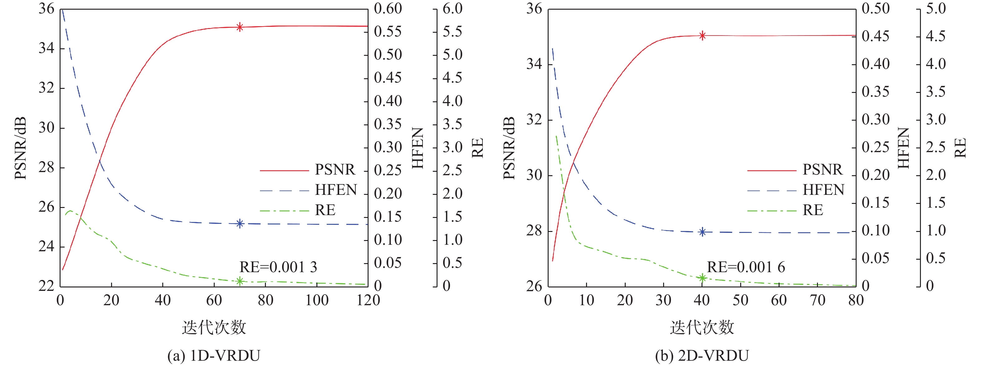
WANG Yue, ZHANG Xiong, SHANGGUAN Hong, CUI Xueying, ZHANG Pengcheng, GUI Zhiguo
2026, 52(4): 1199-1210. doi: 10.13700/j.bh.1001-5965.2024.0049
Abstract:

Deep iterative unfolding networks have garnered a lot of attention lately because of their great learning capabilities and good interpretability. The regularization terms in existing CT image reconstruction methods mostly focus on information within a specific domain, leading to issues such as edge blurring and information loss in the reconstructed results. Therefore, a sparse transform prior constrain based deep unfolding network is proposed for sparse-view CT reconstruction. Two regularization terms with complementary information—transform-domain sparse regularization and pixel-domain consistency regularization—are created in consideration of the important roles that both pixel-domain and transform-domain information play in picture reconstruction. Based on these, the objective function for sparse-view CT reconstruction is redesigned. Furthermore, a new deep unfolding network for iterative reconstruction of low-dose CT is created by mapping a set of constraint relationships established from an iterative optimization solution for the constructed objective function. Experimental results demonstrate that the algorithm presented in this paper achieves a great improvement on average peak signal to noise ratio (PSNR) and visual information fidelity (VIF) compared to the classical FISTA algorithms.

A symplectic pseudo-spectral successive convex optimization method for trajectory planning of ascent stage of exo-atmosphere launch vehicle
CHEN Hongkun, TAN Shujun, CUI Mengzhen, LIU Yuxi
2026, 52(4): 1211-1220. doi: 10.13700/j.bh.1001-5965.2024.0052
Abstract:

In order to improve the computational efficiency and convergence of the algorithm, this paper derives the pseudo-spectral discrete Lagrange equation based on Lagrange mechanics, discrete mechanics and optimal control (DMOC) calculation method, combining with the advantages of high accuracy of the pseudo-spectral method. In conjunction with the successive convex optimization technique, a symplectic pseudo-spectral successive convex optimization-based trajectory optimization method is suggested. By significantly reducing the dimension of the discrete system’s state variables, the symplectic pseudo-spectral sequential convex optimization method can considerably increase convergence and computational efficiency while maintaining the structural features of the original continuous system. In contrast to the classical pseudo-spectral successive convex optimization method, the simulation results demonstrate that the symplectic pseudo-spectral successive convex optimization method has a good adoptability to the initial disturbance and can significantly increase computational efficiency without sacrificing accuracy.

Dynamics modeling and active disturbance rejection control method of translation in a magnetically suspended universally stabilized platform
DUAN Leqiang, LI Lei, WANG Weijie, ZHU Hongye, PANG Weikun, REN Yuan
2026, 52(4): 1221-1231. doi: 10.13700/j.bh.1001-5965.2024.0065
Abstract:

In response to the urgent demand for high-precision and high-stability pointing control technology of satellite platforms for complex space missions such as space laser communication, research has been conducted on the configuration design and control method of a spherical magnetically suspended universally stabilized platform (MSUSP). Firstly, the omnidirectional stable suspension characteristics of the MSUSP were analyzed, and a space structure with a right-angled equilateral triangular pyramid configuration was designed. Coordinate transformation was used to decouple the magnetic bearing rotor translation, and a three-degree-of-freedom dynamic model of the spherical magnetic bearing was created. Based on this, in order to achieve stable control of the magnetic bearing rotor under external disturbance conditions, a three-channel self-disturbance rejection controller based on coordinate transformation was designed, which treated the unmodeled dynamics and external disturbances between each channel as merged disturbances for tracking and compensation, thereby improving the speed and stability of the controller under disturbance conditions. The effectiveness and superiority of the suggested method were demonstrated by the analysis of simulation results, which revealed that this method significantly improved the anti-interference performance of the magnetic bearing rotor under various frequency sinusoidal disturbances and reduced the step response time for translational motion by 42.86% when compared to traditional methods.

Automatic selection algorithm of interpolation points on aeroelastic coupling interface
LI Hao, ZHANG Xiaorong, SUN Yan, DENG Yanzeng, ZHU Zhimao
2026, 52(4): 1232-1241. doi: 10.13700/j.bh.1001-5965.2024.0079
Abstract:

The method of selecting partial grid points on the coupling interface to build the interpolation matrix of coupling data is typically used in aeroelastic modeling in order to decrease the interpolation matrix’s scale and increase its efficiency. Now, the selection of the interpolation points from the coupling interface is achieved manually and has issues of high time cost, wrong selection or missing selection when the number of grid points is large. In order to solve the problem caused by manual selection, a two-step automatic selection algorithm of the interpolation points on the coupled interface, which is based on the extraction and reduction of boundary grid points, is presented. Firstly, the adjacent information of grid elements is reconstructed through the node index data of each element in the structural finite element model. The grid points are classified into boundary and interior points with the use of the adjacent information and the boundary grid points are extracted directly. Secondly, the boundary grid points are reduced to create the coupling interface’s interpolation point set using the greedy algorithm and radial basis function (RBF) interpolation, which is frequently used in grid deformation. The grid point with the largest interpolation error is then gradually added to the point set. Finally, the automatic selection algorithm is tested to investigate the influence of parameters through the flying wing case and applied to the static aeroelasticity simulation of AGARD445.6 and DLR-F6 models. The test and simulation data demonstrate that the present algorithm can construct the interpolation point set of the coupling interface automatically and obtain approximate simulation results as manual selection.

Adaptive model predictive control for hypersonic morphing vehicle
GE Jianhao, GUO Jie, WANG Haoning, ZHANG Baochao, WAN Yangyang, TANG Shengjing
2026, 52(4): 1242-1253. doi: 10.13700/j.bh.1001-5965.2024.0081
Abstract:

The attitude control system is affected by hypersonic morphing vehicles due to complex disturbances, unknown dynamics, and state constraints. To address these problems, an adaptive model predictive control (MPC) system is proposed in this paper. Focusing on the low aerodynamic character of traditionally combined aircraft, a hypersonic morphing waverider is designed to achieve higher flight performance, and a control-oriented model is established for attitude control. Furthermore, in order to solve the problems of state constraints, including rudder and angular velocity limits, a MPC method is used to optimize the control command online. However, a model predictive controller based on a fixed control parameter usually faces performance degradation under time-varying parameters perturbation. A proximal policy optimization (PPO) agent is designed to adaptively output control parameter online. In addition to improving control accuracy and saving computational resources, the developed controller can accomplish high performance control under aircraft state limitations. Simulation results prove the effectiveness and superiority of the method.

Failure mode of composite laminated plates under compression-shear loading
PIAN Rong, YANG Fan, ZHANG Ling, LIU Fengrui, WANG Linjuan, ZHAO Libin
2026, 52(4): 1254-1260. doi: 10.13700/j.bh.1001-5965.2024.0084
Abstract:

Under compressive and shear pressures, composite laminates, which are crucial load-bearing components in airplanes, are vulnerable to buckling or overstress failure. In this paper, the theoretical analysis methods for buckling and first-ply-failure were adopted to predict the failure of composite laminated plates. The investigation was carried out on graphite/epoxy plates, with different load ratios, side length ratios, side length-thickness ratios, and lay-up angles. Two failure categories’ occurrence sequence as well as the failure loads’ variance were found. It is revealed that buckling and first-ply-failure occur in different orders under various load ratios. The load ratio ranges corresponding to buckling and first-ply-failure are affected by the side length ratio, side length-thickness ratio, and lay-up angle of the plate. The buckling mode is primarily influenced by the load ratio, side length ratio and lay-up angle, while the first-layer-failure mode is mainly affected by the load ratio and lay-up angle.

Influence mechanism of gas components on wall heat flux and skin friction
ZHANG Xu, ZHAO Rui, LI Yu, YANG Guang, WANG Liyan
2026, 52(4): 1261-1268. doi: 10.13700/j.bh.1001-5965.2024.0009
Abstract:

One way to address the thermal protection issue of hypersonic vehicles is through wall mass injection, which can successfully lower skin friction and wall heat flow. The effects of three distinct gases (pyrolysis gas, water vapor, and carbon dioxide) on aerodynamic force and thermal characteristics are compared and analyzed, and the numerical simulation of mass injection on the heat flux and skin friction of the wall is investigated using a two-dimensional blunt wedge as the calculation model. It is possible to determine that the pyrolysis gas injection lowers the convective and diffusion heat flux by splitting the heat flux into these two categories. Both carbon dioxide injection and water vapor enhance the diffusion heat flux while decreasing the convective heat flow. The effect of water vapor raising the diffusion heat flux is more noticeable, leading to an increase in the overall heat flux. Additionally, by lowering the velocity gradient close to the wall, all three gases can lessen the skin-friction of the wall, with pyrolysis gas injection having a greater impact.

Infrared small target detection based on dual-domain and global context feature extraction
REN Yong, DUO Lin, XU Boyu, YANG Xin
2026, 52(4): 1269-1278. doi: 10.13700/j.bh.1001-5965.2024.0048
Abstract:

Aiming at two inherent problems in single frame infrared small target detection (ISTD): The small target lacks local information such as color, texture and shape; The small targets are readily lost during the continuous down-sampling process that yields high-level semantic information and the global receptive field. A double-domain and global context feature extraction network (DDGC-FENet) that is both precise and quick is suggested. The model includes a dual-domain feature extraction (DDFE) module and a global context feature extraction (GCFE) module. The DDFE module simultaneously learns the local contrast information of the small target and the background in the spatial domain and the frequency domain, so as to separate the target from the background. The GCFE module can globally model the feature map after multiple down-sampling to extract the global context and prevent the loss of target features in the deep layer of the network. Furthermore, the model fuses low-level and high-level features from both row and column directions using a two-way attention fusion (TWAF) module. The suggested approach outperforms cutting-edge techniques like AGPCNet, DNANet, and ISNet in terms of mIoU, nIoU, and F1, according to experiments conducted on a number of public datasets.

Remaining useful life prediction of variable-operating turbofan engine based on VMD-CNN-BiLSTM
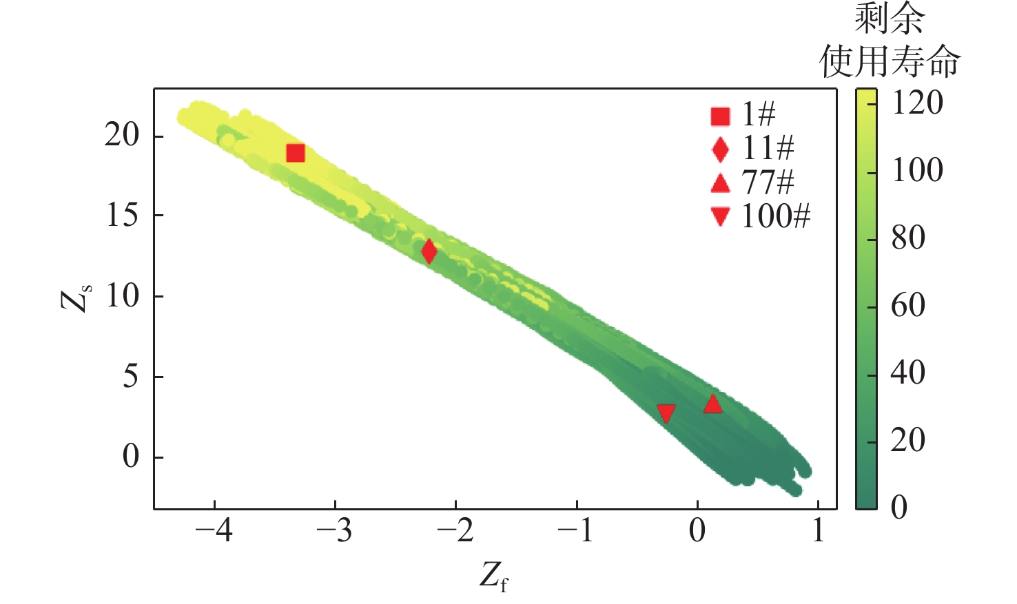
ZHANG Luyihang, YANG Yanming, CHEN Yongzhan, LI Junliang, DAI Haomin
2026, 52(4): 1279-1289. doi: 10.13700/j.bh.1001-5965.2024.0051
Abstract:

In order to address the issue of low prediction accuracy in traditional forecasting methods for residual life of turbofan engines under variable working conditions, a variational mode decomposition convolutional neural network bidirectional long short term memory (VMD-CNN-BiLSTM) model is proposed. Firstly, variational mode decomposition (VMD) is used to normalize the data and split it into sub-data at predetermined intervals. This allows for the thorough extraction of hidden temporal features in multidimensional data as well as the removal of singular samples and dimensional variations. Secondly, a VMD-CNN-BiLSTM model is constructed for predicting the residual life of turbofan engines under variable working conditions. The convolutional neural network (CNN) is employed for feature extraction and fusion to generate multiple mappings. These mappings are then input into the BiLSTM network to capture time dependencies in the time series data and produce accurate predictions of remaining engine life. Finally, hyperparameter optimization using the Sparrow algorithm enhances the prediction performance of the model. As shown by root mean squared error (RMSE) values of 13.74±0.51 and mean absolute error (MAE) values of 11.24±0.49 when predicting remaining engine life under variable operating conditions, experimental results on the commercial modular aero-propulsion system simulation (C-MAPSS) dataset show that VMD-CNN-BiLSTM achieves high accuracy and generalization performance even with noisy data.

Human 3D posture detection and modeling based on automatic variational correction in multi-vision
ZHAO Xiaodong, CHEN Kai, HUANG Yujie, WANG Pengfei, WANG Ziyuan
2026, 52(4): 1290-1299. doi: 10.13700/j.bh.1001-5965.2024.0070
Abstract:

This paper proposed a method for detecting 3D pose points inside the human body based on skin multi-person linear (SMPL) model and mapped 2D pose points inside the human body from multiple perspectives to 3D pose points in real scenes using a clustering algorithm in order to address issues such as continuous modeling jitter and local distortion of model results caused by the existing methods of constructing 3D human body models based on 2D human body surface pose points. The Kalman filter is introduced to denoise the attitude points of the human body. In the process of constructing a human 3D model based on 3D pose points, this paper corrects the gradient descent regression network based on an automatic variational method and constructs an end-to-end human 3D modeling network SMPL-VAE, which is more in line with the local modeling of human motion structure while maintaining the overall proportion. The test on the open data set Shelf revealed that the attitude points could be correctly matched for various targets, and the mean position error per joint (MPJPE) was improved by 3.88, 7.56, 12.88, respectively, compared with other methods. Additionally, the percentage of correct key points (PCK) was improved by 3.5, 6.91, and 9, respectively, compared with other methods.

Strain transmission mechanism of space solar cells
GAO Hongxin, ZHAO Shougen, ZHU Jialin, YU Yihao, LIU Xin, YANG Letian
2026, 52(4): 1300-1305. doi: 10.13700/j.bh.1001-5965.2024.0074
Abstract:

Space solar cells are critical components of aerospace energy systems. The strain they experience is primarily transmitted from the solar array substrate through the adhesive layer. Accurately characterizing the strain transfer from the substrate to the cell is crucial for understanding the mechanical resistance performance of space solar cells. This paper establishes a theoretical model for strain transfer in space solar cells based on shear-lag theory. It provides data for both uniform and typical non-uniform strain fields and theoretically examines the strain transmission mechanism in space solar cells. The model’s validity was confirmed through ANSYS finite element analysis and physical experiments, demonstrating the correctness of the theoretical model. The study also investigates how the physical and geometric characteristics of space solar cells impact the strain transfer rate, offering a theoretical basis for their design.

Longitudinal control of fixed-wing UAV based on deep reinforcement learning
HE Haiyang, ZHAO Zhengen, KONG Fei
2026, 52(4): 1306-1315. doi: 10.13700/j.bh.1001-5965.2024.0075
Abstract:

As a typical nonlinear system, the dynamic characteristics of a fixed-wing unmanned aerial vehicle (UAV) become more and more complex. Traditional control methods are mainly designed based on model and experience, and lack adaptability to complex environments and tasks. Based on the deep deterministic policy gradient (DDPG) algorithm of multi-dimensional continuous state input and multi-dimensional continuous action output, a longitudinal flight controller of a fixed-wing UAV was designed. The speed, pitch angle tracking errors, and related quantities of multiple moments were taken as the input of the controller, and the output was the elevator deflection and throttle setting signals. To improve the learning efficiency of the algorithm and mitigate the impact of sparse rewards on learning, the reward function introduced positive reward incentives in addition to the dense penalty for tracking errors. These positive rewards were given when the tracking error fell within a certain range and when the agent quickly reached the tracking target. Ultimately, end-to-end control from the longitudinal state of the UAV to the control surface was achieved, and under various control targets and model parameter perturbations, simulations were performed to compare the proportional-integral-derivative (PID) controller with a deep reinforcement learning-based control system. According to the simulation results, the deep reinforcement learning (DRL)-based control system may accomplish control goals and show some degree of robustness and generalization, with control performance sometimes outperforming the PID controller.

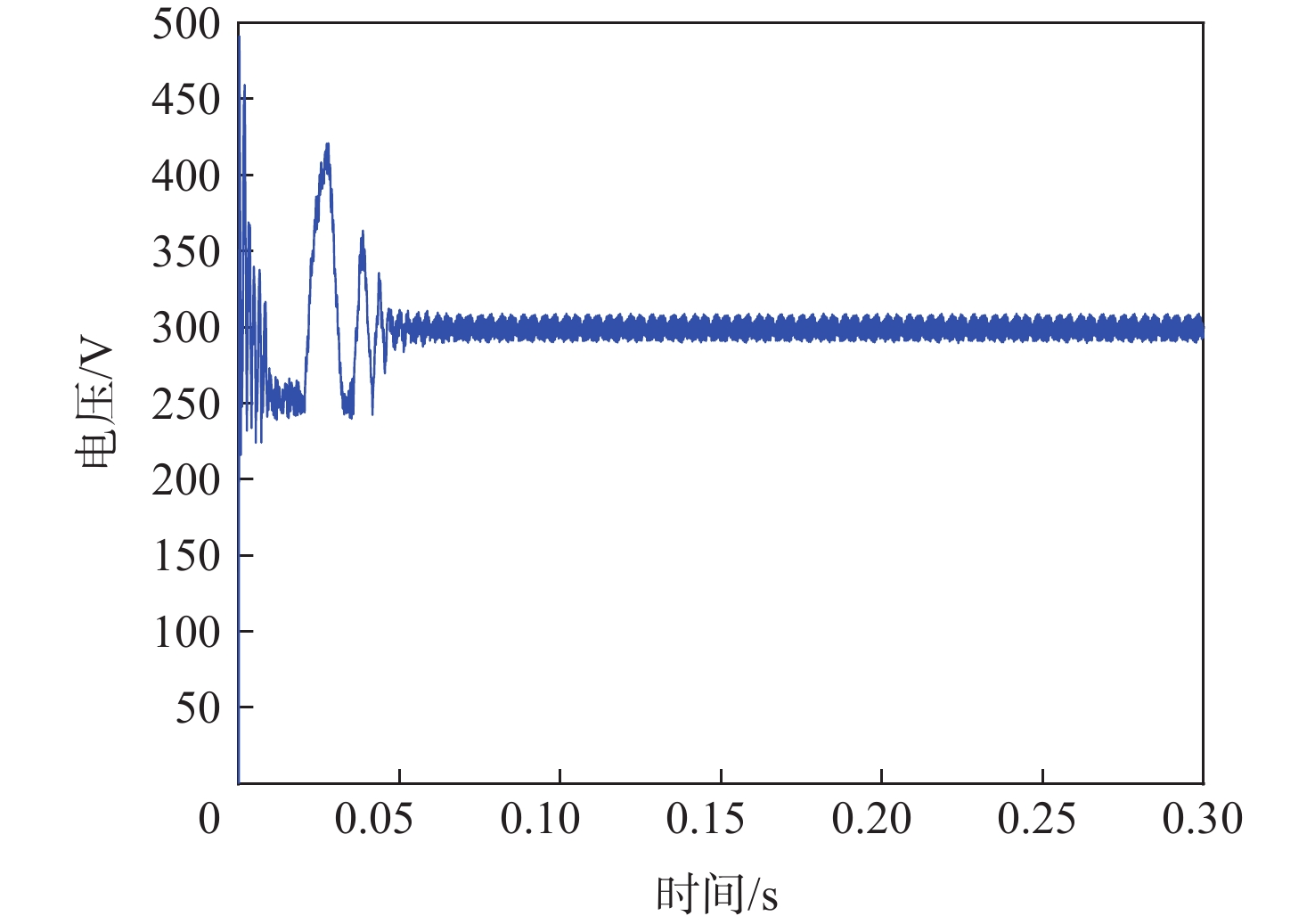
Study on fuel pressure pulsation of main fuel control system of an aircraft engine
YANG Yikun, MA Jing, YANG Junjie
2026, 52(4): 1316-1324. doi: 10.13700/j.bh.1001-5965.2024.0077
Abstract:

Aiming at the phenomenon of pressure pulsation at the outlet of the main fuel control system of an aeroengine, this paper systematically analyzes the reasons for the pulsation of the hydraulic system, lists the fault tree of the pressure pulsation of the main fuel control system of an aeroengine, and completes the fault location. The steady-state hydrodynamic force and associated parameters of the irregular opening fuel return valve under fault conditions are primarily investigated through flow field simulation, and it is noted that the theoretical formula is not applicable to the steady-state hydrodynamic calculation of the irregular opening valve and the change of the outlet jet angle. Then the transfer function and Simulink simulation model of the constant differential pressure module are established by small deviation linearization at the steady point, and its natural frequency and main influencing factors are studied. The findings demonstrate that the fuel pressure pulsation is caused by the return valve’s resonance under external stimulation, and the steady-state hydrodynamic force acting on the valve core is the primary factor influencing the return valve’s natural frequency. Through the study of the irregular opening shape of the valve, the fault improvement measures are given, which provide theoretical support for the optimal design of the system.

Lightweight intelligent rig pipe column inspection method based on improved YOLOv5s
NIU Ke, PENG Bin, YANG Xiaoliang
2026, 52(4): 1325-1338. doi: 10.13700/j.bh.1001-5965.2024.0088
Abstract:

To address the low level of automation in drill string handling and make-up/break-out operations on drilling platforms, an improved multi-object detection algorithm is proposed for accurate identification of drill pipes and tool joints. The model employs a lightweight EfficientNetV2 as the backbone, with an SPPF module to reduce parameters. A CBAM attention module is integrated to suppress background interference. BiFPN replaces PANet to enhance multi-scale feature fusion, while CARAFE is adopted to improve upsampling quality and feature representation. In the detection head, GhostConv is used to reduce computational cost, and the SIoU loss is introduced to improve bounding box regression. The AdamW optimizer is applied to accelerate convergence and enhance generalization. Experiments on a self-built dataset demonstrate that the proposed method achieves robust performance under complex conditions, accurately detecting drill strings with varying poses. The detection accuracy reaches 90.6% and mAP reaches 94.6%, representing improvements of 3.9% and 4.5% over the baseline, respectively, confirming its effectiveness and robustness.

Influence of chemical reaction mechanism on turbulent jet flame
WANG Yunfan, JIN Jie, LAI Genhong, WANG Fang
2026, 52(4): 1339-1354. doi: 10.13700/j.bh.1001-5965.2024.0093
Abstract:

Turbulent combustion is extensively employed in industry and transportation, where the flow and chemical reactions are intricately interconnected. Due to the complexity of this coupling mechanism, it is essential to incorporate the chemical reaction mechanism in combustion simulations. However, there are many kinds and quantities of chemical reaction mechanisms, and the choice of mechanism has great influence on the simulation results. In this article, 11 distinct chemical reaction mechanisms were chosen and their reaction kinetics examined in order to investigate the impact of chemical reaction mechanisms on the simulation of turbulent jet flame. Then Sandia Flame D turbulent jet flame was selected as the research object, and the temperature and component concentration data after calculation and stability were extracted for comparative analysis. The findings demonstrate the stark differences in the kinetic performance of several chemical processes. The ignition delay time of the global mechanism JL4 is too short due to the omission of too many intermediate species. The ignition delay time of the SMOOKE mechanism and the z42 mechanism is longer than the experimental value due to the omission of multi-carbon species. As the flow field develops, the disparity between the computation outputs of various methods grows. Whereas the difference away from the fuel inlet is mostly caused by the various species and elementary processes involved in various chemical reaction mechanisms, the difference near the fuel inlet is primarily caused by the difference in kinetic performance. For all chemical mechanisms, there is a tendency that the more species used in the chemical reaction, the more concentrated the region of high heat release rate, the shorter the flame length, and the higher the maximum temperature throughout the field.