留言板

尊敬的读者、作者、审稿人, 关于本刊的投稿、审稿、编辑和出版的任何问题, 您可以本页添加留言。我们将尽快给您答复。谢谢您的支持!

姓名
邮箱
手机号码
标题
留言内容
验证码

基于GRNN的前起落架液压收放系统健康评估方法

贾宝惠 谭楚懿 高源 王玉鑫

贾宝惠,谭楚懿,高源,等. 基于GRNN的前起落架液压收放系统健康评估方法[J]. 北京航空航天大学学报,2025,51(12):4052-4060 doi: 10.13700/j.bh.1001-5965.2023.0708
引用本文: 贾宝惠,谭楚懿,高源,等. 基于GRNN的前起落架液压收放系统健康评估方法[J]. 北京航空航天大学学报,2025,51(12):4052-4060 doi: 10.13700/j.bh.1001-5965.2023.0708
JIA B H,TAN C Y,GAO Y,et al. Health assessment method of nose landing gear hydraulic retraction/extension system based on GRNN[J]. Journal of Beijing University of Aeronautics and Astronautics,2025,51(12):4052-4060 (in Chinese) doi: 10.13700/j.bh.1001-5965.2023.0708
Citation: JIA B H,TAN C Y,GAO Y,et al. Health assessment method of nose landing gear hydraulic retraction/extension system based on GRNN[J]. Journal of Beijing University of Aeronautics and Astronautics,2025,51(12):4052-4060 (in Chinese) doi: 10.13700/j.bh.1001-5965.2023.0708

基于GRNN的前起落架液压收放系统健康评估方法

doi: 10.13700/j.bh.1001-5965.2023.0708
基金项目: 

国家自然科学基金(U2033209)

详细信息
    通讯作者:

    E-mail:jiabaohui@sina.com

  • 中图分类号: V37;TH137

Health assessment method of nose landing gear hydraulic retraction/extension system based on GRNN

Funds: 

National Natural Science Foundation of China (U2033209)

More Information
  • 摘要:

    随着民用飞机健康管理技术的不断发展,飞机重要系统及部件的状态监测数据不断丰富。前起落架液压收放系统的健康状态对飞机起降的影响较大,该系统虽然具备多维监测参数,但难以有效利用系统监测数据准确评估其健康状态。基于此,针对前起落架液压收放系统健康评估问题,通过AMESim软件建模,构建系统的仿真模型,研究前起落架收放性能受液压元件参数性能变化的影响。使用前起落架收放作动筒不同等级故障时的性能数据作为原始数据,提取收上时间、流速最大值等表征参数,提出基于广义回归神经网络(GRNN)的健康指数构造方法,可以更加有效地对该系统的健康状态进行评估,通过方法对比证明了其有效性和准确性。

     

  • 图 1  前起落架液压收放系统健康评估方案框图

    Figure 1.  Health assessment scheme frame of nose landing gear hydraulic retraction/extension system

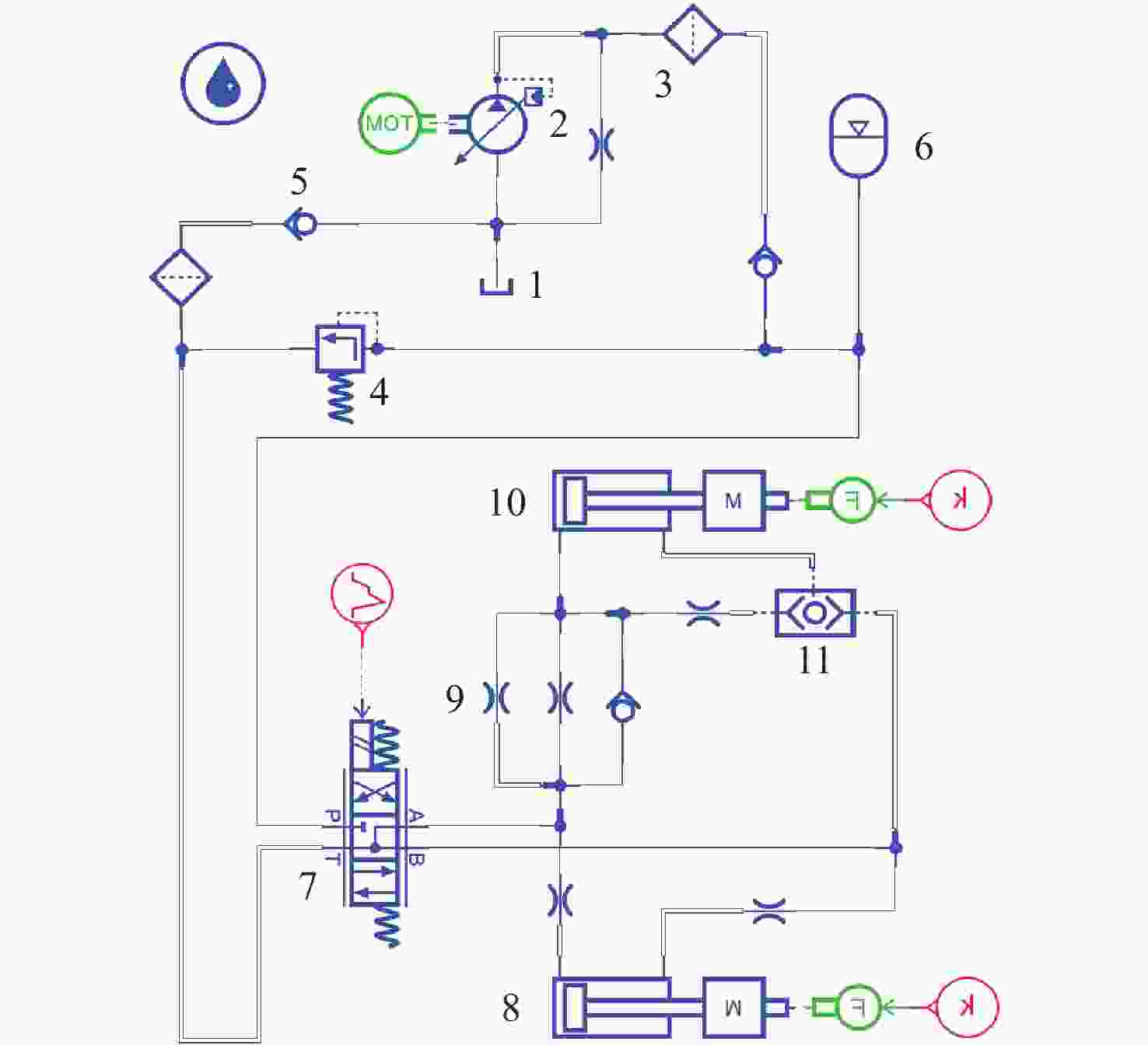
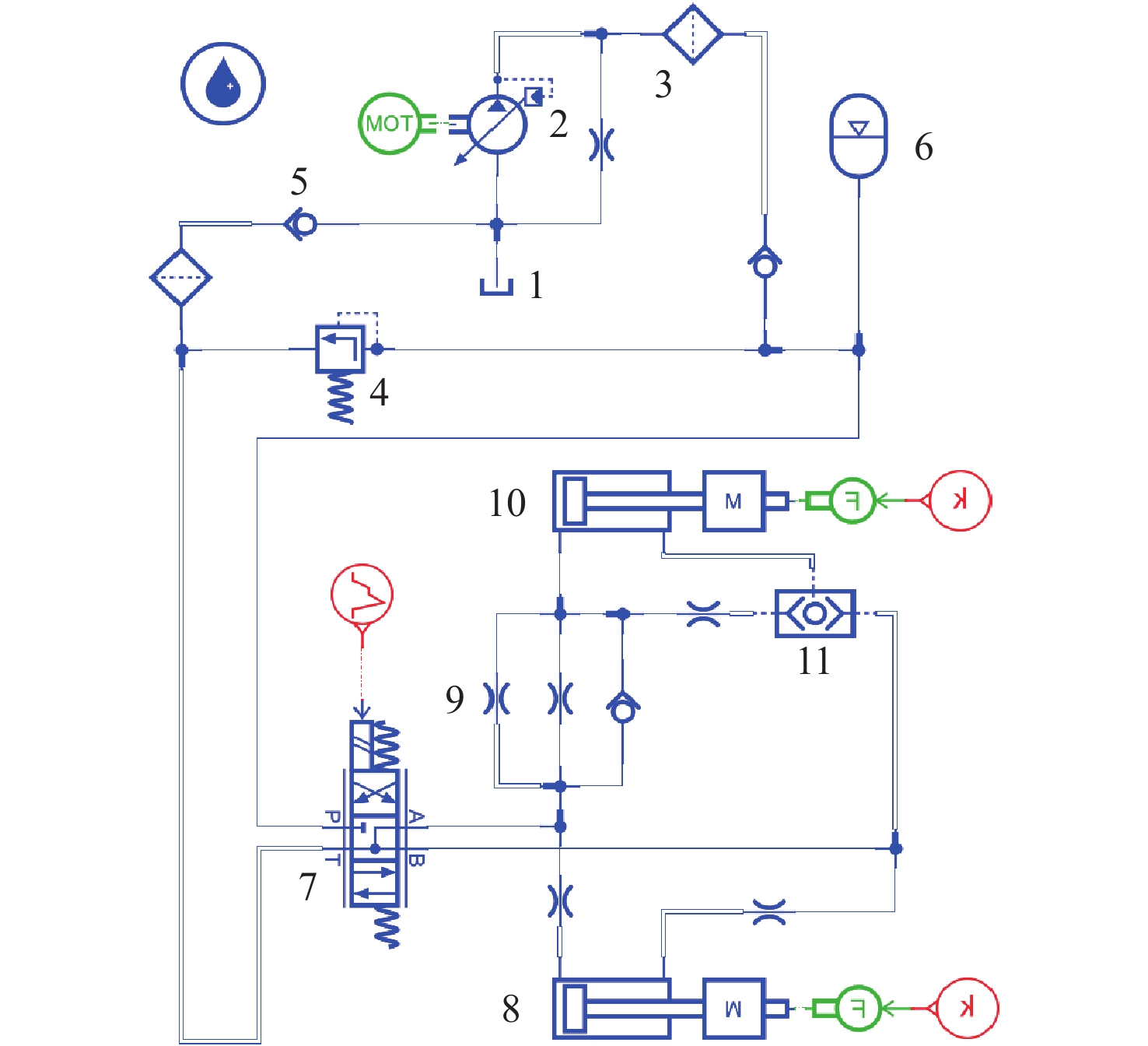
    图 2  前起落架液压收放系统原理示意图

    Figure 2.  Schematic diagram of nose landing gear hydraulic retraction/extension system

    图 3  前起落架液压收放系统液压回路仿真模型

    1. 油箱;2. EDP 2A;3. 油滤;4. 卸压阀;5. 单向阀;6. 蓄压器;7. 起落架选择阀;8. 前起开锁作动筒;9. 节流阀;10. 前起收放作动筒;11. 梭阀。

    Figure 3.  Simulation model of hydraulic circuit of nose landing gear hydraulic retraction/extension system

    图 4  无故障状态下各参数仿真结果

    Figure 4.  Simulation results of each parameter with no failure operation

    图 5  不同泄漏程度下的参数响应曲线

    Figure 5.  Response curves of different parameters under different leakage degrees

    图 6  GRNN基本神经网络拓扑结构

    Figure 6.  GRNN basic neural network topology structure

    图 7  参数皮尔逊相关性可视化图

    Figure 7.  Visualization diagram of Pearson correlation coefficients

    图 8  不同$\sigma $下的评价指标曲线

    Figure 8.  Curves of evaluation indicators under different $\sigma $ values

    图 9  各方法结果预测对比

    Figure 9.  Comparison of results of various methods

    表  1  部分训练集数据

    Table  1.   Parts of training set data

    样本 $ {x_{1,1}} $ $ {x_{1,2}} $ $ {x_{1,7}} $ $ {x_{1,11}} $ $ {x_{1,27}} $ $ {x_{1,31}} $ $ {y_{{\text{train}}}} $
    1 7.55 9.60 205.539 0 −5.688 1.584 0
    2 8.10 8.17 172.257 8.297 −4.100 1.659 0.06
    3 10.47 5.62 127.200 12.511 −2.146 2.502 0.25
    4 11.32 5.21 123.445 12.800 −1.843 2.560 0.30
    5 7.64 9.33 203.040 2.000 −5.387 1.587 0.01
    6 9.21 6.58 138.609 11.590 −2.862 2.318 0.16
    $\vdots $ $\vdots $ $\vdots $ $\vdots $ $\vdots $ $\vdots $ $\vdots $ $\vdots $
    下载: 导出CSV

    表  2  各方法评价指标对比

    Table  2.   Comparison of evaluation indicators of various methods

    方法 MAE RMSE MAPE/% SMAPE/%
    多元非线性拟合 0.0253 0.03908 19.1621 17.5161
    BPNN 0.0218 0.02350 26.2809 21.3723
    GRNN 0.0031 0.00420 2.3901 2.3926
    下载: 导出CSV
  • [1] 周长聪, 吉梦瑶, 张屹尚, 等. 多失效模式下起落架机构可靠性及灵敏度研究[J]. 西北工业大学学报, 2021, 39(1): 46-54. doi: 10.3969/j.issn.1000-2758.2021.01.006

    ZHOU C C, JI M Y, ZHANG Y S, et al. Mechanism reliability and sensitivity analysis of landing gear under multiple failure modes[J]. Journal of Northwestern Polytechnical University, 2021, 39(1): 46-54(in Chinese). doi: 10.3969/j.issn.1000-2758.2021.01.006
    [2] ZONTA T, DA COSTA C A, DA ROSA RIGHI R, et al. Predictive maintenance in the industry 4.0: a systematic literature review[J]. Computers & Industrial Engineering, 2020, 150: 106889.
    [3] 张可, 周东华, 柴毅. 复合故障诊断技术综述[J]. 控制理论与应用, 2015, 32(9): 1143-1157. doi: 10.7641/CTA.2015.50262

    ZHANG K, ZHOU D H, CHAI Y. Review of multiple fault diagnosis methods[J]. Control Theory and Applications, 2015, 32(9): 1143-1157(in Chinese). doi: 10.7641/CTA.2015.50262
    [4] 胡晓义, 王如平, 王鑫, 等. 基于模型的复杂系统安全性和可靠性分析技术发展综述[J]. 航空学报, 2020, 41(6): 147-158.

    HU X Y, WANG R P, WANG X, et al. Recent development of safety and reliability analysis technology for model-based complex system[J]. Acta Aeronautica et Astronautica Sinica, 2020, 41(6): 147-158(in Chinese).
    [5] 徐丙凤, 黄志球, 胡军, 等. 一种状态事件故障树的定量分析方法[J]. 电子学报, 2013, 41(8): 1480-1486. doi: 10.3969/j.issn.0372-2112.2013.08.005

    XU B F, HUANG Z Q, HU J, et al. A method for quantitative analysis of state/event fault tree[J]. Acta Electronica Sinica, 2013, 41(8): 1480-1486(in Chinese). doi: 10.3969/j.issn.0372-2112.2013.08.005
    [6] 陈新霞, 刘煜原, 黄加阳, 等. 基于贝叶斯网络推理的起落架系统故障诊断技术研究[J]. 计算机测量与控制, 2016, 24(10): 24-27.

    CHEN X X, LIU Y Y, HUANG J Y, et al. Fault diagnosis of landing gear system based on Bayesian network inference[J]. Computer Measurement & Control, 2016, 24(10): 24-27(in Chinese).
    [7] 丰赢政. 基于AE-RNN的飞机起落架液压收放系统故障诊断方法研究[D]. 南京: 南京航空航天大学, 2023.

    FENG Y Z. Research on fault diagnosis algorithms of the hydraulic retractable system of aircraft landing gear based on AE-RNN[D]. Nanjing: Nanjing University of Aeronautics and Astronautics, 2023(in Chinese).
    [8] 崔建国, 李鹏程, 崔霄, 等. 基于ARIMA-LSTM的飞机液压泵性能趋势预测方法[J]. 振动、测试与诊断, 2021, 41(4): 735-740.

    CUI J G, LI P C, CUI X, et al. Aircraft hydraulic pump performance trend prediction method based on ARIMA-LSTM[J]. Journal of Vibration, Measurement & Diagnosis, 2021, 41(4): 735-740(in Chinese).
    [9] BYKOV A D, VORONOV V I, VORONOVA L I. Machine learning methods applying for hydraulic system states classification[C]//Proceedings of the Systems of Signals Generating and Processing in the Field of on Board Communications. Piscataway: IEEE Press, 2019: 1-4.
    [10] 冯蕴雯, 王锐, 卢涛, 等. 基于多策略协同优化神经网络的起落架状态监测[J]. 西北工业大学学报, 2023, 41(2): 264-273. doi: 10.3969/j.issn.1000-2758.2023.02.003

    FENG Y W, WANG R, LU T, et al. Landing gear condition monitoring based on back propagation neural network-based on multi-strategy cooperative optimization[J]. Journal of Northwestern Polytechnical University, 2023, 41(2): 264-273(in Chinese) . doi: 10.3969/j.issn.1000-2758.2023.02.003
    [11] 李天梅, 司小胜, 刘翔, 等. 大数据下数模联动的随机退化设备剩余寿命预测技术[J]. 自动化学报, 2022, 48(9): 2119-2141.

    LI T M, SI X S, LIU X, et al. Data-model interactive remaining useful life prediction technologies for stochastic degrading devices with big data[J]. Acta Automatica Sinica, 2022, 48(9): 2119-2141(in Chinese).
    [12] 汪俊亮, 高鹏捷, 张洁, 等. 制造大数据分析综述: 内涵、方法、应用和趋势[J]. 机械工程学报, 2023, 59(12): 1-16. doi: 10.3901/JME.2023.12.001

    WANG J L, GAO P J, ZHANG J, et al. A review of manufacturing big data: connotation, methodology, application and trends[J]. Journal of Mechanical Engineering, 2023, 59(12): 1-16(in Chinese). doi: 10.3901/JME.2023.12.001
    [13] 窦丹丹, 姜洪开, 何毅娜. 基于信息熵和SVM多分类的飞机液压系统故障诊断[J]. 西北工业大学学报, 2012, 30(4): 529-534. doi: 10.3969/j.issn.1000-2758.2012.04.010

    DOU D D, JIANG H K, HE Y N. Effectively diagnosing faults for aircraft hydraulic system based on information entropy and multi-classification SVM[J]. Journal of Northwestern Polytechnical University, 2012, 30(4): 529-534(in Chinese). doi: 10.3969/j.issn.1000-2758.2012.04.010
    [14] DUAN S X, LI Y J, CAO Y Y, et al. Health assessment of landing gear retraction/extension hydraulic system based on improved risk coefficient and FCE model[J]. Applied Sciences, 2022, 12(11): 5409. doi: 10.3390/app12115409
    [15] 刘志伟, 刘锐, 徐劲松, 等. 复杂系统故障预测与健康管理(PHM)技术研究[J]. 计算机测量与控制, 2010, 18(12): 2687-2689.

    LIU Z W, LIU R, XU J S, et al. Research of complex system’s prognostic and health management[J]. Computer Measurement & Control, 2010, 18(12): 2687-2689(in Chinese).
    [16] FINK O, WANG Q, SVENSÉN M, et al. Potential, challenges and future directions for deep learning in prognostics and health management applications[J]. Engineering Applications of Artificial Intelligence, 2020, 92: 103678. doi: 10.1016/j.engappai.2020.103678
    [17] 周志杰, 曹友, 胡昌华, 等. 基于规则的建模方法的可解释性及其发展[J]. 自动化学报, 2021, 47(6): 1201-1216.

    ZHOU Z J, CAO Y, HU C H, et al. The interpretability of rule-based modeling approach and its development[J]. Acta Automatica Sinica, 2021, 47(6): 1201-1216(in Chinese).
    [18] KHAN K, SOHAIB M, RASHID A, et al. Recent trends and challenges in predictive maintenance of aircraft’s engine and hydraulic system[J]. Journal of the Brazilian Society of Mechanical Sciences and Engineering, 2021, 43(8): 403. doi: 10.1007/s40430-021-03121-2
    [19] NIU W J, FENG Z K, LI S S, et al. Short-term electricity load time series prediction by machine learning model via feature selection and parameter optimization using hybrid cooperation search algorithm[J]. Environmental Research Letters, 2021, 16(5): 055032. doi: 10.1088/1748-9326/abeeb1
    [20] NA X D, HAN M, REN W J, et al. Modified BBO-based multivariate time-series prediction system with feature subset selection and model parameter optimization[J]. IEEE Transactions on Cybernetics, 2022, 52(4): 2163-2173. doi: 10.1109/TCYB.2020.2977375
    [21] WANG P J, QIN J H, LI J C, et al. Device status evaluation method based on deep learning for PHM scenarios[J]. Electronics, 2023, 12(3): 779. doi: 10.3390/electronics12030779
    [22] 胡晓青, 马存宝, 和麟, 等. 飞机起落架收放系统建模与故障仿真[J]. 计算机工程与科学, 2016, 38(6): 1286-1293. doi: 10.3969/j.issn.1007-130X.2016.06.034

    HU X Q, MA C B, HE L, et al. Modeling and fault simulation of the landing gear extension and retraction system[J]. Computer Engineering & Science, 2016, 38(6): 1286-1293(in Chinese). doi: 10.3969/j.issn.1007-130X.2016.06.034
    [23] SPECHT D F. A general regression neural network[J]. IEEE Transactions on Neural Networks, 1991, 2(6): 568-576. doi: 10.1109/72.97934
    [24] TOMANDL D, SCHOBER A. A modified general regression neural network (MGRNN) with new, efficient training algorithms as a robust ‘black box’-tool for data analysis[J]. Neural Networks, 2001, 14(8): 1023-1034. doi: 10.1016/S0893-6080(01)00051-X
    [25] WANG Z P, ZHAO Y J. Data-driven exhaust gas temperature baseline predictions for aeroengine based on machine learning algorithms[J]. Aerospace, 2023, 10(1): 17.
    [26] 刘浩然, 赵翠香, 李轩, 等. 一种基于改进遗传算法的神经网络优化算法研究[J]. 仪器仪表学报, 2016, 37(7): 1573-1580. doi: 10.3969/j.issn.0254-3087.2016.07.017

    LIU H R, ZHAO C X, LI X, et al. Study on a neural network optimization algorithm based on improved genetic algorithm[J]. Chinese Journal of Scientific Instrument, 2016, 37(7): 1573-1580(in Chinese). doi: 10.3969/j.issn.0254-3087.2016.07.017
    [27] 邱寒雨, 张春峰, 徐兵, 等. 基于优化BP神经网络的快速起竖装置液压驱动系统故障诊断[J]. 液压与气动, 2021, 45(3): 1-6. doi: 10.11832/j.issn.1000-4858.2021.03.001

    QIU H Y, ZHANG C F, XU B, et al. Fault diagnosis of hydraulic drive system of rapid-erection device based on optimized BP neural network[J]. Chinese Hydraulics & Pneumatics, 2021, 45(3): 1-6(in Chinese). doi: 10.11832/j.issn.1000-4858.2021.03.001
  • 加载中
图(9) / 表(2)
计量
  • 文章访问数:  343
  • HTML全文浏览量:  180
  • PDF下载量:  13
  • 被引次数: 0
出版历程
  • 收稿日期:  2023-10-31
  • 录用日期:  2024-01-05
  • 网络出版日期:  2024-02-09
  • 整期出版日期:  2025-12-31

目录

    /

    返回文章
    返回
    常见问答