-
摘要:
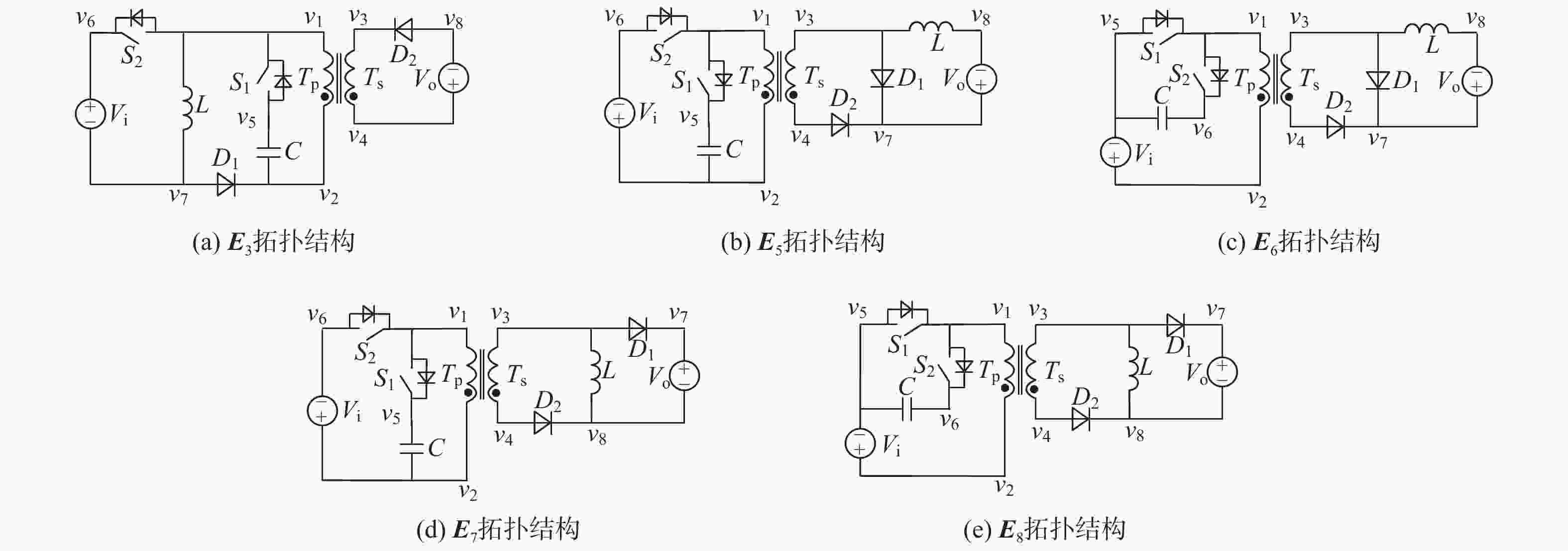
随着新能源发电、电气化交通等领域的兴起,电能变换的需求日益多样化,需要更多的隔离型直流变换器(即隔离型DC-DC变换器)拓扑。为解决基于人工经验生成拓扑的偶然性和无法进行拓扑优化的问题,提出一种基于顶点素数度的两开关隔离型DC-DC变换器拓扑自生成方法。提出双顶点对变压器模型,利用图论将电路转换为图;将构成电路的元器件的数量和种类作为输入条件,利用所提的拓扑自生成方法遍历生成具有给定元器件的所有可用隔离型DC-DC变换器拓扑。以隔离型T1S2D2L1C1 DC-DC变换器为例,即变换器电路由1个变压器、2个开关管、2个二极管、1个电感、1个电容、1个输入直流源和1个输出直流源组成,可一次生成87种可用正激变换器和97种反激变换器拓扑,以正激变换器为例,根据电压增益可分为25种升压正激变换器、24种降压正激变换器、32种升降压正激变换器和6种等压正激变换器。所提方法实现了基于计算机编程快速、量化生成新的隔离型DC-DC变换器拓扑,为工程应用提供了拓扑库,为拓扑优化选型提供了条件。
-
关键词:
- 隔离型DC-DC变换器 /
- 两开关 /
- 拓扑 /
- 自生成 /
- 顶点素数度
Abstract:More isolated DC-DC converter topologies are required as a result of the growing need for different power conversion brought on by the development of new energy generation and electrified transportation. To overcome the randomness and lack of topology optimization in generating topologies based on human experience, this paper proposes a vertex prime degree-based topology self-generation method of the isolated DC-DC converters with two switches. Firstly, the two-vertex-pair transformer model is proposed, and the circuits are converted into graphs using graph theory. Secondly, the numbers and the types of components used to form the circuit are regarded as the input condition of the method. Finally, the proposed self-generation method is utilized to traverse and generate all available isolated DC-DC converter topologies with the given components. An input DC source, an output DC source, two switches, two diodes, one transformer, one inductor, and one capacitor, namely, the isolated T1S2D2L1C1 DC-DC converters are examples of converter circuits. The 87 forward converters and 97 flyback converters can be generated. Taking the 87 forward converters as examples, they can be further categorized based on voltage gain into 25-boost forward converters, 24-buck forward converters, 32 buck-boost forward converters, and 6 constant voltage forward converters. Therefore, this method enables rapid and quantitative generation of new isolated DC-DC converter topologies through computer programming. It provides a topology library for engineering applications and establishes conditions for topology optimization and selection.
-
Key words:
- isolated DC-DC converter /
- two switches /
- topology /
- self-generation /
- vertex prime degree
-
表 1 双顶点对变压器模型
Table 1. Two-vertex-pair transformer model
器件 双顶点对 模型 变压器 T=(Tp,Ts)=(vi1,vj1,vj2,vi2) 
表 2 变压器在正激变换器和反激变换器中的模型
Table 2. Transformer model in forward converters and flyback converters
变压器 双顶点对 同名端位置 变压器模型 变压器工作情况 正激变换器 T=(Tp,Ts)=(vi1,vj1,vj2,vi2) vi1,vi2 模态1 

模态2 

反激变换器 T=(Tp,Ts)=(vi1,vj1,vj2,vi2) vi1,vj2 模态1 

模态2 

表 3 仿真参数
Table 3. Simulation parameters
参数 数值 输入电压Vi/V 18 输出功率Po/W 24 开关频率fs/kHz 100 电感L/μH 10 励磁电感Lm/μH 100 输出电压Vo/V 24 占空比D 0.4 变压器匝数比N1∶N2 1∶2 电容C/μF 1 输出电容Co/μF 100 -
[1] WU H F, XING Y. A family of forward converters with inherent demagnetizing features based on basic forward cells[J]. IEEE Transactions on Power Electronics, 2010, 25(11): 2828-2834. [2] TAN F D. The forward converter: from the classic to the contemporary[C]//Proceedings of the 17th Annual IEEE Applied Power Electronics Conference and Exposition. Piscataway: IEEE Press, 2002: 857-863. [3] TSENG S Y, CHEN W C, LI Y J, et al. Buck-Boost converter associated with active clamp forward converter for PV power system[C]//Proceedings of the 7th International Conference on Power Electronics and Drive Systems. Piscataway: IEEE Press, 2007: 209-216. [4] LI W H, FAN L L, ZHAO Y, et al. High-step-up and high-efficiency fuel-cell power-generation system with active-clamp flyback-forward converter[J]. IEEE Transactions on Industrial Electronics, 2012, 59(1): 599-610. doi: 10.1109/TIE.2011.2130499 [5] KIM T S, HAN S K, MOON G W, et al. High efficiency active clamp forward converter for sustaining power module of plasma display panel[J]. IEEE Transactions on Industrial Electronics, 2008, 55(4): 1874-1876. doi: 10.1109/TIE.2007.911208 [6] NAKAHARA M, NINOMIYA T, HARADA K. Surge and noise generation in a forward DC-to-DC converter[J]. IEEE Transactions on Aerospace and Electronic Systems, 1985, 21(5): 619-630. doi: 10.1109/TAES.1985.310591 [7] JOVANOVIC M M, ZHANG M T, LEE F C. Evaluation of synchronous-rectification efficiency improvement limits in forward converters[J]. IEEE Transactions on Industrial Electronics, 1995, 42(4): 387-395. [8] WITTENBREDER E H, BAGGERLY V D, MARTIN H C. A duty cycle extension technique for single ended forward converters[C]//Proceedings of the 7th Annual Applied Power Electronics Conference and Exposition. Piscataway: IEEE Press, 2002: 51-57. [9] COBOS J A, GARCIA O, SEBASTIAN J, et al. Resonant reset forward topologies for low output voltage on board converters[C]//Proceedings of the IEEE Applied Power Electronics Conference and Exposition. Piscataway: IEEE Press, 2002: 703-708. [10] SALAZAR L D, ZIOGAS P D. A high frequency two-switch forward converter with optimized performance[C]//Proceedings of the 15th Annual Conference of IEEE Industrial Electronics Society. Piscataway: IEEE Press, 2002: 60-66. [11] TSAI F S, NG W W. A low-cost, low-loss active voltage-clamp circuit for interleaved single-ended forward PWM converter[C]//Proceedings of the 8th Annual Applied Power Electronics Conference and Exposition. Piscataway: IEEE Press, 1993: 729-733. [12] SRIVASTAVA M, TOMAR P S, VERMA A K. Full range soft-switched DC-DC converter with clamping circuit for transportation applications[C]//Proceedings of the IEEE Industry Applications Society Annual Meeting. Piscataway: IEEE Press, 2021: 1-5. [13] WEI Y Q, LUO Q M, MANTOOTH A. A function decoupling partially isolated high voltage gain DC/DC converter for PV application[C]//Proceedings of the IEEE Transportation Electrification Conference & Expo. Piscataway: IEEE Press, 2020: 1-5. [14] MURTHY-BELLUR D, PALMER B, IYER K, et al. Commercial DC-DC converters: a survey of isolated low-voltage very-high-current systems for transportation electrification[C]//Proceedings of the IEEE Power and Energy Conference. Piscataway: IEEE Press, 2017: 1-8. [15] CHEN G P, JIN Z F, LIU Y W, et al. Programmable topology derivation and analysis of integrated three-port DC-DC converters with reduced switches for low-cost applications[J]. IEEE Transactions on Industrial Electronics, 2019, 66(9): 6649-6660. [16] LI H, LI Y M, YIN C D, et al. Vertex prime degree-based nonisomorphic topology automatic search algorithm for DC-DC converters with two switches[J]. IEEE Journal of Emerging and Selected Topics in Industrial Electronics, 2023, 4(4): 1084-1095. doi: 10.1109/JESTIE.2023.3266725 [17] 李虹, 王文财, 李亚敏, 等. 基于图论的S1D1L2C1型DC-DC变换器可编程拓扑搜索算法[J]. 中国电机工程学报, 2021, 41(16): 5670-5683.LI H, WANG W C, LI Y M, et al. Programmable topology searching algorithm for S1D1L2C1 type DC-DC converters based on graph theory[J]. Proceedings of the CSEE, 2021, 41(16): 5670-5683(in Chinese). [18] COBOS J A, GARCIA O, SEBASTIAN J, et al. Active clamp PWM forward converter with self driven synchronous rectification[C]//Proceedings of the 15th International Telecommunications Energy Conference. Piscataway: IEEE Press, 1993: 200-206. [19] KIM H J, LEU C S, FARRINGTON R, et al. Clamp mode zero-voltage-switched multi-resonant converters[C]//Proceedings of the 23rd Annual IEEE Power Electronics Specialists Conference. Piscataway: IEEE Press, 1992: 78-84. [20] SHIN C H, KIM D Y, KO A Y, et al. The configuration of electric vehicle system using isolated DC-DC converter for a low-voltage and high-current type battery[C]//Proceedings of the 9th International Conference on Power Electronics and ECCE Asia. Piscataway: IEEE Press, 2015: 2796-2801. -


下载: