Distributed solar cell generation analysis and system optimization for near space vehicles
-
摘要:
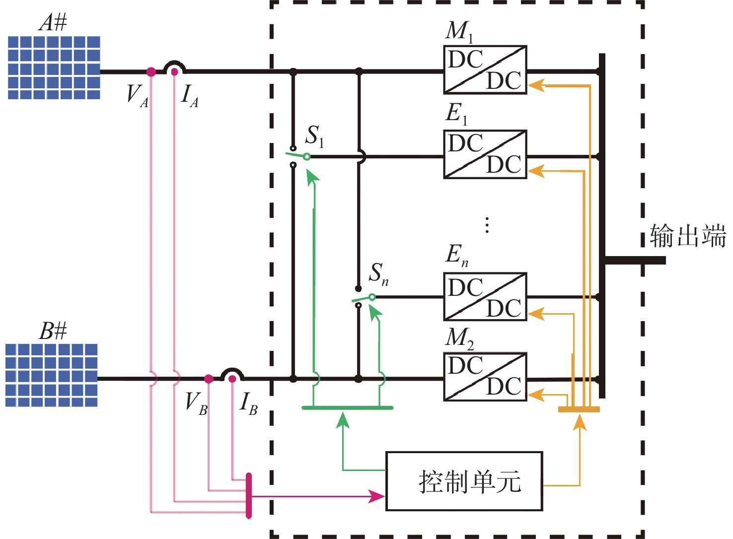
临近空间长航时飞行器能源形式一般采用光伏发电系统,太阳电池铺设在飞行器上表面,受飞行器外形限制和影响,太阳电池呈现曲面分布。为高效利用曲面太阳电池阵列,通常采用分布式的太阳电池发电控制管理模式,将曲面阵列划为若干太阳电池子阵并对每个子阵独立控制,以实现整体太阳电池阵列的最大功率发电。基于此,建立临近空间飞行器分布式太阳电池阵列发电模型。分析了不同因素太阳电池子阵的发电功率的影响和规律,提出一种分布式太阳电池最大供电跟踪控制器拓扑架构,并进行仿真分析,结果表明:该拓扑架构在保证总体能量不变的情况下降低了电源变换装置的额定功率,为临近空间飞行器电源系统减重提供了新思路。
Abstract:The form of energy for long-duration vehicles in near space generally adopts a photovoltaic power generation system, and the solar cells are laid on the upper surface of the vehicle. Because of the vehicle's shape and limitations, the solar cells are dispersed across curved surfaces with varying irradiance at different points. A distributed solar cell system, in which the curved array is separated into several solar cell subarrays and each subarray is individually controlled to realize the maximum power generation of the entire solar array, is typically used to make efficient use of the curved solar cell array. For a near-space vehicle, this work develops a distributed solar cell array power generation model and examines the law and impact of the power produced by solar cell subarrays with various parameters. A distributed solar cell maximum power tracking controller topology is proposed based on the above law. According to the simulation analysis, the topology reduces the rated power of the converter while ensuring the overall energy remains unchanged, which provides a new idea for the weight reduction of the power system of the near-space vehicle.
-
表 1 发电功率计算模型中的参数
Table 1. Parameters of the generation power calculation model
飞行
高度/km飞行
纬度/(°)太阳电池阵列
对应圆心角/(°)阵列
面积/m2阵列轴向
长度/m20 北纬39.9 120 500 50 -
[1] ZHANG L C, ZHU W Y, DU H F, et al. Multidisciplinary design of high altitude airship based on solar energy optimization[J]. Aerospace Science and Technology, 2021, 110: 106440. doi: 10.1016/j.ast.2020.106440 [2] RAMESH S S, LIM K M, LEE H P, et al. Reduced-order modeling of stratospheric winds and its application in high-altitude balloon trajectory simulations[J]. Journal of Applied Meteorology and Climatology, 2017, 56(6): 1753-1766. doi: 10.1175/JAMC-D-16-0294.1 [3] 高阳, 徐国宁, 王生, 等. 平流层飞艇能源系统建模与小信号稳定性分析[J]. 太阳能学报, 2022, 43(8): 50-57.GAO Y, XU G N, WANG S, et al. Modeling and small signal stability analysis of stratospheric airship energy system[J]. Acta Energiae Solaris Sinica, 2022, 43(8): 50-57(in Chinese). [4] JIANG Y, LV M Y, WANG C Z, et al. Layout optimization of stratospheric balloon solar array based on energy production[J]. Energy, 2021, 229: 120636. doi: 10.1016/j.energy.2021.120636 [5] ZHANG L C, LV M Y, ZHU W Y, et al. Mission-based multidisciplinary optimization of solar-powered hybrid airship[J]. Energy Conversion and Management, 2019, 185: 44-54. doi: 10.1016/j.enconman.2019.01.098 [6] LI J, LV M Y, TAN D J, et al. Output performance analyses of solar array on stratospheric airship with thermal effect[J]. Applied Thermal Engineering, 2016, 104: 743-750. doi: 10.1016/j.applthermaleng.2016.05.122 [7] 朱炳杰, 杨希祥, 麻震宇, 等. 平流层飞艇太阳电池系统产能分析[J]. 国防科技大学学报, 2019, 41(1): 13-18. doi: 10.11887/j.cn.201901003ZHU B J, YANG X X, MA Z Y, et al. Power analysis of stratospheric airship’s solar array system[J]. Journal of National University of Defense Technology, 2019, 41(1): 13-18(in Chinese). doi: 10.11887/j.cn.201901003 [8] 王旭巍, 李兆杰, 张衍垒, 等. 结合平流层飞艇姿态的太阳辐射强度分布[J]. 国防科技大学学报, 2022, 44(6): 30-37. doi: 10.11887/j.cn.202206005WANG X W, LI Z J, ZHANG Y L, et al. Solar radiation intensity distribution combined with stratospheric airship flying gesture[J]. Journal of National University of Defense Technology, 2022, 44(6): 30-37(in Chinese). doi: 10.11887/j.cn.202206005 [9] JIANG Y, LV M Y, CHEN X Y, et al. An optimization approach for improving the solar array output power of stratospheric aerostat[J]. Aerospace Science and Technology, 2021, 118: 106916. doi: 10.1016/j.ast.2021.106916 [10] 刘乾石, 徐国宁, 李兆杰, 等. 不规则太阳电池临近空间发电模型构建与分析[J]. 太阳能学报, 2022, 43(7): 73-79.LIU Q S, XU G N, LI Z J, et al. Research and analysis of irregular solar cells power generation model in near space[J]. Acta Energiae Solaris Sinica, 2022, 43(7): 73-79(in Chinese). [11] 郑威, 宋琦, 李勇, 等. 平流层飞艇太阳电池阵发电功率计算及分析[J]. 宇航学报, 2010, 31(4): 1224-1230. doi: 10.3873/j.issn.1000-1328.2010.04.046ZHENG W, SONG Q, LI Y, et al. Computation and analysis of power generated by the solar cell array of a stratospheric airship[J]. Journal of Astronautics, 2010, 31(4): 1224-1230(in Chinese). doi: 10.3873/j.issn.1000-1328.2010.04.046 [12] ZHANG L C, LV M Y, MENG J H, et al. Optimization of solar-powered hybrid airship conceptual design[J]. Aerospace Science and Technology, 2017, 65: 54-61. doi: 10.1016/j.ast.2017.02.016 [13] LV M Y, LI J, DU H F, et al. Solar array layout optimization for stratospheric airships using numerical method[J]. Energy Conversion and Management, 2017, 135: 160-169. doi: 10.1016/j.enconman.2016.12.080 [14] YANG X X, LIU D N. Renewable power system simulation and endurance analysis for stratospheric airships[J]. Renewable Energy, 2017, 113: 1070-1076. doi: 10.1016/j.renene.2017.06.077 [15] JIANG Y, LV M Y, SUN K W. Effects of installation angle on the energy performance for photovoltaic cells during airship cruise flight[J]. Energy, 2022, 258: 124982. doi: 10.1016/j.energy.2022.124982 [16] ZHANG L C, LI J, WU Y F, et al. Analysis of attitude planning and energy balance of stratospheric airship[J]. Energy, 2019, 183: 1089-1103. doi: 10.1016/j.energy.2019.07.002 [17] SONG K Y, LI Z J, ZHANG Y L, et al. Power generation calculation model and validation of solar array on stratospheric airships[J]. Energies, 2023, 16(20): 7106. doi: 10.3390/en16207106 [18] 杨威宇, 徐国宁, 李兆杰, 等. 太阳电池在临近空间发电影响因素研究[J]. 太阳能学报, 2021, 42(12): 476-485.YANG W Y, XU G N, LI Z J, et al. Influence factors of solar cell power generation in near space[J]. Acta Energiae Solaris Sinica, 2021, 42(12): 476-485(in Chinese). -


下载: