2025 Vol. 51, No. 12

Display Method:
Volume 12 Issue E-journal
Volume 51 Issue122025
iconDownload (38301) 900 iconPreview
Structural design and aerodynamic performance analysis of gradient hexagonal deformable wing ribs
LI Zhiqiang, WANG Yang, XIN Libiao
2025, 51(12): 4003-4012. doi: 10.13700/j.bh.1001-5965.2023.0669
Abstract:

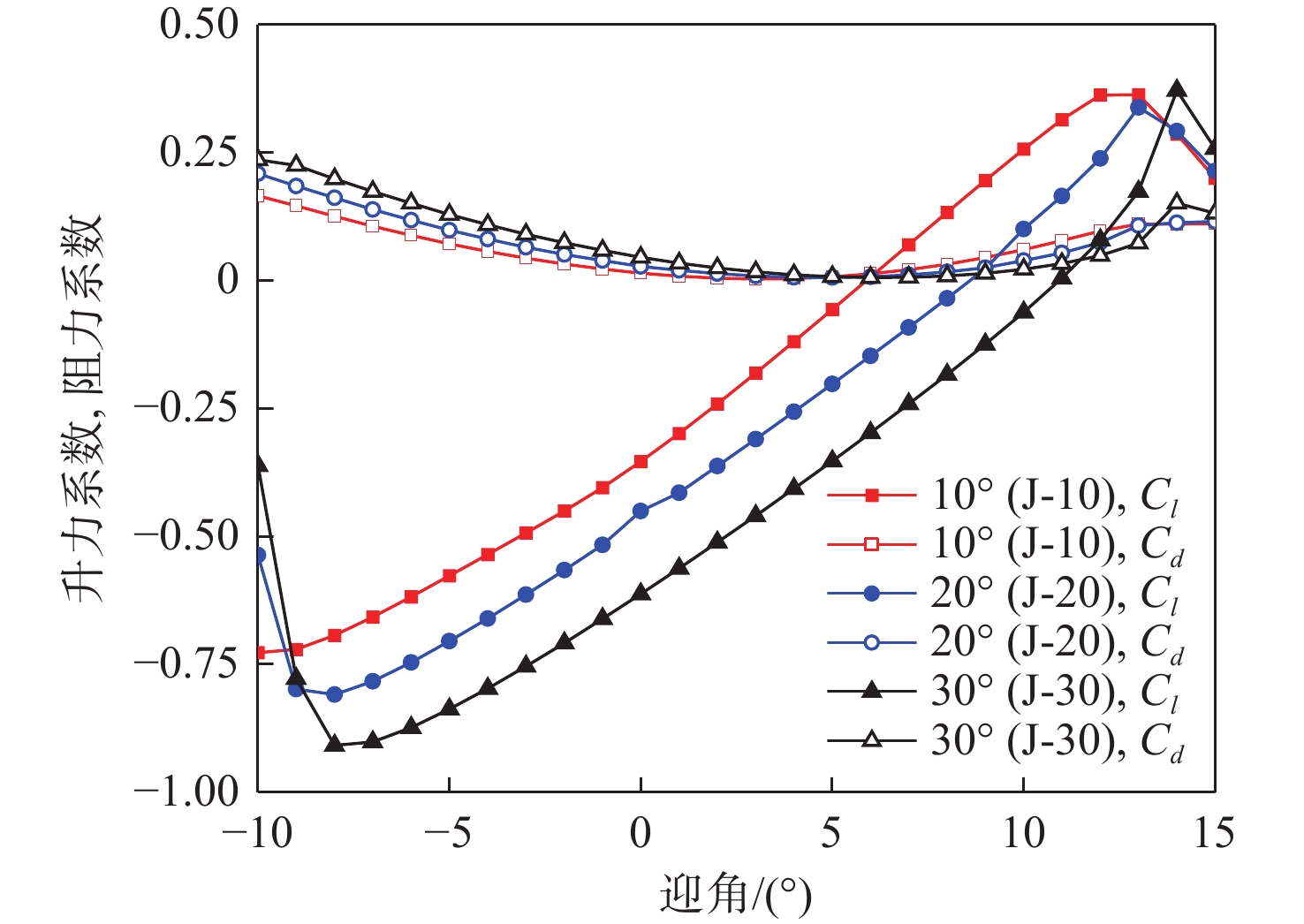
The ability of deformable wings to satisfy the aerodynamic performance needs of aircraft under diverse operating situations has led to their widespread application in a variety of aircraft. In response to the current problems of deformable wings, such as inability to achieve continuous deformation, small deformation amplitude, and non-smooth outer contour, this paper designs a gradient hexagonal structure filled wing structure and internal driving device, and provides corresponding control algorithms. Subsequently, it analyzes the two typical deformation modes that the deformable wing can achieve-tail bending deformation and airfoil imitation deformation. This article thoroughly illustrates the benefits of the developed wing over the current airfoil aerodynamic performance by analyzing the aerodynamic performance of the airfoil under two deformation modes.

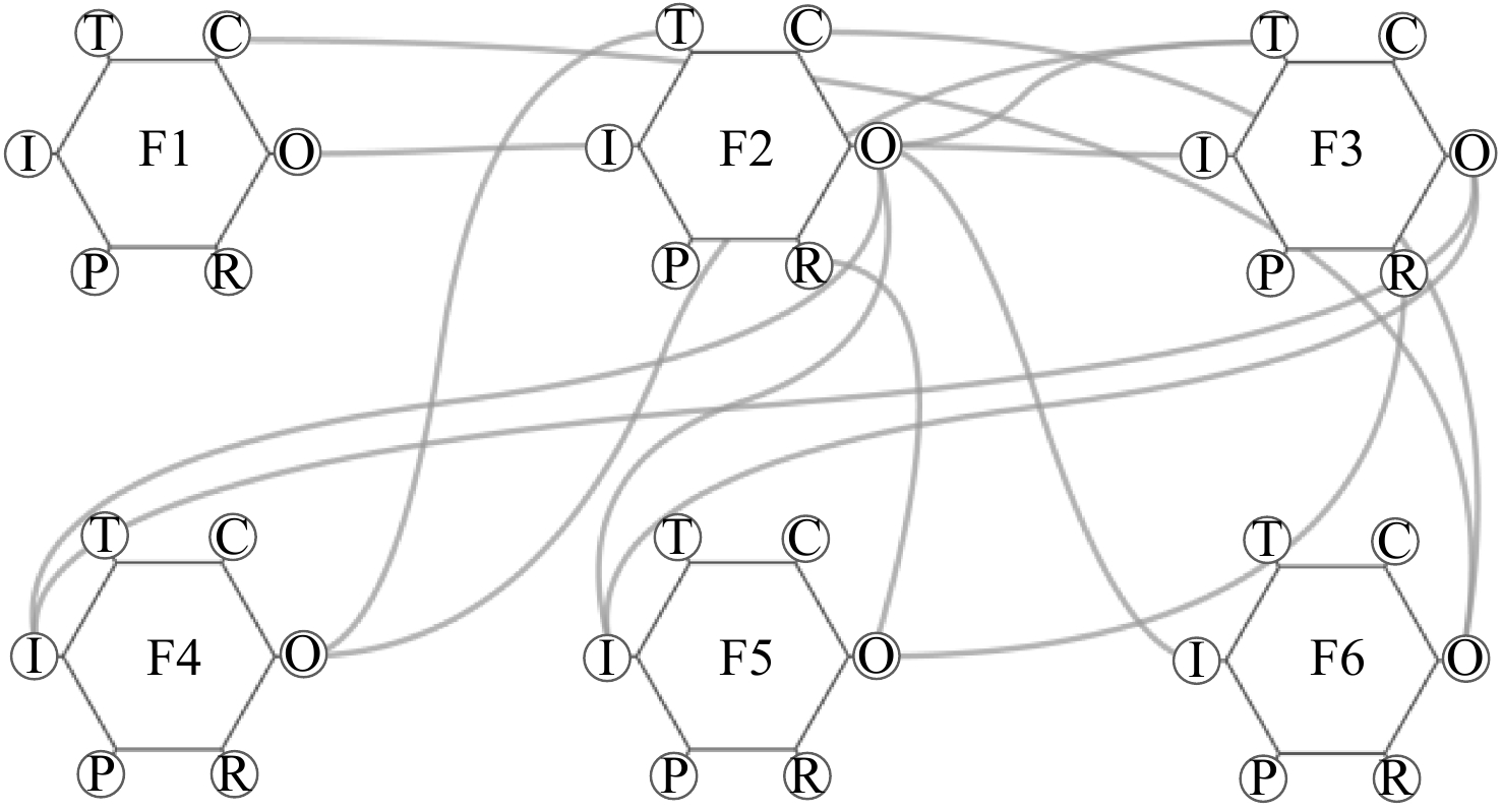
Safety analysis for civil aircraft system based on improved FRAM-STPA
JIA Baohui, ZHANG Bo, GAO Yuan
2025, 51(12): 4013-4022. doi: 10.13700/j.bh.1001-5965.2023.0670
Abstract:

As civil aircraft systems increasingly integrate, the complex interactions among various system components and the emergence of unforeseen issues have become prominent. Traditional safety analysis methods, primarily based on linear logic, have failed to fully meet the requirements for efficient identification of system risks. Therefore, an improved FRAM-STPA approach for the safety analysis of civil aircraft systems is proposed. In order to carry out graphical functional modeling and coupling analysis of the aviation system, an integrated model must be built. Based on the modeling results, including the latent phenotypes of functional units and potential unsafe control actions within the system, it establishes the system-wide functional impact relationships and quantifies the variability risk of functional modules. In order to verify the accuracy of the analysis results, Word2Vec is used to mine maintenance text information, and the airplane braking system is used as an example to illustrate the analysis. This approach provides theoretical and methodological references for civil aircraft safety analysis.

UAV detection algorithm based on attentional feature fusion
WANG Ershen, ZHANG Hongxuan, XU Song, YU Tengli, LEI Hong, JI Shanbin
2025, 51(12): 4023-4030. doi: 10.13700/j.bh.1001-5965.2023.0682
Abstract:

An improved unmannd aerial vehicle (UAV) detection algorithm, STC-YOLOv5 is proposed to address the problem of failing to quickly and accurately identify UAV targets under complex environmental conditions, such as similar colors of the background and UAVs, and overlapping of target occlusions. The backbone feature extraction network of STC-YOLOv5 employs Swin Transformer to enhance the robustness of the network against complex environments. The YOLOv5 model feature fusion network incorporates the convolution block attention module (CBAM) to decrease superfluous feature attention and increase attention on the UAV target’s key features. The loss function is optimized according to the characteristics of UAVs, and angle loss, distance loss and shape loss are introduced into the complete-IoU (CIoU) loss function, which improves the recognition accuracy of occluded UAV targets. In the case of partially occluded UAV targets, the improved STC-YOLOv5 algorithm has an average precision of 92.98% and a recall of 87.09%, which are 2.88% and 6.03% higher than the YOLOv5 algorithm, respectively. The results of experimental validation on the independently established UAV flight dataset demonstrate that the algorithm can achieve quick and precise UAV recognition in challenging scenarios.

Single-station TLE estimation of NC-LEO satellite for space-based opportunistic positioning
QIN Honglei, DENG Ruofan, LYU Hongli
2025, 51(12): 4031-4040. doi: 10.13700/j.bh.1001-5965.2023.0684
Abstract:

The space-based opportunistic positioning is an integral part of the resilient positioning, navigation, and timing (PNT) system. At the moment, most space-based opportunistic positioning terminals depend on the non-cooperative low Earth orbit (NC-LEO) satellite’s unreliable and imprecise orbit. To address this problem, this paper presents a framework for single-station two line element (TLE) estimation of non-cooperative low Earth orbit satellites. The precise TLE is obtained using Doppler observations from a single-station and the orbital parameters for constellation design. Additionally, a TLE estimation algorithm is proposed based on a genetic algorithm-ridge estimation approach with multiple initialization strategies. This method facilitates the acquisition of accurate TLE even in situations where prior orbit information is incomplete, and when the problem is ill-conditioned. Finally, real-world tests confirm that using TLEs computed using the suggested method leads to improved accuracy when compared to placement based on NORAD’s publicly available TLEs.

Learnable graph convolution-based semantic segmentation method for 3D LiDAR point clouds in road scenes
MA Qinglu, DING Xueqin, HUANG Xiaoxiao, ZOU Zheng
2025, 51(12): 4041-4051. doi: 10.13700/j.bh.1001-5965.2023.0686
Abstract:

Aiming at the problems of insufficient local feature extraction ability and difficulty in capturing global context information in the semantic segmentation of 3D LiDAR point clouds in the existing autonomous driving system, an intelligent semantic segmentation network of 3D LiDAR point cloud road scenes based on improved graph convolution is proposed. First, the proposed grid query module may offer more comprehensive point cloud coverage for the learning process by rasterizing the point cloud and choosing the nodes. At the same time, a learnable convolution kernel is designed, and its shape and weight are learnable in the training phase, which can better deal with the deformation problem in the point cloud. Secondly, an improved graph convolution layer is added after each layer of the base network structure. The improved graph convolution layer can obtain the local neighborhood information of the point through the dynamic graph calculation, and superimpose the local information in the fully connected layer to obtain the global attribute. Finally, the data set Semantickitti is used to compare and analyze the models before and after improvement. The experimental results show that the mean intersection-over-union (mIoU) value of the improved network reaches 59.7%, which is 3.9% higher than the benchmark model, 3.6% and 0.9% higher than dynamic graph convolutional neural network (DGCNN) and Lattice Net, respectively. The findings of the study demonstrate that the suggested enhanced model can successfully raise the point cloud semantic segmentation accuracy in the autonomous driving road environment, which helps to enhance the LiDAR application effect in autonomous driving.

Health assessment method of nose landing gear hydraulic retraction/extension system based on GRNN
JIA Baohui, TAN Chuyi, GAO Yuan, WANG Yuxin
2025, 51(12): 4052-4060. doi: 10.13700/j.bh.1001-5965.2023.0708
Abstract:

The condition monitoring data of critical aircraft systems and components has been continuously improved with the ongoing advancement of civil aircraft health management technology.The health status of the nose landing gear hydraulic retraction/extension system has a great influence on the take-off and landing of the aircraft. Although the system has multi-dimensional monitoring parameters, it is difficult to effectively use the monitoring data to accurately evaluate its health status. Aiming at the health assessment of the landing gear hydraulic retraction/extension system of a domestically developed regional aircraft, this paper constructs a simulation model of the system through AMESim, so as to study the influence of the working performance of the system due to the change of component parameter performance in the circuit. Previously, the performance data of different levels of the landing gear retraction/extension cylinder were the original data. In order to better assess the system’s health, a health index generation approach based on the generalized regression neural network (GRNN) was put forth after the feature parameters, such as the closing time and the maximum flow rate, were retrieved. The effectiveness is verified by comparing the results with other methods.

Rotor assembly and unbalance distribution driven by digital twins
WU Fayong, WANG Weibin, CHEN Xueqi, MA Yanhong, HONG Jie
2025, 51(12): 4061-4071. doi: 10.13700/j.bh.1001-5965.2023.0659
Abstract:

In response to the intricate challenges of digital assembly and unbalanced distribution control for advanced aero-engine rotors, this paper proposes a digital twin model to characterize the rotor’s unbalanced distribution. After a thorough sensitivity analysis of the assembly parameters, it was determined that the run-out of the end-face of the intermediate components and the static unbalance of the heavy mass components were the main factors influencing the rotor’s unbalanced distribution. The study effectively identified and adjusted the parameter thresholds in the digital twin model by using a data fusion technique using the collected assembly statistics data from many high-pressure rotors. This correction provides a robust model foundation for further initiatives in rotor dynamic response prediction and control.

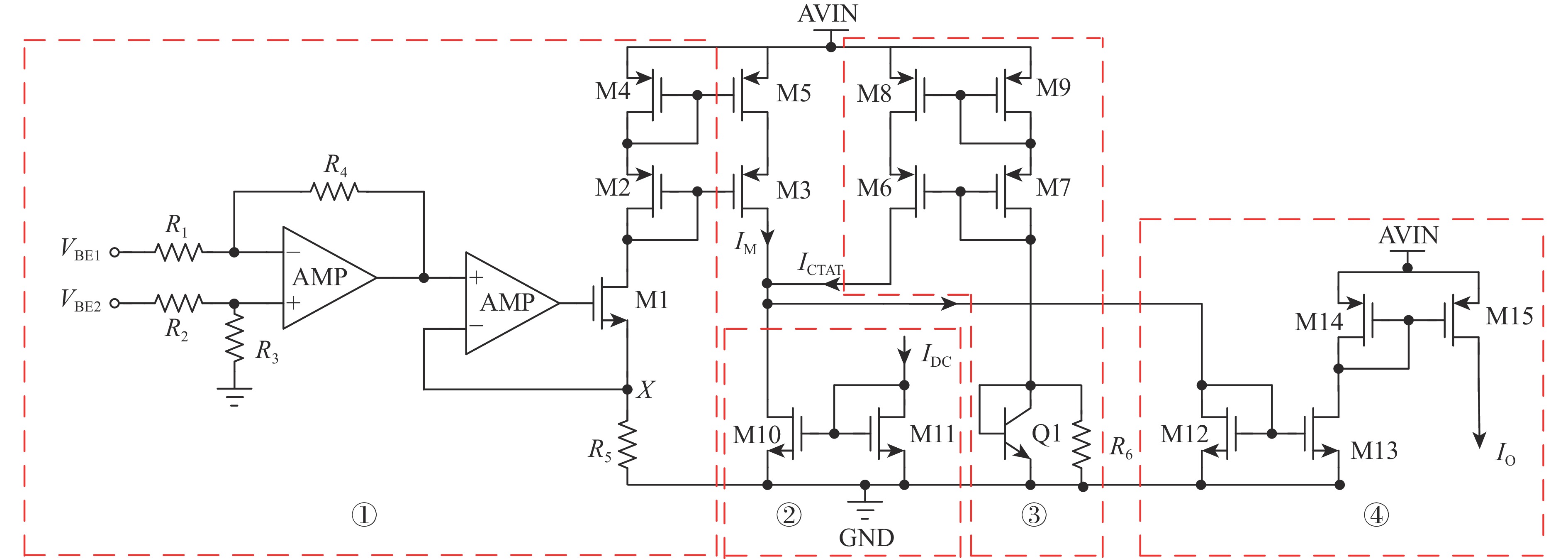
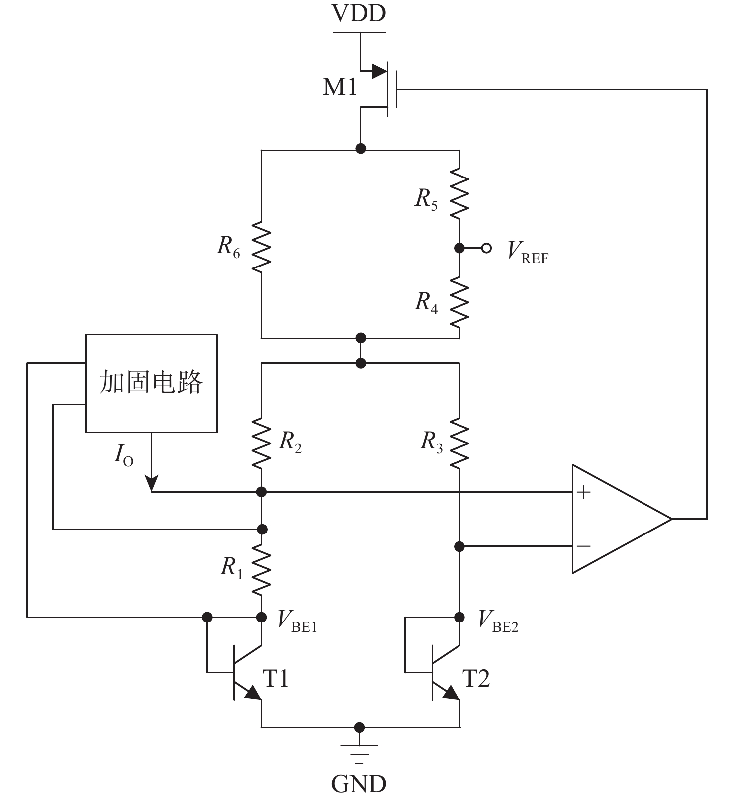
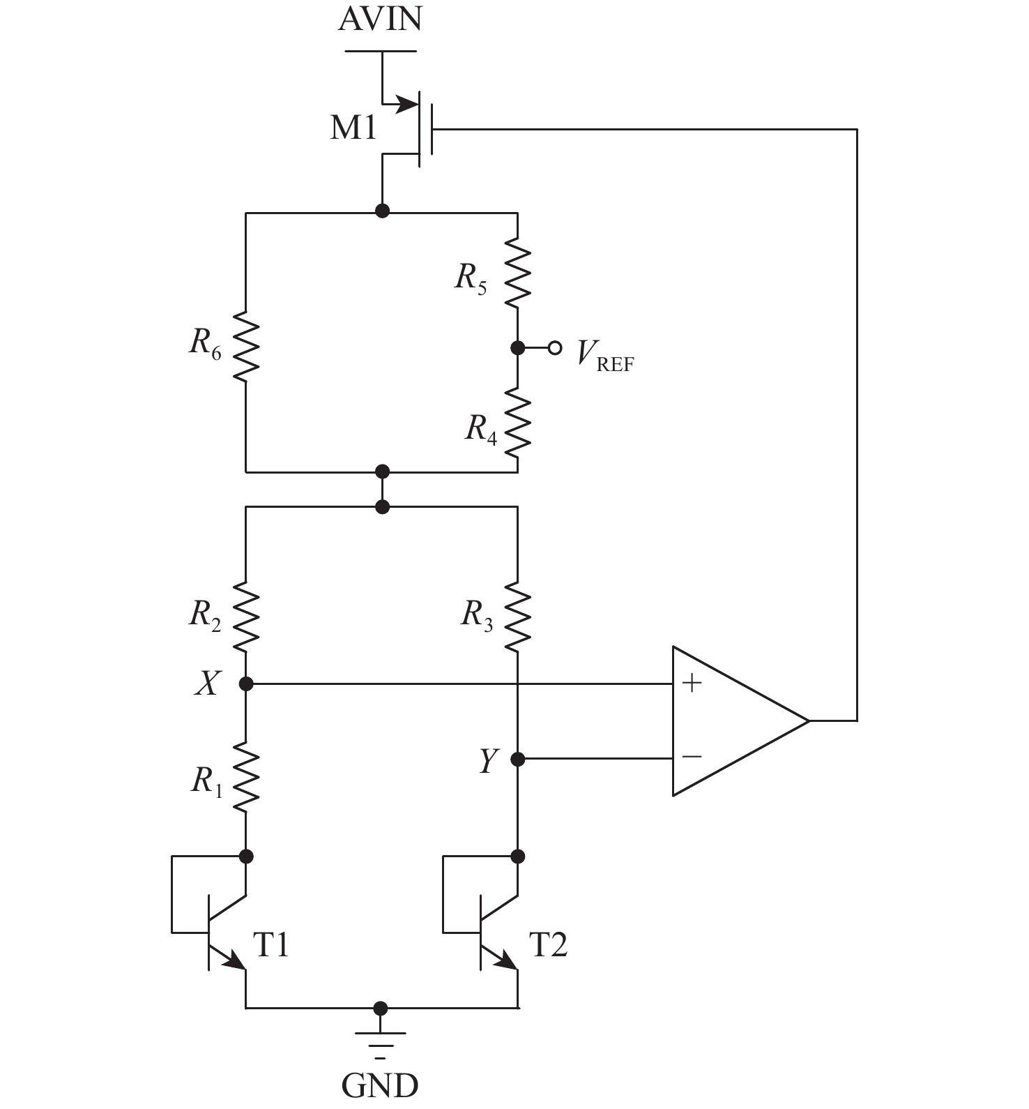
Based on on-chip real-time monitoring with adaptive compensation for anti-total dose bandgap reference
GUO Zhongjie, REN Yuan, WANG Yapeng, QIU Ziyi, LI Mengli
2025, 51(12): 4072-4079. doi: 10.13700/j.bh.1001-5965.2023.0697
Abstract:

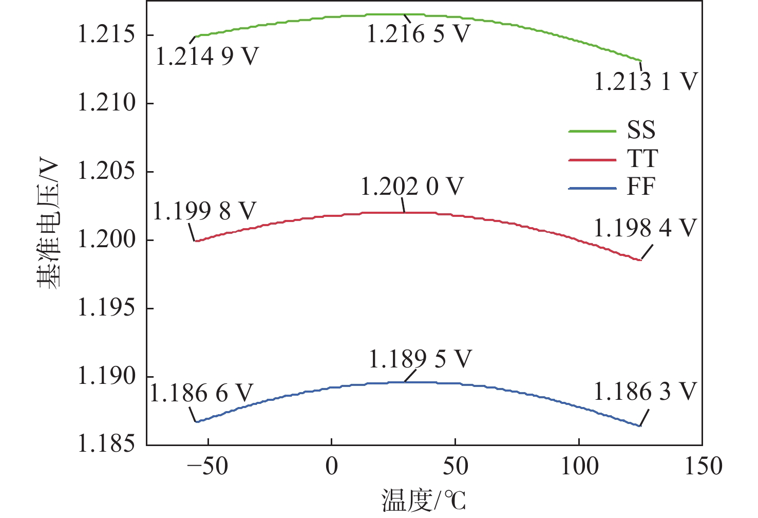
Bipolar transistor base current leakage and a drop in current gain will occur in bandgap reference circuits exposed to total dose radiation. This will cause the output voltage of the bandgap reference to move and its dependability to decline. To address the issues of high cost, large layout area, and low universality that traditional total dose reinforcement methods for bandgap references based on process, layout, and device can bring, this method is suggested. An on-chip total dose real-time monitoring and adaptive compensation method is proposed to realize circuit-level total dose reinforcement and improve the radiation resistance of bandgap references. Based on the 0.18 μm BCD (Bipolar-CMOS-DMOS) process, specific circuit design, back-end physical implementation and comprehensive verification of the proposed method are carried out. Under radiation conditions of 100−300 krad (Si) under various process angles, the results demonstrate that the output voltage offset of the bandgap reference is improved from 3.4−18.5 mV voltage offset (100−300 krad) prior to reinforcement to the maximum offset voltage following reinforcement, which is 1 mV (100−300 krad). This provides a new method for designing irradiation-resistant reinforcement of bandgap references at the circuit and system levels.

Chaos ephemeran algorithm combining polynomial difference learning and dimensional variation
MAO Qinghua, ZHAO Bing, LI Yang
2025, 51(12): 4080-4092. doi: 10.13700/j.bh.1001-5965.2023.0698
Abstract:

Due to the slow convergence speed in the early stages and low convergence accuracy in the later stages of the Mayfly Algorithm (MA), a chaotic mayfly algorithm incorporating polynomial differential learning and dimension-wise mutation, named LOPMA, is proposed. This algorithm introduces an improved Logistic chaotic mapping to ensure uniform distribution of initial solutions, thereby avoiding premature convergence. A dimension-wise mutation strategy is adopted to prevent the algorithm from being trapped in local optima due to inter-dimensional interference. Furthermore, a polynomial differential learning strategy is integrated to enhance the information exchange among individuals, thereby improving the optimization precision. Each of the three improvement strategies was individually implemented and evaluated through ablation experiments to demonstrate their respective effectiveness. Comparative simulations of LOPMA were conducted on 12 benchmark functions with variable dimensions. On the CEC2017 test functions, LOPMA was compared with six other intelligent optimization algorithms as well as other recently proposed variants of mayfly algorithms. The results show that the combination of polynomial differential learning and dimension-wise mutation enables LOPMA to achieve better stability, faster convergence speed, and higher accuracy.

Application of composite structural battery in civil aircraft
LI Xing, LOU Yang, DONG Jiaqi, XU Jifeng, WU Haihong, SHI Weifeng
2025, 51(12): 4093-4105. doi: 10.13700/j.bh.1001-5965.2023.0701
Abstract:

The composite structural battery enables the traditional composite structure not only to meet load-bearing requirements, but also to provide an electrical storage capability, which is one feasible way to realize the integration of structure and function in civil aircraft. In this paper, the research status and performance of composite structural batteries are reviewed. The structural stiffness efficiency and structural strength efficiency of the composite structure battery are about 60% respectively, and the energy storage efficiency is about 50%. The aircraft galley system and in-flight entertainment system can be powered primarily by the composite structure battery. As technology advances, it can also power the cabin environmental control system, wing electric anti-icing, and other systems. The first choice for structural battery application is the cabin floor, galley/lavatory structure, followed by wing-body fairing, wing/tail trailing edge and other structures. The advantages and disadvantages of composite structure batteries applied to civil aircraft structures are analyzed comprehensively. In typical application scenarios, composite structure batteries can achieve structural weight reduction and fuel saving benefits, but also bring an increase in manufacturing costs, inspection and maintenance costs, and ground electrical charging/infrastructure construction costs. Battery thermal management and cabin fire safety technologies face additional difficulties as a result of the use of composite structure batteries in passenger aircraft.

SAR target recognition method under limited measured sample conditions
SUN Xiaokun, CHEN Yang, HU Canbin, XIANG Deliang
2025, 51(12): 4106-4114. doi: 10.13700/j.bh.1001-5965.2023.0648
Abstract:

Deep learning is widely applied in the field of automatic target recognition (ATR) for synthetic aperture radar (SAR). The lack of annotated samples and the distinct imaging properties of SAR images are addressed in this work by proposing a transfer learning method based on a deep feature fusion model. The proposed algorithm fuses the globally extracted features from the convolutional neural networks (CNN) branch and the attribute scattering features from the graph neural networks (GNN) branch, thereby fully utilizing both the amplitude and phase information of SAR images for target recognition. The model parameters are pre-trained using fully simulated SAR data, and an adversarial training algorithm based on projected gradient descent is employed during the training phase. Lastly, a small amount of measured data is used to iteratively refine the pre-trained model in line with the principles of transfer learning. According to experimental data, the proposed method successfully improves the accuracy of SAR target recognition in the limited measured sample situation and reaches a recognition rate of 94.43% in the case of a complete lack of measured samples.

Neural networks-based fault-tolerant control design for unmanned helicopter with multiple actuator faults
YAN Kun, ZHAO Jinze, CHEN Chaobo, GAO Song, CAO Kai
2025, 51(12): 4115-4124. doi: 10.13700/j.bh.1001-5965.2023.0699
Abstract:

Actuator fault threatens the flight safety of the unmanned helicopter seriously. This paper suggests a composite fault-tolerant flight control algorithm for the unmanned helicopter that takes into account both the actuator bias fault and the loss of effectiveness fault at the same time. Firstly, the nonlinear fault observer is designed to estimate the unknown actuator bias fault in real time. Meanwhile, the auxiliary system method is combined with the neural network technique to deal with the loss of effectiveness of the actuator. Finally, the composite fault-tolerant controller is developed for the unmanned helicopter based on the backstepping approach, and all error signals of the closed-loop system are proved to be bounded and convergent via Lyapunov stability analysis. According to simulation results, the proposed control scheme can guarantee the unmanned helicopter's flight safety and increase its fault-tolerant capability under multiple actuator failures.

Attitude compound control technology for micro/nanosatellite variable orbit maneuvering segment
LU Zhengliang, XIE Haodong, NI Tao, XU Hao
2025, 51(12): 4125-4135. doi: 10.13700/j.bh.1001-5965.2023.0688
Abstract:

A compound attitude control system combining zero-momentum control and moving mass technology is offered to address the problem of reducing long-term thrust eccentricity disturbances during orbital maneuvers for micro/nanosatellites using a single thruster. A novel composite actuator is constructed based on the zero-momentum wheel system and a two-dimensional translational servo mechanism. Models of slider translational dynamics and attitude rotation dynamics are developed and refined, taking into consideration additional disturbance torques and the offset of the inertia axis. A dual-loop compound attitude control system comprises an model predictive control (MPC) controller for attitude control and a discrete proportional-integral-derivative (PID) controller for compensating thrust eccentricity moment. According to numerical simulation results, the dual-loop attitude controller converges attitude angle errors to within ±0.01° while maintaining non-saturation of the Reaction wheel, and the disturbance observer successfully monitors slow-time-varying thrust eccentricity moments during extended orbital maneuver missions of micro/nanosatellites. These results validate the viability of the compound attitude control approach.

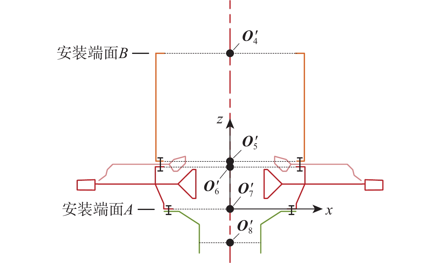
Orthogonality and mounting matrix calibration technology of high precision vector magnetometer
LI Zhihong, WANG Jindong, ZHANG Yiteng, WU Wenmin, LIU Yuan
2025, 51(12): 4136-4143. doi: 10.13700/j.bh.1001-5965.2023.0675
Abstract:

The nonorthogonality and mounting matrix deviation of vector magnetometers are important components for high-precision vector magnetic field measurement errors. Improving orthogonality and mounting matrix calibration accuracy is beneficial for further reducing measurement errors of vector magnetic fields. This article conducts ground calibration testing technology research on high-precision magnetometers using a high-precision calibration equipment made up of a calibration coil, a high-precision non-magnetic turntable, and a self-developed big space magnetic shielding chamber. The focus is on the calibration technology of the orthogonality and mounting matrix of the magnetometer. Based on the “Thin Shell” calibration method, multi-point rotation measurement was verified and high-precision orthogonality calibration was achieved. After correction, the residual was only 0.0014°, which is an order of magnitude lower than traditional methods and effectively reduces the heading error of vector magnetometers. The ideal mounting matrix of the sensor under experimental conditions was found by fitting and calculating the conversion parameters of the direct measurement data. This resulted in a calibration accuracy of 0.0035°, significantly reducing the measurement error brought on by installation angle deviation in vector magnetic field measurement.

Data security transmission protection mechanism for L-band digital aeronautical communications system based on national cryptographic algorithms
LI Ruiqi, HUANG Yongqiang, LIU Liang, YUE Meng
2025, 51(12): 4144-4156. doi: 10.13700/j.bh.1001-5965.2023.0656
Abstract:

Due to its widespread use in unprotected channels, digital communication in civil aviation is extremely vulnerable to hostile network assaults. Therefore, when designing an aviation broadband system, data link security issues should be considered. A security architecture based on L-band digital aviation communication system (LDACS) was designed, and a data security transmission technology scheme applied to the LDACS system was proposed. For user data, the confidentiality and integrity of user data are guaranteed by using national cryptographic algorithms based on the user data message structure. For control data, the security authentication of broadcast control (BC) data is achieved by using the timed efficient stream loss tolerance authentication (TESLA) protocol. According to the experimental findings, the average byte overhead of integrity messages in secure transmission messages between air and ground is less than 10%. Additionally, the protocol's computation and time overhead can satisfy the application scenario, resulting in end-to-end secure data transmission.

Control system model of COVID-19 and its application in predicting the epidemic outbreak
XIAO Wenlei, LIU Qiang, WANG Liuquan, ZANG Chenxin, JING Mingxia
2025, 51(12): 4157-4168. doi: 10.13700/j.bh.1001-5965.2023.0663
Abstract:

Since January 2020, the world has experienced the impact of the once-in-a-century pandemic for over three years. With the variation of the severe acute respiratory syndrome coronavirus 2(SARS-CoV-2), it is commonly known as the variation of COV1D-19, the global prevention and control strategy has also undergone tremendous changes. Reviewing the whole epidemic prevention and control process, every mutation of the COVID-19 probably brings huge challenges to the next epidemic prevention and control policy. Thus, the key to the success or failure of epidemic prevention has gradually changed to identifying the appropriate methods. It is also very valuable to foresee the epidemic's development pattern in advance and to derive plausible measures to avoid epidemics. Based on classical control theory, this paper aims to reveal the internal mechanism of epidemic transmission, and explain the intervention mechanism and effectiveness analysis of various prevention and control measures by constructing the epidemic infection model of severe acute respiratory syndrome (SARS) and the COVID-19 different variants. In contrast to the widely used susceptible-infected-recovered/susceptible-exposed-infected recovered (SIR/SEIR) models in the field of epidemic analysis, the constructed model's strength is in its capacity to effectively prescribe epidemic prevention and control measures and to provide early risk alerts, rather than on its ability to predict the ultimate number of infections. This paper expects that the control system model can be used to reveal some laws of the spread of this round of the COVID-19 epidemic, so that control theory can be introduced into future epidemic prevention and control cases to achieve the purpose of early warning and dynamic prevention and control.

Fusion method for automobile tire-road friction coefficient observation
YONG Jiawang, DONG Yiyao, LI Yansong, CHEN Yanyan, FENG Nenglian
2025, 51(12): 4169-4177. doi: 10.13700/j.bh.1001-5965.2023.0667
Abstract:

The tire-road friction coefficient (TRFC) is an essential factor affecting driving stability and dynamic control of the automobile. However, when the car is starting or the road conditions change suddenly, the unscented Kalman (UKF) based TRFC observer using a nonlinear model converges slowly; under conditions of large lateral acceleration, the accuracy of the strong tracking Kalman (STKF) based TRFC observer using a linear model significantly decreases Therefore, a TRFC observation method based on the fusion of UKF and STKF is proposed. The control-oriented two-degree of freedom linear and three-degree-of-freedom nonlinear vehicle models, the Dugoff tire model are established. A STKF-TRFC observer is designed based on a linear vehicle model and a time-varying fading factor, a UKF-TRFC observer is established based on a nonlinear vehicle model and tire model. The critical point between linear and nonlinear tire lateral dynamics is explored, and the fading memory weighted least squares method is used to fuse the two observers in the critical region. The hardware-in-the-loop simulation results show that the proposed fusion observation method exhibits strong robustness and accuracy against changes in vehicle speed and road conditions. Its root mean square error drops by up to 59.2% and 56.9%, respectively, and its mean absolute error drops by up to 94.9% and 78.1% when compared to the single STRK-TRFC or UKF-TRFC observer.

Design and implementation of a hardware-in-the-loop simulation system for interceptor composite control
DENG Chen, CHEN Gong, AO Houjun, REN Siyuan, DU Wentao
2025, 51(12): 4178-4187. doi: 10.13700/j.bh.1001-5965.2023.0703
Abstract:

In order to verify the functionality of the composite control system of the interceptor, a hardware-in-the-loop simulation system was constructed, and simulation verification was carried out. Firstly, a six-degree-of-freedom dynamic mathematical model of the interceptor. Then the interceptor composite control system was designed, including a direct force control subsystem, an aerodynamic control subsystem and a composite control strategy based on the interception process analysis. We created a tiny hardware-in-the-loop simulation system and examined its confidence by looking at the hardware model, software platform, data interaction network, and system design. Lastly, the control effects of hardware-in-the-loop simulation and full digital simulation were compared under various interception scenarios. The results confirm the accuracy and efficacy of the interceptor's composite control system and demonstrate the high degree of confidence in the hardware-in-the-loop simulation system, which can be used to validate models and algorithms.

Finite time robust control of morphing aircraft based on time-varying gain observer
SUN Bing, CHEN Wei
2025, 51(12): 4188-4195. doi: 10.13700/j.bh.1001-5965.2023.0704
Abstract:

The morphing aircraft has the characteristics of strong nonlinearity, strong coupling, and strong time variation characteristics in the morphing process, which brings great challenges to the design of the flight control system. To solve this problem, a time-varying gain extended state observer was proposed to accurately approximate the system coupling term. A finite time constrained robust adaptive controller was created by combining finite time control theory with adaptive backstepping control technology. By designing an obstacle Lyapunov function, the actual control law and adaptive network update law were recursively obtained step by step, ensuring that the system command tracking error can converge to a predetermined range in finite time. Finally, the effectiveness of the designed control system was verified through attitude control simulation. According to the simulation results, the morphing aircraft is essentially unaffected by the morphing rate and is capable of tracking command messages during the morphing process.

Buckling characteristics of metal-ceramic functionally graded plates in thermal loading environments
LI Chang, WAN Zhiqiang, WANG Xiaozhe, YANG Chao, LI Keyu
2025, 51(12): 4196-4206. doi: 10.13700/j.bh.1001-5965.2023.0658
Abstract:

Because of its exceptional mechanical qualities, functionally graded material (FGM)— a unique material made up of a constantly changing mixture of two or more components—has earned respect in both academics and industry. Nonetheless, there are limited studies on the analytical approach to the impact of thermal loading on FGM. In this paper, a mechanical characterization method applicable to functionally graded plates is proposed, which is based on the Ritz method and classical plate theory. The study focuses on investigating the effects of thermal loading on the reduction of stiffness caused by thermal stresses, and the effects of material property changes at different temperatures on FGM. The thermal buckling of functionally graded plates is analyzed under the uniform, linear, and nonlinear temperature fields. Strain energy and thermal strain energy are used to establish differential equations of motion through the energy method and Hamilton’s principle. Furthermore, the functionally graded plates’ mechanical characteristics are examined in connection with the width-to-thickness ratio, temperature field, gradient index, and width-to-length ratio. The results indicate that the gradient index exerts a complex nonlinear influence on the buckling characteristics of functionally graded plates, with significant effects arising from the temperature field distribution and the temperature-dependent properties.

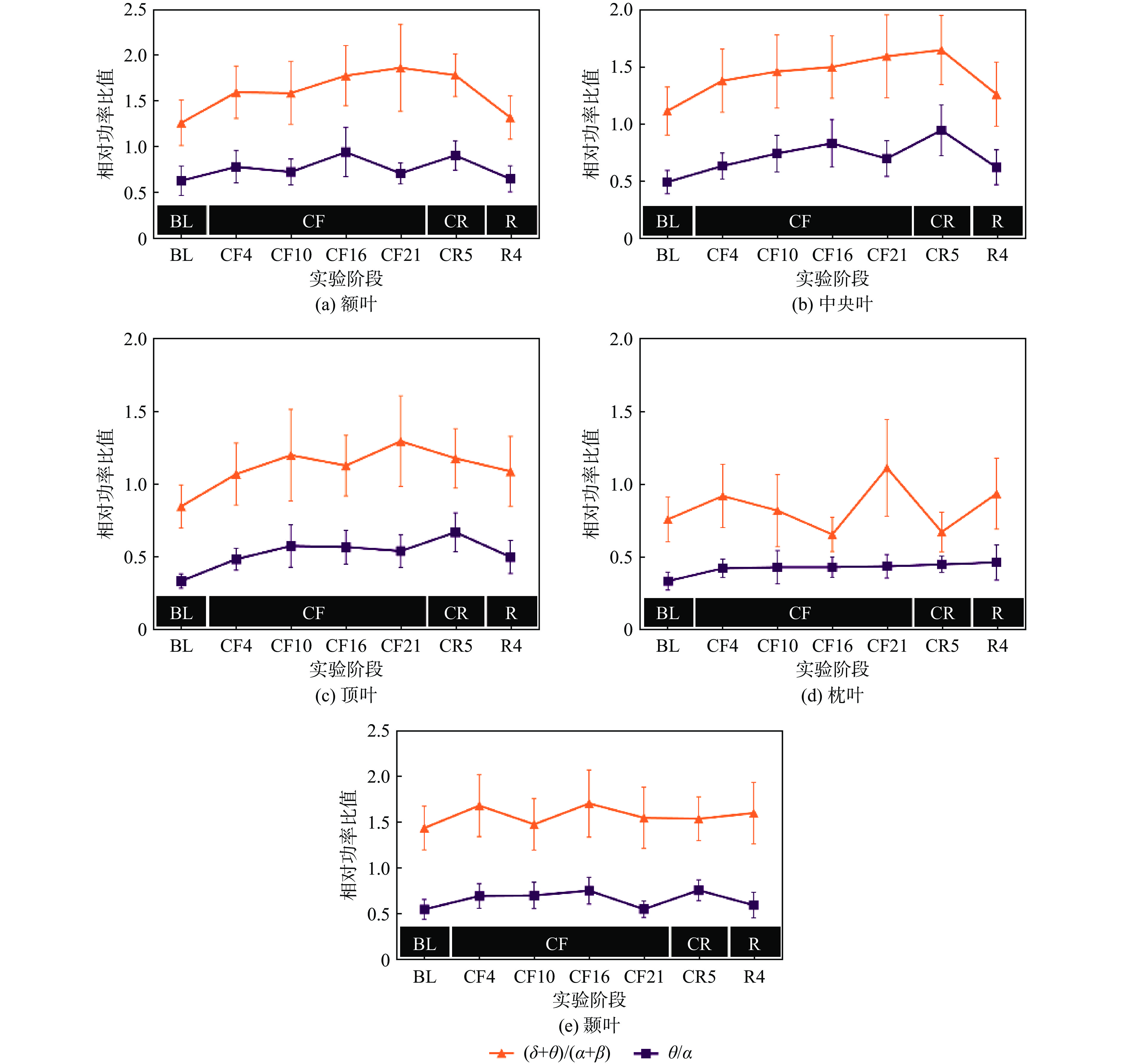
EEG characteristics of changes in adult memory and attention function under 21 days fasting
YIN Ying, DONG Le, ZHOU Qianxiang, LIU Zhongqi
2025, 51(12): 4207-4215. doi: 10.13700/j.bh.1001-5965.2023.0681
Abstract:

In space rescue missions, the rescued personnel may experience food shortages. In order to determine rescue missions, it is essential to examine the behavioral performance and electroencephalogram (EEG) signal changes of healthy adults completing short-term memory and concentration activities while fasting for 21 days. This paper recruited 13 volunteers and had them participate in a 21-day complete fasting experiment divided into 4 experimental stages in an experimental cabin. During this time, volunteers who completed the Two-back paradigm short-term memory task had their performance and resting state EEG data collected. Power spectrum analysis was used to determine the characteristics of the different rhythmic components in the EEG signals in order to assess the volunteers’ memory and attention changes. The results showed that the task response time was significantly prolonged during prolonged fasting (P<0.05), and the change in accuracy was not significant. The reaction speed and concentration level of volunteers gradually weaken, and the impact is most significant around the 16th day; During fasting, δ activity increased, α activity decreased, (δ+θ)/(α+β), θ/α ratio increased, and changes occur during the 10th to 16th day of fasting, and return to normal during the recovery period. Based on EEG and performance data, this paper believes that after 21 days of fasting δ, α, (δ+θ)/(α+β), θ/α changes significantly in the long period of fasting. Based on the features of each rhythmic element, these markers show how volunteers’ basic cognitive function will be impacted by attentional distraction and working memory loss during fasting. The main changes occur from the 10th to the 16th day of fasting. The research results of the paper can be used as supporting data for the assessment of cognitive ability changes during long fasting, and it also provides a reference for further exploring the mechanism of fasting in future aerospace and other fields.

Intelligent scheduling method for space-based optical sensors based on heterogeneous graph
PENG Houwu, TIAN Jingfeng, WU Xiaojie, MA Heyang
2025, 51(12): 4216-4225. doi: 10.13700/j.bh.1001-5965.2023.0706
Abstract:

With the increasingly complex orbital environment, how to schedule the limited space-based optical sensor resources to observe more space targets has become an urgent problem. To solve this problem, an intelligent sensor scheduling method based on heterogeneous graphs is proposed. In this method, the solution process of the sensor scheduling scheme is modeled as a Markov decision process (MDP), and the sensor scheduling scheme is characterized as a heterogeneous graph structure composed of three kinds of nodes: targets, sensors and visible time windows. The sensor scheduling agent is taught via reinforcement learning, while the heterogeneous graph neural network encodes the heterogeneous graph topology. According to the ablation study, the multi-layer perceptron encoder has a 7.5% lower return than the suggested heterogeneous graph neural network encoder. The proposed method is compared with the simulated annealing method and potential game method in test scenarios with different numbers of targets and sensors. The results show that compared with the two methods, the proposed algorithm has a more balanced performance in terms of online solving speed and target capacity.

Model and seat tip-off stability analysis of ejection seat-dummy system
YANG Haifeng, LI Zhigang, TAN Yuedong, XIAO Penghui, KONG Wei
2025, 51(12): 4226-4234. doi: 10.13700/j.bh.1001-5965.2023.0654
Abstract:

To study the tip-off stability of ejection seat, a finite element model was constructed based on an ejection seat, which includes the components of the seat basin, umbrella box, and ejection device, and then the seat-dummy system model was obtained by combining the seat model with a dummy model. The ejection experiment was carried out and the movement process, acceleration, angular velocity, and pitch angle were collected. The established ejection seat-dummy model has a rather high accuracy, as demonstrated by the simulation results of the seat-dummy model that were verified using these data. Sensitive analysis on the seat tip-off stability was carried out using the validated seat-dummy model. Three aspects were explored, including the thickness of the seat components, the configuration of the slider, and the force of the leg-limiting belt. The results show that seat tip-off stability is sensitive to the thicknesses of the rail groove, rail itself, and seat side plate, and the configuration of the slider, as well as the starting time of the leg-limiting force. Nonetheless, there is very little impact on the seat tip-off stability from the force of the limited leg belt and the thickness of the ejection inner cylinder.

Finite element simulation for ultrasonic testing of materials with coarse-grained tissue
YANG Gongpeng, ZHOU Zhenggan, MA Tengfei, WANG Jun, LI Yang, ZHOU Wenbin
2025, 51(12): 4235-4245. doi: 10.13700/j.bh.1001-5965.2023.0676
Abstract:

The acoustic characteristics of coarse-grained metal materials are complex due to the coarse grain, anisotropy, and non-uniformity. Ultrasonic testing has a poor signal to noise ratio because of severe waveform distortion, energy attenuation, and structural scattering that occur when ultrasonic waves propagate inside it. To investigate the propagation law of ultrasonic waves in coarse-grained materials and provide theoretical guidance for the ultrasonic testing scheme, a finite element simulation modeling method for ultrasonic testing of coarse-grained materials was proposed. A two-dimensional grain model of the material was generated based on the Voronoi diagram algorithm. The anisotropic orientation of the grains was defined through the form of the material elasticity tensor. A finite element acoustic simulation method that enables parametric calculations was established. The simulation modeling research was carried out in terms of both acoustic attenuation and full matrix capture (FMC). A simulation model of the acoustic attenuation measurement of nickel-based high-temperature alloy GH4169 was established. A comprehensive matrix capture data acquisition simulation model was developed for titanium alloys using additive manufacturing, and the acoustic attenuation patterns of ultrasonic waves of various frequencies at various anisotropy indexes and grain sizes were simulated and examined. The signal-to-noise ratios of total focusing method (TFM) imaging at different anisotropy indexes and different detection directions were simulated and analyzed. The phase coherence factor (PCF) denoising imaging was performed on the TFM imaging results of flat bottom hole defects. The signal-to-noise ratio of simulated and experimental flat bottom hole defects is improved by 23.52 dB and 24.72 dB, respectively. GH4169 specimens with different average grain sizes were prepared by heat treatment. The simulation approach’s validity is confirmed by the results of the acoustic attenuation measurement experiments conducted on GH4169 specimens and the TFM imaging studies conducted on a titanium alloy specimen employing additive manufacturing.

Integrated design of hypersonic aircraft wing layout and mission trajectory
YE Yiqiao, SHEN Haidong, LIU Yanbin, GAO Zepeng, KONG Xiang, CHEN Jinbao
2025, 51(12): 4246-4257. doi: 10.13700/j.bh.1001-5965.2023.0650
Abstract:

An integrated optimization approach based on Bayesian optimization theory is suggested for hypersonic aircraft in order to lower the computing cost and speed up the rate of convergence during multidisciplinary design optimization (MDO). This approach simultaneously gives the best wing arrangement and matching mission trajectory. Firstly, surrogate models of aerodynamic characteristics coefficients are constructed for hypersonic aircraft with different wing configurations. Based on this, an integrated iterative design process for the wing layout and trajectory is built using the Bayesian optimization approach. The output of this process is the optimal fuel consumption determined by the hp adaptive Radau pseudospectral method, while the input is the wing design parameters. With the sample points updated through the expected improvement (EI) function, the wing layout and corresponding optimal mission trajectory for specific flight missions are updated automatically. Simulation results show that the proposed method can significantly improve the iterative design efficiency while keeping the convergence accuracy, and it shows great value in engineering applications.

Anti-frequency sweeping jamming method for linear frequency modulated fuze based on CFAR detection
YANG Qiuyan, HAO Xinhong, QIAO Caixia, YANG Jin
2025, 51(12): 4258-4267. doi: 10.13700/j.bh.1001-5965.2023.0660
Abstract:

In response to the problems of “premature explosion” and “misfire” caused by sweeping jamming in frequency modulated fuzes, a jamming elimination and signal reconstruction method combining constant false alarm rate (CFAR) detection and Burg extrapolation is proposed. To eliminate the impact of jamming on the fuzes, the technique uses a CFAR detector to detect the time-frequency distribution of the jamming and sets the signal energy of the jamming position to zero. This is based on the distribution differences between the target echo signal and the jamming of the beat signal in the time-frequency domain. A Burg extrapolation-based signal reconstruction technique is suggested to rebuild the target echo during the zeroing interval, aiming to address issues like partial fragment loss and the decrease in signal-to-noise ratio brought on by zeroing. The performance of the method is verified by simulation and actual measurement. The outcomes demonstrate that the anti-jamming method put forth in this research is capable of successfully suppressing sweep interference in the frequency modulated fuze beat signal.

Evaluation of TDOA based air target localization algorithm using GNSS-based passive radar
TAN Chuanrui, LI Tang, CHEN Wenqian, WANG Feng, YANG Dongkai, WU Shiyu
2025, 51(12): 4268-4278. doi: 10.13700/j.bh.1001-5965.2023.0685
Abstract:

The effectiveness of the air target localization method based on time difference of arrival (TDOA) is assessed using passive radar based on the global navigation satellite system (GNSS). The equations of localization and their weighted least squares solution are derived. To determine the weight matrix, an elevation-dependent model and a signal to noise ratio(SNR)-dependent model are introduced. Simulation and outdoor experiment results show that the elevation-dependent model and SNR-dependent model can effectively reduce the position error of the TDOA based air target localization algorithm compared with the unweighted model. When the number of satellites used for localization is fewer than seven, the position performance improves quickly as the number of satellites used increases. However, the improvement trend slows down if more than seven satellites are employed. The evaluation of geometric dilution of precision shows that there is a positive linear correlation between the geometric dilution of precision and position error. In outdoor experiment, the maximum position error of airliners is 206.30 m, and the minimum position error is 13.85 m.

Analysis and suppression of radial velocity estimation error for moving targets in wideband LFMCW radar
ZHOU Wei, LEI Peng, WANG Jun, WANG Jian
2025, 51(12): 4279-4285. doi: 10.13700/j.bh.1001-5965.2023.0689
Abstract:

Stretch processing is typically used by broadband linear frequency modulation continuous wave (LFMCW) radars to achieve high range resolution in the precise measurement of moving targets. However, the sampling echoes of the motion target could cause interference components on the Doppler velocity spectrum. To address such an issue, this paper proposes a novel method to reduce its influence on the estimation of target radial velocity in wideband LFMCW radar. The phenomenon is first studied in theory by using the mathematical model of wideband LFMCW radar echoes. On this basis, a suppression method of radial velocity estimation error for moving targets is proposed. The Chirp-z transform in the fast-time domain is introduced in the refined processing over the beat frequency signal spectrum. It could help improve the estimation accuracy of target radial velocity with much less computational cost. Finally, comparative simulations are carried out to evaluate the performance of the proposed method. The results show that the proposed method can effectively suppress the residual phase caused by pulse compression in the discrete fast-time domain and the estimation error of target radial velocity in the wideband LFMCW radar. Additionally, it performs better in terms of computing cost than the traditional fast Fourier transform (FFT) based approach and is robust to noise.

High-speed target drone somersault maneuver control based on neural network incremental dynamic inversion
ZHAI Youhong, LI Chuntao, SU Zikang, LI Xuebing
2025, 51(12): 4286-4298. doi: 10.13700/j.bh.1001-5965.2023.0690
Abstract:

A neural network incremental nonlinear dynamic inversion (INDI) controller accounting for the actuator input constraint is proposed to address the issue of the high-speed target drone’s propensity to produce strong and time-varying nonlinear aerodynamic characteristics during the somersault maneuver. This controller employs a back propagation (BP) neural network to compensate for a variety of uncertain disturbance factors during the UAV’s somersault maneuver flight. Firstly, the flight control framework of the UAV somersault maneuver based on INDI is established. Secondly, considering that the INDI control law has insufficient anti-disturbance ability, a neural network is introduced to compensate for the model error under the control framework, and the system stability is analyzed according to Lyapunov’s theorem to ensure the semi-global consistent final bounded tracking of the system. Then, an incremental control allocation method is proposed to design the objective function based on the principle of minimum tracking error to solve the rudder deflection angle increment satisfying the actuator input rate and saturation constraints. Lastly, the simulation results demonstrate that even in the event of model mismatch and external disturbance, the neural network incremental dynamic inversion controller can guarantee that the high-speed target drone can still execute the somersault maneuver command precisely and swiftly.

Monitoring lake water area change based on spaceborne GNSS-R technology
ZHOU Zhiling, GUAN Dongliang, LI Sisi, XIA Yimin
2025, 51(12): 4299-4309. doi: 10.13700/j.bh.1001-5965.2024.0411
Abstract:

Poyang Lake is the largest freshwater lake in China, and its changes in water area have a significant impact on water resource management, disaster prevention and control, and socio-economic development. This study focuses on the application of the spaceborne global navigation satellite system-reflectometry (GNSS-R) technology in monitoring the area changes of the lake. Using the cyclone global navigation satellite system (CYGNSS) satellite's observation data, the surface reflectance is computed as a characteristic parameter based on the GNSS-R scattering model. Additionally, the water area is identified and computed. The specific steps are as follows: based on the satellite GNSS-R surface reflectance calculation model, the surface reflectance of the Poyang Lake area is first calculated. Then, the location of the water is identified by using the grid interpolation and threshold method. Finally, the water area is estimated based on the number of grids passing through water bodies and their spatial resolution. The results of the water area computation method suggested in this study are also evaluated using Sentinel-1 and Sentinel-2 remote sensing pictures to confirm its efficacy. This study shows that there is a significant similarity between the water area of Poyang Lake extracted from spaceborne GNSS-R technology and the water area of Poyang Lake obtained from Sentinel-1 and Sentinel-2. The Pearson correlation coefficients between them are 0.91 and 0.94, respectively. Based on the results of Sentinel-2, the monthly average deviation of the water area of Poyang Lake based on CYGNSS and Sentinel-1 was 315.42 km2 and 271.45 km2, respectively, and the corresponding monthly average deviation percentages were 17.2% and 13.1%, respectively. This study furtherly verifies the reliability and the application prospects of spaceborne GNSS-R technology in monitoring lake water areas with high spatiotemporal resolution, providing data support for water resource management and disaster prevention.

Vision-based mobile positioner insertion method for pose alignment of large components
SUN Yang, ZHAI Yunong, YANG Yingke, YE Xia, FU Wei, LI Dongsheng
2025, 51(12): 4310-4322. doi: 10.13700/j.bh.1001-5965.2023.0591
Abstract:

The pose alignment of large components is a critical step in aircraft assembly. Prior to the assembly of large components, it is necessary to insert the ball-head of the positioner into the ball socket to support the component. Currently, the state-of-the-art process is primarily guided by manual operation, resulting in significant positioning errors, low efficiency, and potential safety risks. This paper proposes a vision-based mobile positioner insertion method. Firstly, a modified YOLO-v5s object detection model is applied to obtain the position of the ball socket. Then, a coordinate attention (CA) attention mechanism module is added between the backbone network and neck network. The Bidirectional feature pyramid network (Bi-FPN) was adopted as the neck network, and the gradient-weighted class activation mapping (Grad-CAM) is used to visualize the operation of the model. The results show that up to 30 frames per second, the precision of the updated YOLO-v5s model surpasses 99.5%, with a 2% increase in mAP0.5:0.95. The coordinate system unification is then accomplished via hand-eye calibration methods, and the transformation matrix is calculated using a linear model that incorporates the random sample consensus (RANSAC) algorithm. Compared to traditional hand-eye calibration algorithms, the accuracy is improved by 22.0%−77.2%. Finally, the experimental validation of the proposed method is conducted, which demonstrates that the error of insertion is within 1mm, which fulfills the precision requirements of the insertion in the pose alignment of large components.

Research on constitutive parameters of high-efficiency inverted metamorphic GaAs triple junction solar cell for space applications
GAO Hongxin, ZHAO Shougen, ZHU Jialin, YU Yihao, LIU Xin
2025, 51(12): 4323-4329. doi: 10.13700/j.bh.1001-5965.2023.0651
Abstract:

Another option for the next generation of solar cells for space applications is the inverted metamorphic (IMM) GaAs triple junction solar cell, which has a greater photoelectric conversion efficiency since it significantly addresses the current issue of subcell mismatch. IMM solar cells have the mechanical properties of ductile materials, which are different from the brittle materials properties of conventional GaAs triple junction solar cells; therefore, the accuracy of the constitutive model of IMM solar cells is a key factor in simulating its resistance to the mechanical environment. In this paper, the Voce constitutive model is used to simulate the tensile experimental process of IMM solar cells. On the basis of the ANSYS-OptiSlang co-simulation platform, the NLPQL optimization algorithm is used, and the tensile experimental validation is combined to form the objective function with the difference between the numerical simulation and experimental data. Then, the objective function is minimized to acquire the parameters of the constitutive model. The results indicate that the stress-strain curves calculated by the inverse optimization method are very similar to the experimental results. The ensuing mechanical simulation analysis can make use of the IMM solar cell constitutive model that was created using this technique.

Recognition of hypersonic inlet unstart state based on KMMS-ReliefF and SA-SVMRFE
ZHU Bokai, MIN Ke, WANG Jingyao, ZENG Jianping
2025, 51(12): 4330-4341. doi: 10.13700/j.bh.1001-5965.2023.0655
Abstract:

Inlet unstart state can seriously affect the normal operation of hypersonic engines. Based on the pattern classification method of steady state pressure information, a hypersonic three-dimensional internal rotary combined inlet is taken as the research object to solve the unstart state recognition problem by extracting the key reliable wall pressure measurement points and constructing a high-accuracy classification model. Firstly, a number of along-track wall pressure data are obtained for several start/unstart states by numerical simulation, under different Mach numbers and back pressure conditions. Secondly, an algorithm integrating ReliefF (KMMS-ReliefF) and k-means clustering is proposed for the construction of the measurement points selection methods; this algorithm solves the imbalance of start/unstart categories of the dataset while completely considering the weight information of the joint feature pairs. Besides, in order to take into account the feature weights and the global classification accuracy, an improved SVM Recursive Feature Elimination Algorithm with simulated annealing strategy is proposed (SA-SVMRFE). Finally, the two algorithms are combined into a two-stage algorithm (KRSAS). A significant number of unnecessary measurement points are swiftly eliminated from the original dataset in the first stage using the KMMS-ReliefF algorithm. In the second stage, the SA-SVMRFE algorithm eliminates the redundant measurement points from the remaining subset of points. Then the comparison is made with the other four combined algorithms. The experimental results show that the combinatorial algorithm proposed in this paper is significantly lower than other algorithms in terms of optimal feature subset dimension. The unstart recognition model trained by 10-fold cross-validation SVM (10-cv SVM) has an average classification accuracy of more than 99% in the test set of each model tunnel, and has high operational efficiency. In addition, other classification algorithms such as kNN and AdaBoost are used to verify the reliability of the optimal measurement point combinations.

A Prediction method of rolling bearing performance degradation trends based on digital twin models
CHEN Jingyu, MA Jun, XIONG Xin, GUO Kai
2025, 51(12): 4342-4352. doi: 10.13700/j.bh.1001-5965.2023.0657
Abstract:

Aiming at the problem that the existing rolling bearing performance degradation trend prediction method is difficult to predict accurately in the online scene, a rolling bearing performance degradation trend prediction method based on a digital twin model is proposed. This study builds a mechanism model that can forecast the rolling bearing degradation trend based on the current dynamic model. It also examines the impact of contact fatigue damage brought on by contact force on the rolling bearing degradation features. A model updating method based on a convolutional neural network and a long short-term memory neural network is designed to solve the fusion problem of measured vibration signal and mechanism model, and then a digital twin model of mechanism and data fusion is established to predict the performance degradation trend of rolling bearings. Lastly, the National Aeronautics and Space Administration (NASA) and Xi'an Jiaotong University-Changxing Shengyang Technology Co., Ltd. (XJTU-SY) experimental rolling bearing vibration data set are used to confirm the method's validity. The experimental results show that compared with the digital twin methods, such as fusion dynamic Bayesian network and fusion convolutional autoencoder, the prediction accuracy and rapidity of the proposed method and the rapidity are improved.

A referring image segmentation method based on bidirectional vision-language interaction module
DENG Yupeng, GUO Fang, WANG Rong, SONG Zhenfeng
2025, 51(12): 4353-4360. doi: 10.13700/j.bh.1001-5965.2024.0462
Abstract:

Referring image segmentation aims to segment corresponding target regions in an image described by a natural language description. In response to the problem that insufficient fusion of cross-modal features still exists in current methods, leading to inaccurate discrimination of target regions and backgrounds. This paper proposes a referring image segmentation method based on a bidirectional vision-language interaction module. Firstly, multi-scale visual features are extracted using a multi-level visual feature encoding network, which enhances each pixel's semantic content and fortifies its perception of surrounding information. Secondly, the bidirectional vision-language attention decoding module receives multi-scale visual features as input. A cross-modal attention mechanism is then used to achieve cross-modal alignment, which improves the cross-modal features' contextual awareness. Finally, the pixel-by-pixel segmentation mask is obtained by upsampling with bilinear interpolation. Comparative experiments were carried out on the RefCOCO, RefCOCO+, and G-Ref datasets with mainstream methods. The overall IoU of our method reached 74.85%, 66.18%, and 64.95%, respectively, which were 2.12%, 4.04%, and 3.71% higher than the LAVT algorithm. The results demonstrate that the proposed method can effectively improve the performance of image representation segmentation.

Method for determining Stanton number on blunt body in supersonic flow
ZHAO Jinpeng, ZENG Wei, MA Haiteng
2025, 51(12): 4361-4369. doi: 10.13700/j.bh.1001-5965.2023.0800
Abstract:

The Stanton number is an important barometer in evaluating the aerodynamic thermal performance of a vehicle, but its determination is still subject to controversy, particularly because the method for obtaining the driving temperature during the convective heat transfer process is arguable. The two approaches that are frequently used in the open literature are referred to as "analytical methods" because they both use analytical formulas to determine the driving temperature. One considers the driving temperature to be the total temperature of the incoming flow, while the other compares it to the recovery temperature for high-speed flow over a flat plate. To resolve this dispute, this paper conducted numerical simulations to compare the accuracy of the two analytical methods, as well as the newly introduced two-point method (whose convective heat transfer coefficient is obtained by subtracting the results of two isothermal cases with different wall temperatures), in solving the Stanton number on the blunt body. The baseline for comparison is the method where the driving temperature is the adiabatic wall temperature. Numerical results show that the Stanton number calculated by the two-point method provides a much better agreement with the baseline method than the two analytic methods. The difference between the two-point method's area-averaged Stanton number and the baseline method is less than 5%, whereas the difference between the two analytical approaches and the baseline method is more than 15%. Moreover, the driving temperature derived by the two-point method varies along the circumferential angle of the blunt body with the same trend as the adiabatic wall temperature. In contrast, the driving temperature calculated by either of the two analytic methods remains a constant value at different circumferential angles, which does not comply with our physical consensus.

Abnormal behavior detection method based on multi-modal feature fusion
XIAO Bo, GUO Fang, WANG Rong, ZENG Zhaolong
2025, 51(12): 4370-4378. doi: 10.13700/j.bh.1001-5965.2024.0455
Abstract:

Aiming at the problems of false detection, missing detection and imbalance of positive and negative samples in video abnormal behavior detection, a multi-modal feature fusion method for abnormal behavior detection is proposed. Firstly, a cross-modal sensing module is designed, which uses the cross-attention mechanism for feature fusion to improve the expression ability of cross-modal data features, and reduces the number of network parameters by sharing parameter strategies. Then, the improved binary cross entropy loss function is used to train the network. In the training process, the weight is reduced dynamically for the easily distinguishable samples, and the larger weight is focused on the difficult to distinguish samples, which improves the processing ability of unbalanced and difficult to classify data and improves the detection accuracy of abnormal behavior. Finally, through the strategy of sample batch selection, more abnormal fragments are filtered out by statistical analysis method to effectively solve the problem of missing abnormal fragments selection. Tests were conducted on XD-Violence, Shanghai-Tech open data set and self-made data set. The AP value of XD-Violence data set reached 85.32%, and the AUC value of Shanghai-Tech data set and self-made data set were 96.84% and 81.73%, respectively. Experimental results fully prove the effectiveness and generalization ability of this method.